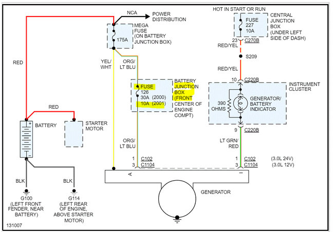
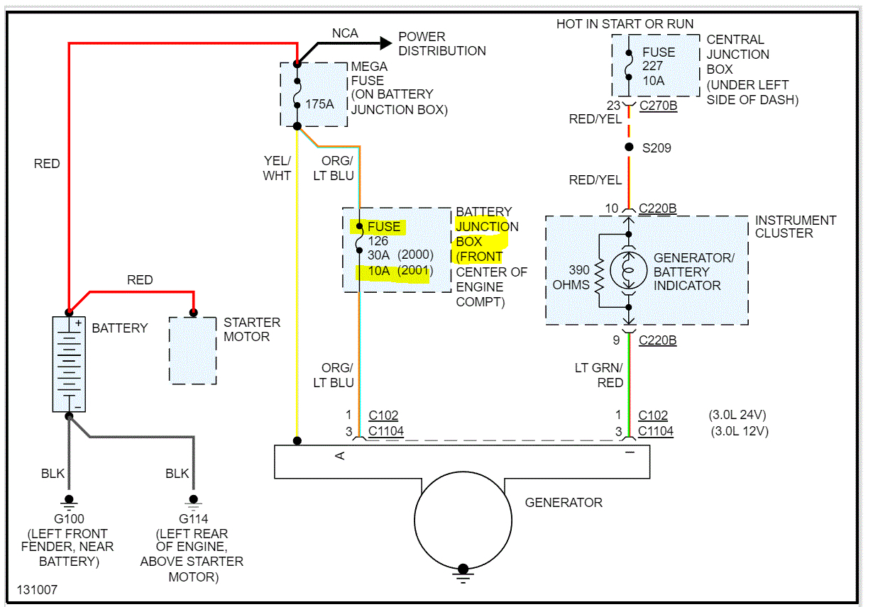
In doing so he also cut the factory wiring behind the radio remote in the dash. However, now I have no window power, no instrument cluster nor is my battery being charged. The car will start right up but shuts off from battery use. I checked all the fuses that I thought would help, changed relays and alternator as well as the battery twice. What is the difference between a two and a three-wire alternator? Can you please help me?
Apr 7, 2022 at 3:39 PM

