After replacing the Alternator and Battery, the light is still and it is not charging the battery?

2002 CHRYSLER PT CRUISER
167,000 MILES • 2.4L • 4 CYL • 2WD • AUTOMATIC
Avatar
NOTORIOUSONE
  • MEMBER
  • 1 POST
Changed alternator and battery and the light is still on and it's not charging the battery.
Oct 26, 2022 at 3:24 PM
Advertisement
Avatar
JACOBANDNICKOLAS
  • CERTIFIED EXPERT
  • 110,175 POSTS
Hi,

The alternator was likely not the problem. The alternator's output is regulated by the powertrain control module. It isn't integral to the alternator.

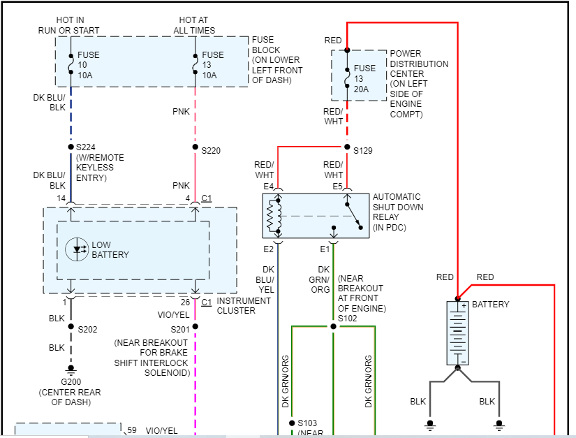
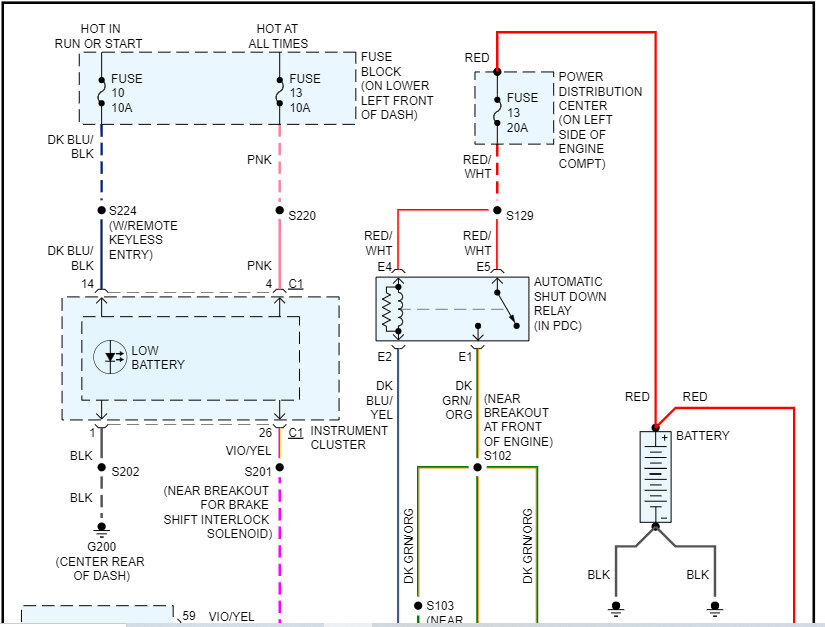
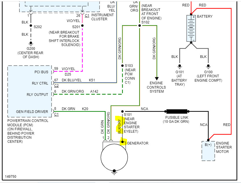
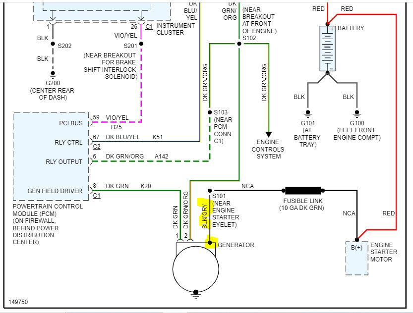
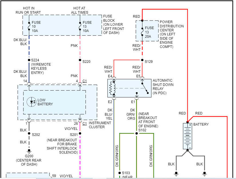
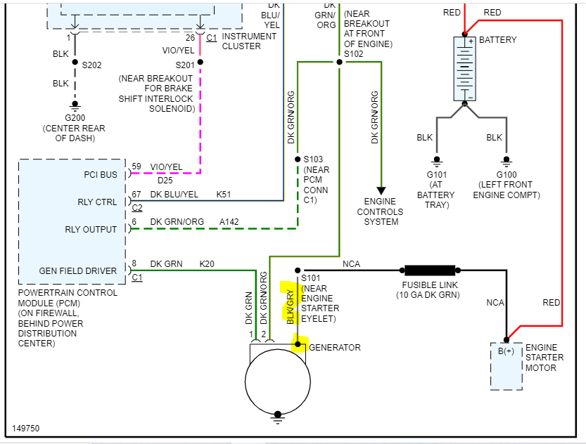
I attached the circuit wiring schematic below, so you have a reference.

Here is what I need you to do. First, there will be a black wire with a gray tracer at the alternator. It should have battery voltage at all times. Check to make sure that it is present.

If it does, I want, you to perform the alternator test listed in this link:

https://www.2carpros.com/articles/how-to-check-a-car-alternator

If the alternator fails the test, it has power to it, the last two things are the alternator or the PCM. I would remove the alternator and have it bench-tested at the parts store. I realize it's new, but anything is possible. If it passes the test, the PCM needs to be replaced.

Let me know what you find or if you have other questions.

Take care,

Joe

See pics below.
Oct 26, 2022 at 7:49 PM