Good morning,
You will need to do some voltage checks at the alternator. I wire from the batter must have 12.4 to 12.6 volts and the brown wire must have the same with the key in the on position.
https://www.2carpros.com/articles/how-to-check-wiring
https://www.2carpros.com/articles/how-to-use-a-voltmeter
https://www.2carpros.com/articles/how-to-check-a-car-alternator
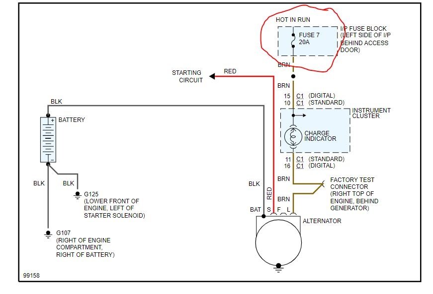
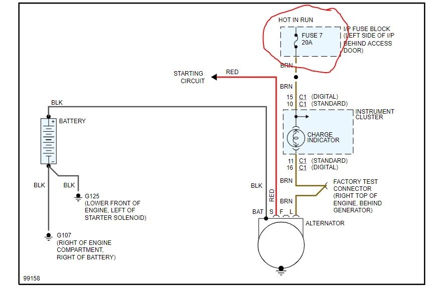
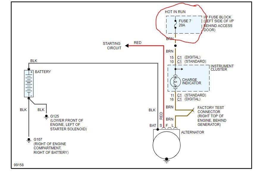
Check the fuse I circled for power on both sides. The battery light should come on with the key on as well.
https://www.2carpros.com/articles/how-to-check-a-car-fuse
Roy
1. Connect an ammeter and voltmeter as follows:
a. Disconnect wire from B terminal of alternator, then connect ammeter negative probe to the wire.
b. Connect ammeter positive probe to B terminal of alternator.
c. Connect voltmeter positive probe to B terminal of alternator and the negative probe to ground.
2. Start engine and allow to run at 2,000 RPM, then check reading of ammeter and voltmeter. Ammeter should read less than 10 amps. Voltmeter should read 13.9-15.1 volts at 77°F.
3. If voltage reading is greater than specified voltage, replace IC regulator. If voltage reading is less than specified voltage, check the IC regulator and alternator as follows:
a. With engine running and F terminal grounded, check voltage reading at B terminal.
b. If voltage reading is greater than specified voltage, replace IC regulator. If voltage reading is less than specified voltage, check alternator.
4. With engine running at 2,000 RPM, turn on high beam headlights and place heater fan control switch in the HI position.
5. Check ammeter reading. If reading is less than 30 amps, repair alternator.
Images (Click to enlarge)
Mar 28, 2021 at 5:11 AM