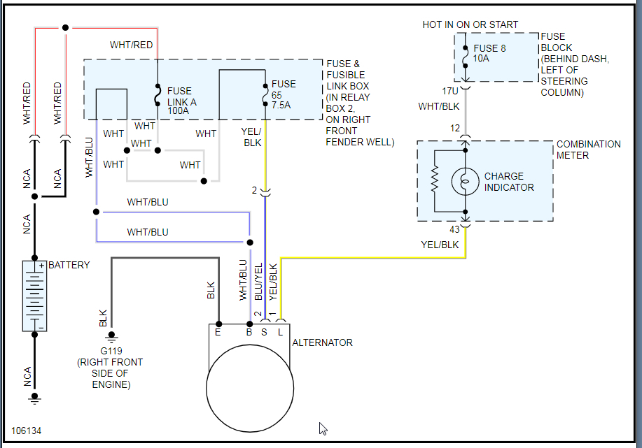
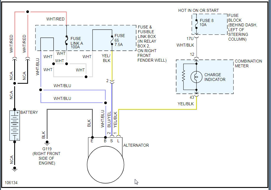
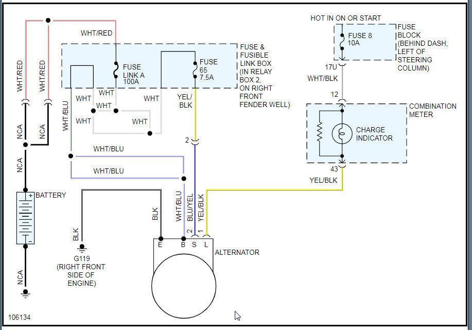
Put a new alternator in an still wont charge battery.
My battery light is not on which is weird, it works but not on.
My battery light is not on which is weird, it works but not on.
Oct 20, 2019 at 3:35 PM


