Alt light stays on in dash

1966 FORD F-100
127,000 MILES
Avatar
TWIGS
  • MEMBER
  • 14 POSTS
I have replaced the alternator, solenoid, voltage reg. wiring harness plugs. The alt light was on until I replaced the VR. Then it went off. A few days later I replaced the coil and the Alt light came back on. So I put back the old coil and the light still stayed on. Now if I unbolt the VR from the frame the Alt light goes out.
Got any idea what might of happen...
Oct 24, 2013 at 2:54 PM
Advertisement
Avatar
HMAC300
  • CERTIFIED EXPERT
  • 48,601 POSTS
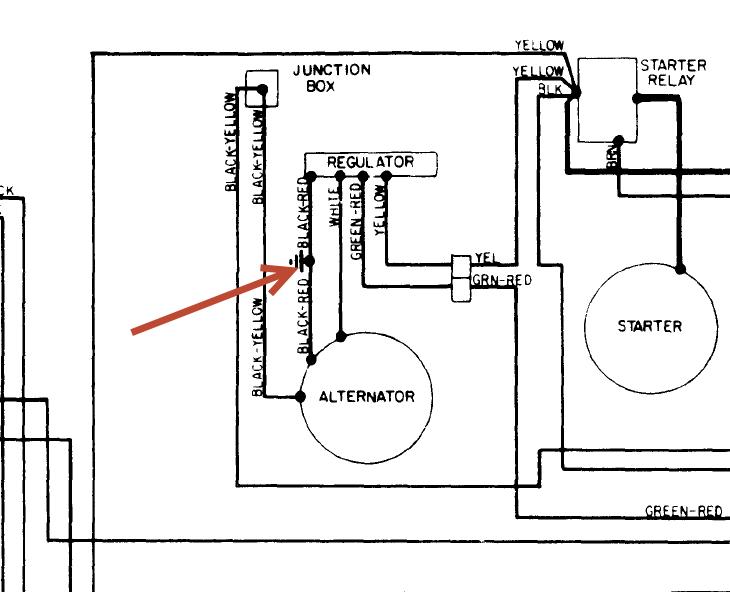
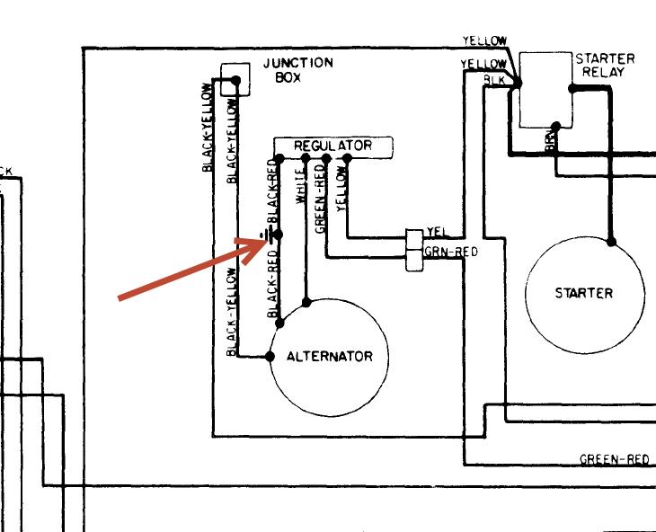
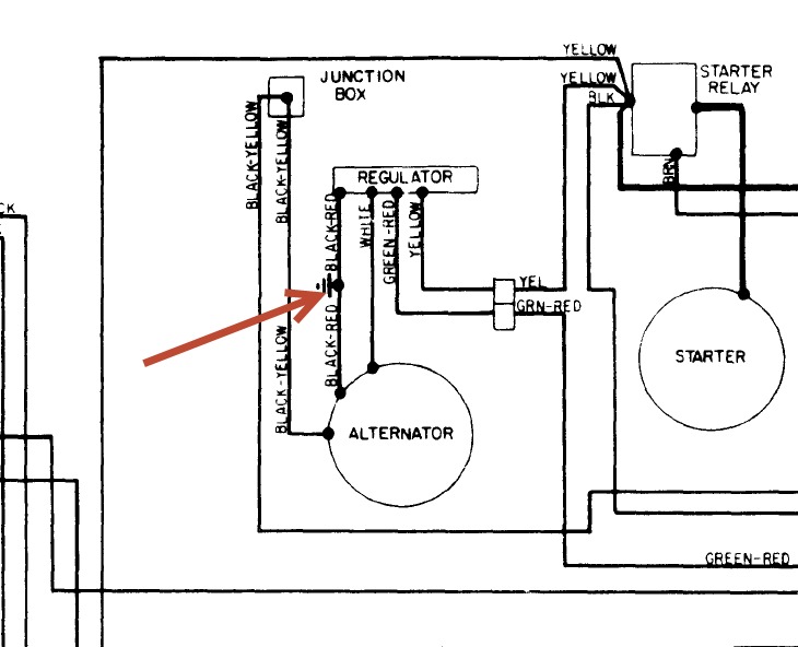
make sure the wire that has the arrow to it is grounded well and make sure there is a body ground form abattery as well as engine. Check the circuit breaker running off the starter relay from the black wire, it may be attached to relay with just one wire running from it. then check the back of the ignition switch to see if the harness is burnt up there. I may still have a repair harness that was used for these but not sure if it's right or not if you need it. see pic
Oct 24, 2013 at 3:43 PM
Avatar
TWIGS
  • MEMBER
  • 14 POSTS
Thanks Hmac...
I pic was so small I could not read it.
Oct 24, 2013 at 4:02 PM
Advertisement
Avatar
HMAC300
  • CERTIFIED EXPERT
  • 48,601 POSTS
click on it it should enlarge that is about all we can send through this site
Oct 24, 2013 at 4:09 PM
Avatar
TWIGS
  • MEMBER
  • 14 POSTS
Also to let you know I did replace the ignition switch with all the other parts....forgot to add it to the list...

Now when I click on the pic It takes me to a blank screen...can you email me the pic.
[email protected]
Thanks sooo much....
Oct 24, 2013 at 4:15 PM
Avatar
TWIGS
  • MEMBER
  • 14 POSTS
Also to let you know..we put a voltage meter on the Battery while running it and get 14.8...
Oct 24, 2013 at 4:18 PM
Avatar
HMAC300
  • CERTIFIED EXPERT
  • 48,601 POSTS
it's charging then thats' not to high if battery is low also there may be insulators that go on the voltage regulator if the holes look bigger than the bolts then there should be. the VR would look like it has half to 3/4 holes where it goes. This is a test for my memory cause I haven't worked on one of these in eons. check to see if the insulators are on old VR if you stil lhave it.
Oct 24, 2013 at 4:21 PM
Avatar
TWIGS
  • MEMBER
  • 14 POSTS
We did bolt on the old VR and the light stayed on..but maybe the old one was bad..The new VR look actually like the old one
Oct 24, 2013 at 4:30 PM
Avatar
TWIGS
  • MEMBER
  • 14 POSTS
Hmmm..maybe the new model of VR need to be insulated like you say...
Oct 24, 2013 at 4:32 PM
Avatar
HMAC300
  • CERTIFIED EXPERT
  • 48,601 POSTS
then there should be isolators where it bolts on they will have rubber grommets with metal sleeves or should , if not you are going to have to isolate it somehow so it will work.
Oct 24, 2013 at 4:32 PM
Avatar
TWIGS
  • MEMBER
  • 14 POSTS
Is there a way to test if the VR is working?
Oct 24, 2013 at 4:36 PM
Avatar
HMAC300
  • CERTIFIED EXPERT
  • 48,601 POSTS
if you are getting 14.8 volts to the battery it's working. ford amp gauges were there to look pretty they never really worked that well. tha tis what the circuit breaker goes to.if you have a alight instead of gauge then you wont have the circuit breaker.
Oct 24, 2013 at 4:39 PM