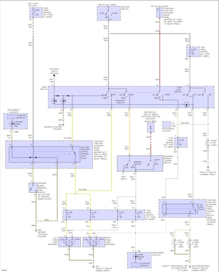
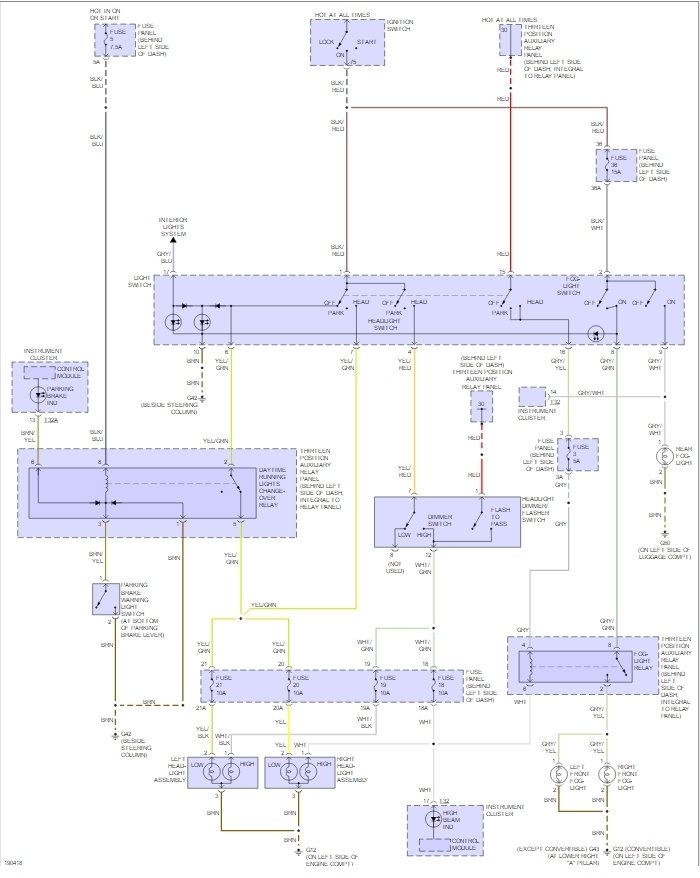
My cousins car randomly lost all lights, radio, horn and turn signals. The only way the lights will work is if you pull the dimmer and hold it back. Oddly enough though, prior to this issue the sunroof would not work, but now it is the only working accessory. I am thinking ground issue, but I have no clue where the under dash grounds are and I cannot find an diagram. Any ideas?
May 6, 2016 at 7:26 PM
