Welcome to 2CarPros.
Chances are the battery has failed. Have it load tested at a parts store or follow this link:
https://www.2carpros.com/articles/car-battery-load-test
Before load testing, an attempt at recharging it should be made. The battery could be dead due to an alternator problem.
https://www.2carpros.com/articles/how-to-charge-your-car-battery
Here is what I suggest. Charge the battery (often times a parts store will do it for you) and load test it at home or at a parts store. If the battery fails, replace it. If it doesn't fail, then we need to check the alternator which is easy to do with a multi meter or volt meter. But, the engine needs to be running.
Follow this link to confirm the alternator is working properly. If the engine can't be started, then you will need to remove the alternator and have it bench tested. However, a good battery should start the engine.
https://www.2carpros.com/articles/how-to-check-a-car-alternator
I would recommend testing the alternator regardless of the battery.
______________________________________________________
Here is a link that shows in general alternator replacement:
https://www.2carpros.com/articles/how-to-replace-an-alternator
______________________________________________________
Here are the directions specific to your vehicle. The attached pictures correlate with the directions.
PROCEDURES
GENERATOR REPLACEMENT
REMOVAL PROCEDURE
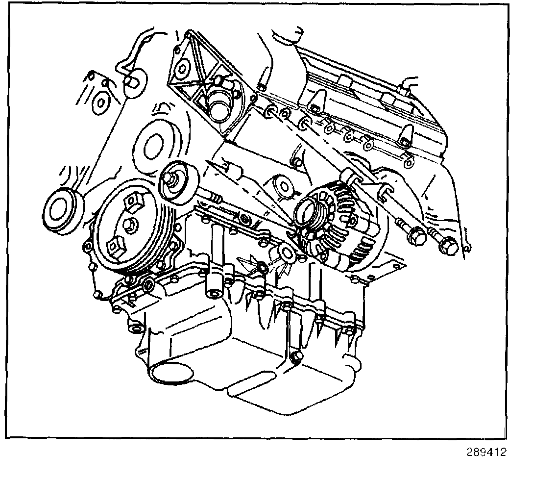
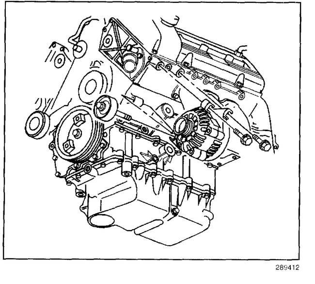
Pic 1
The Delphi AD237 (KG7) 125 ampere generator is serviced as a complete unit only.
1. Disconnect the negative battery cable.
2. Remove the battery tray.
3. Remove the drive belt.
4. Remove the engine cooling fan assembly.
5. Remove the water inlet housing.
6. Remove the outboard generator bolt
7. Loosen the inboard generator bolt
8. Remove the idler pulley bolt and the idler pulley.
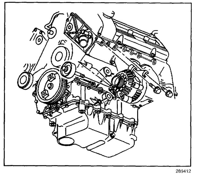
Pic 2
9. Disconnect the electrical connector from the generator.
10. Remove the protective boot from the generator output BAT terminal.
11. Remove the generator output BAT terminal nut.
12. Remove the generator output BAT terminal wire from the generator.
13. Remove the generator.
INSTALLATION PROCEDURE
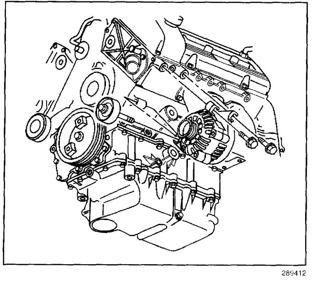
Pic 3
1. Position the generator to the engine.
2. Install the generator output BAT terminal wire to the generator.
NOTE: Refer to Fastener Notice in Service Precautions.
3. Install the generator output BAT terminal nut.
Tighten
Tighten the nut to 20 N.m (15 lb ft).
4. Install the protective boot to the generator output BAT terminal.
5. Connect the electrical connector to the generator.
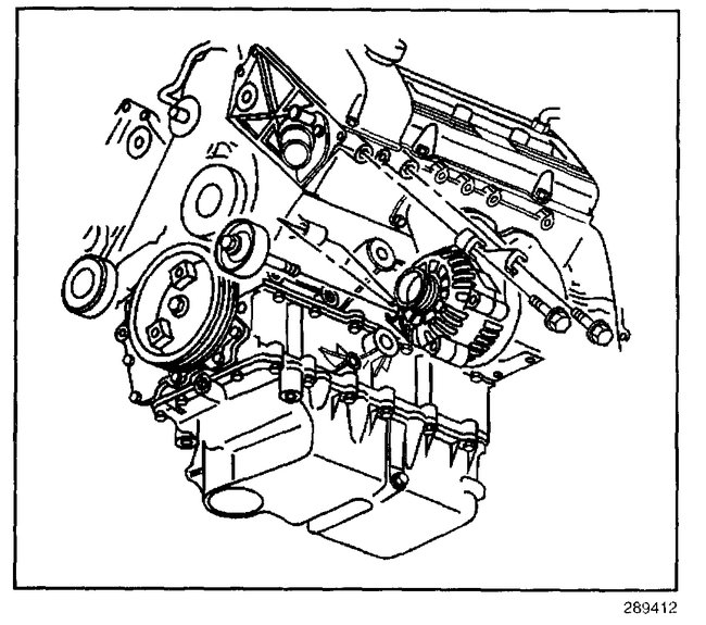
Pic 4
6. Install the outboard generator bolt into the generator housing.
7. Install the generator on the inboard generator bolt and finger tighten the outboard bolt.
8. Install the idler pulley and idler pulley bolt.
9. Tighten the bolts in the order described. The following is a mandatory torque sequence:
9.1. The idler pulley bolt.
Tighten
Tighten the bolt to 50 N.m (37 lb ft).
9.2. The inboard and outboard generator bolts.
Tighten
Tighten the bolts to 50 N.m (37 lb ft).
10. Install the water inlet housing.
11. Install the engine cooling fan assembly.
12. Install the battery tray.
13. Install the drive belt.
14. Connect the negative battery cable.
___________________________
Let me know what you find or if you need anything.
Take care,
Joe
Images (Click to enlarge)
Jul 4, 2019 at 9:14 PM