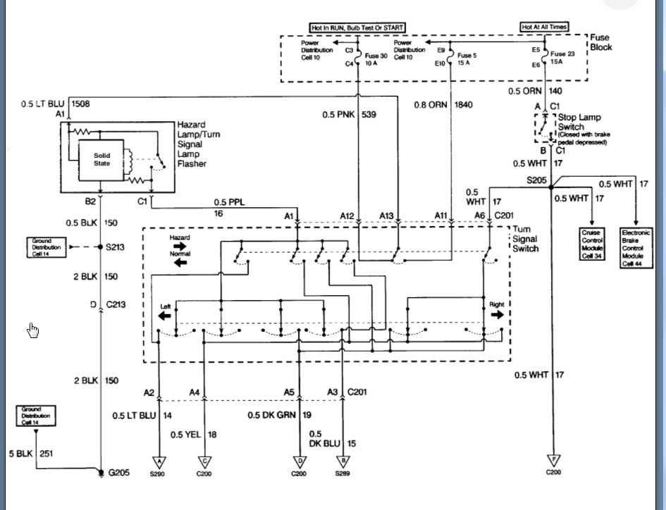
I have check the fuse it didn’t look bad but replaced it with a new anyways. Searched the internet running lights still work, blinkers still work and headlights still work. Did I just get unlucky that all the brake lights burned out at the same time?
Sep 22, 2020 at 7:14 PM



