All rear lights not working

2004 JAGUAR S-TYPE
200,000 MILES
Avatar
WILLIAM HALL
  • MEMBER
  • 1 POST
I bought this car used and none off the taillights , brake lights, fog lights, turn signals not even the hazard lights in the back work. please give me your opinion on what could be the culprit of this problem? thanks
Nov 13, 2017 at 6:52 AM
Advertisement
Avatar
KASEKENNY
  • CERTIFIED EXPERT
  • 18,907 POSTS
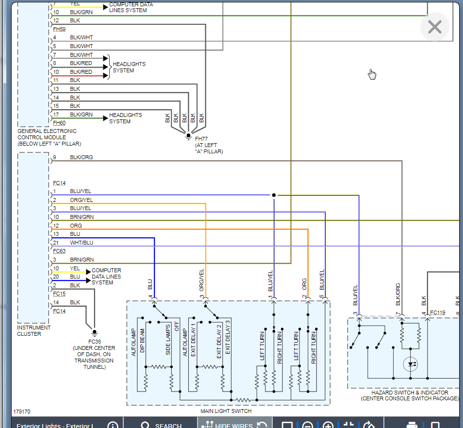
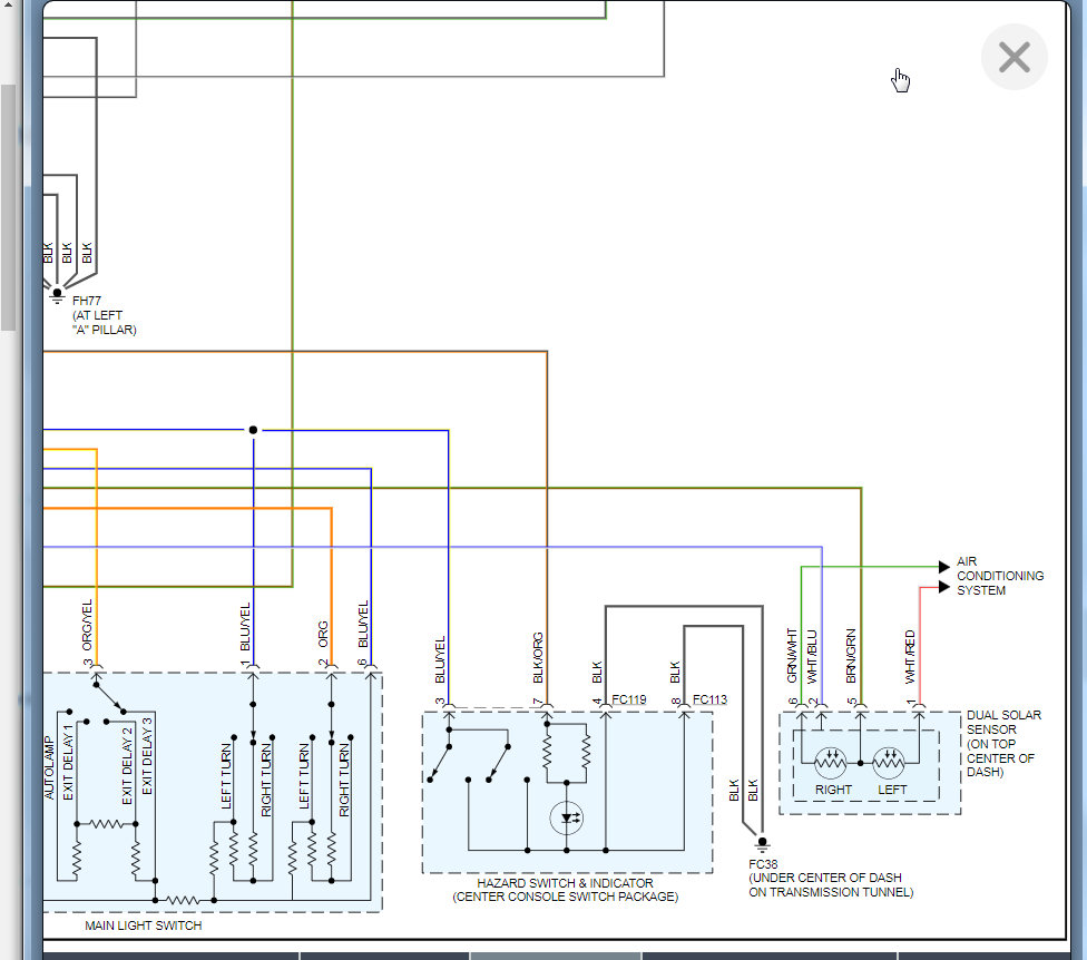
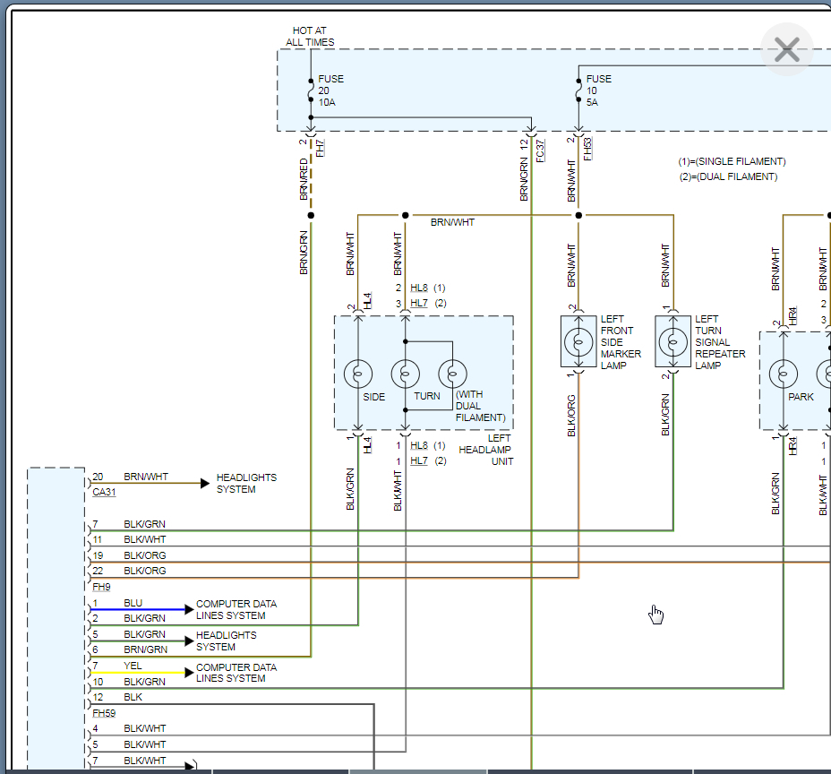
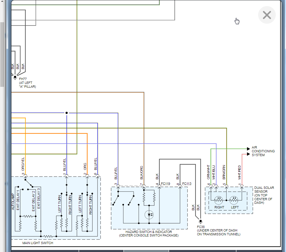
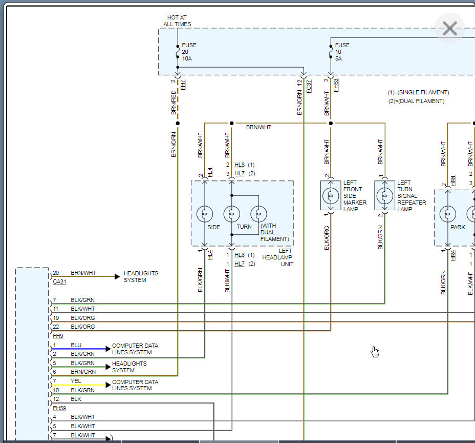
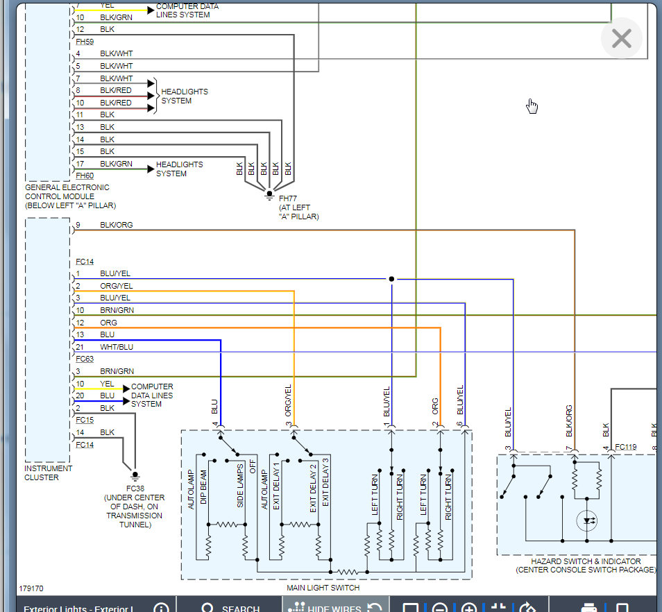
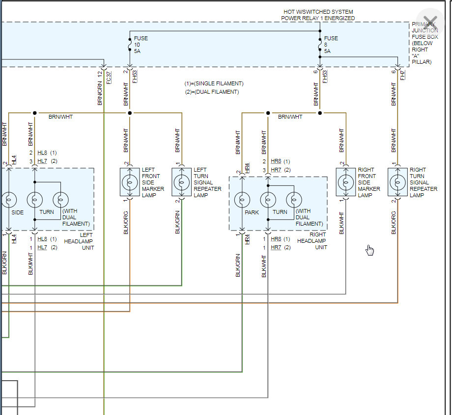
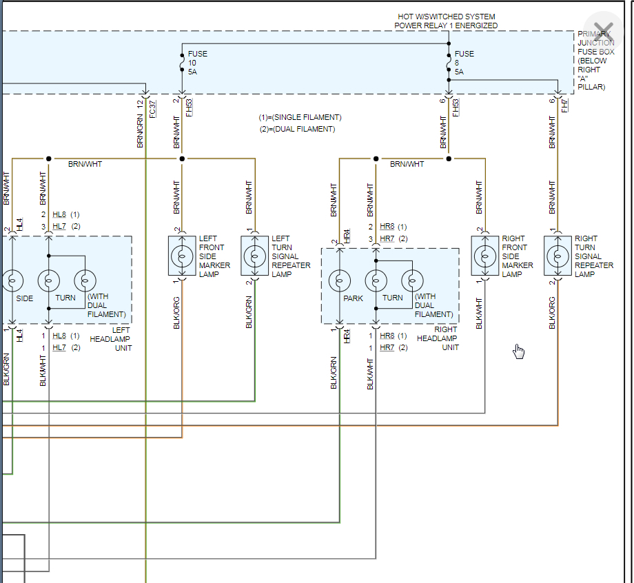
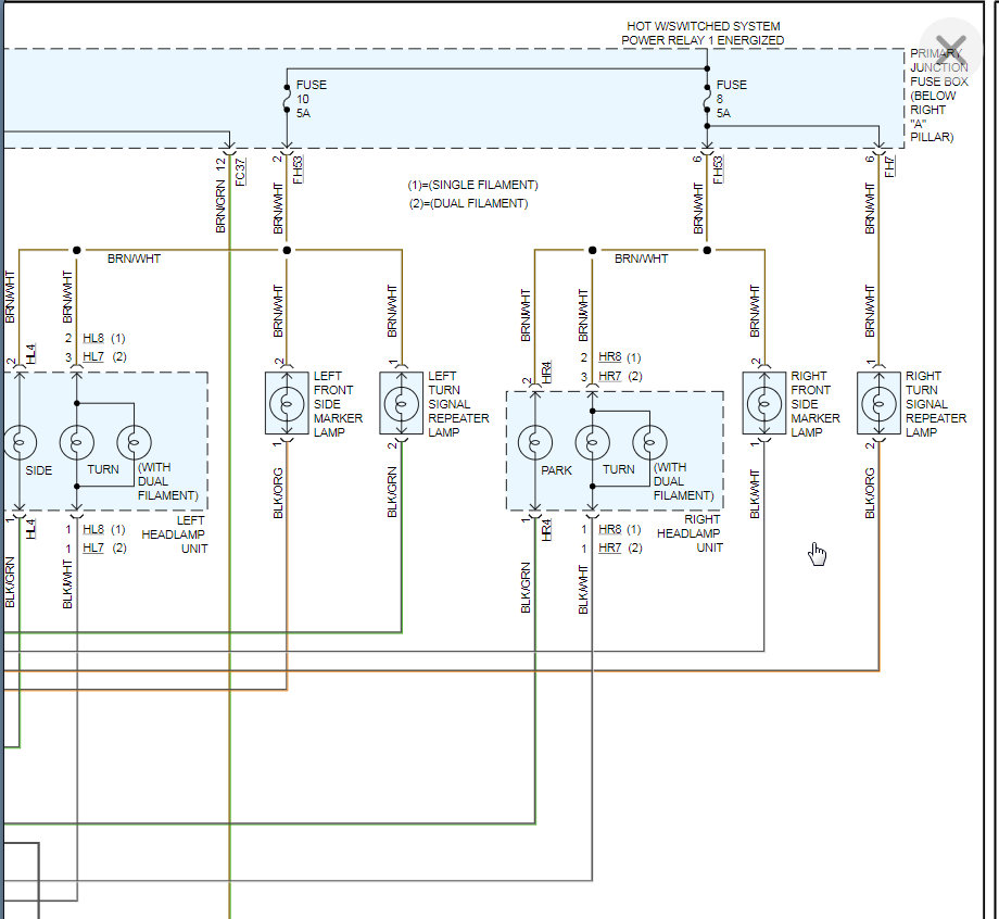
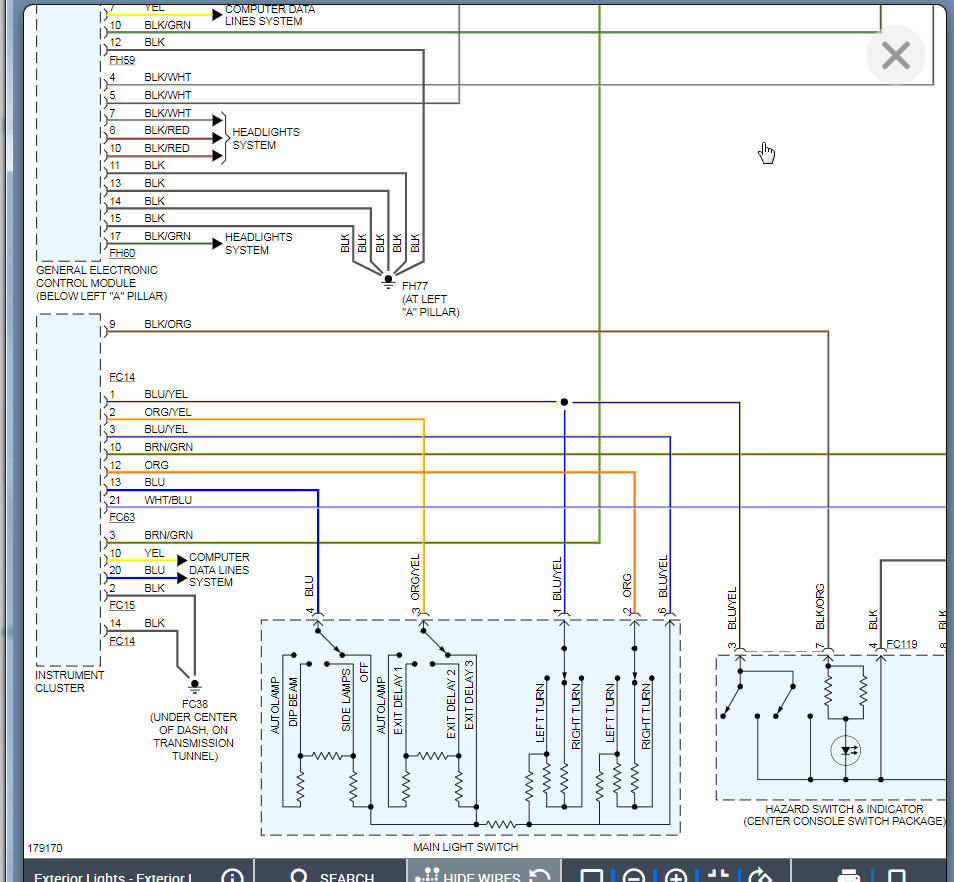
I am pretty sure that you have an issue with the general electronic module. This module is basically what controls all the lighting on the vehicle. It takes the inputs from the switches and sends the voltage to the lights.

We need to test the voltage coming out of the GEM in order to confirm this.

Here is a guide on how to do this testing:

https://www.2carpros.com/articles/how-to-check-wiring

I attached the info below that we need to do this testing. Please let us know if you have questions. Thanks
Dec 30, 2020 at 3:17 PM