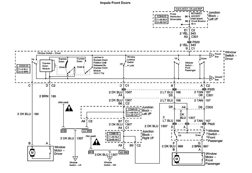
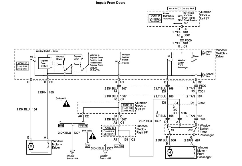
the windows stopped working yesterday. only thing noticeable in all door controls was a slight buzz when drivers control for drivers window down control pushed. was told it was the drivers door controller which i replaced and only difference was a louder buzzing sound when drivers window controls drivers window activated to go down. no window movement or noises with other controllers or windows. replaced the control module next. no change. my next thought was the breaker. is there a way to test or reset without going into the dash? what are your recommendations to check next? i am frustrated and in need of other expertise!
Apr 14, 2018 at 3:02 PM
