my windows stopped working?

2009 HONDA ACCORD
30,000 MILES • 4 CYL • 2WD • AUTOMATIC
Avatar
CHELSEALYNN813
  • MEMBER
  • 1 POST
Randomly all four of my windows and the sunroof stop working. Then boom they work again. It has been doing this for three days. It is raining and my window will not roll up. Anyone have this issues and importantly how did you fix it?
May 17, 2018 at 7:34 AM
Advertisement
Avatar
CARADIODOC
  • CERTIFIED EXPERT
  • 34,306 POSTS
The best place to start is by inspecting the wires between the driver's door hinges. A potential clue is the windows might work when the door is partially open. If you find wires that are frayed or broken, I can describe how I repair them. This guide shows how to check the power to the window motor through the switch.

https://www.2carpros.com/articles/electric-window-repair

Here are the window wiring diagrams so you can see how the system works and a guide to help test the connections.

https://www.2carpros.com/articles/how-to-check-wiring

Check out the diagrams (Below). Please let us know what happens.
May 17, 2018 at 11:47 AM
Avatar
BENJIE0
  • MEMBER
  • 1 POST
My battery recently died and I had to get a jump. The jump worked fine, but now all the windows except the driver's side are not working. Took it to the dealer, not a fuse issue. Do the windows have to be reset after a battery failure?
Oct 16, 2020 at 10:20 AM (Merged)
Advertisement
Avatar
HMAC300
  • CERTIFIED EXPERT
  • 48,601 POSTS
yes try to follow these steps in pics......
Oct 16, 2020 at 10:20 AM (Merged)
Avatar
GSRK
  • MEMBER
  • 5 POSTS
I was in the car with the A/C and head lights on for almost 30-45mins. I did not realize that the engine was not running. Obviously the battery died and I had to jump start the car.
What happened afterwards is that the radio got locked and the windows do not roll down. I had the radio code so I could get that unlocked. But with the windows that still is an issue.
Only the driver's window rolls down, and when I press the button for the rest of the windows from the main panel ( drivers side) I can hear a click sound. But when I attempt to roll own or up the windows from the passangers window i hear nothing. What bothers me is part of the front passangers window is still open.

Any suggestions that I might be able to fix things myself before I take it to the electrician?
Oct 16, 2020 at 10:20 AM (Merged)
Avatar
HMAC300
  • CERTIFIED EXPERT
  • 48,601 POSTS
try what i'm sending in the pic first otherwise it has to have a scanner hooked to it.
Oct 16, 2020 at 10:20 AM (Merged)
Avatar
GSRK
  • MEMBER
  • 5 POSTS
I did reset the master switch but the other three windows are still stuck.
Oct 16, 2020 at 10:20 AM (Merged)
Avatar
HMAC300
  • CERTIFIED EXPERT
  • 48,601 POSTS
do like it says in the pic that I sent in previous reply if it still doesn't work then it has to go back and get module reset.
Oct 16, 2020 at 10:20 AM (Merged)
Avatar
GSRK
  • MEMBER
  • 5 POSTS
In step 12, when I hold the switch to auto up position, the window does not start rolling up atleast 4-5 secs, is that the expected behavior?

And after that step 13 works fine, but still no luck with the other three windows.

If I have to get the module reset, how do I do it?
Oct 16, 2020 at 10:20 AM (Merged)
Avatar
KIM AHRENS
  • MEMBER
  • 2 POSTS
My driver window goes up/down but none of the other windows go up/down. The other three stopped working at the exact same time and when I use the master switch for the three that don't work I hear a clicking noise from each one. The other 3 windows would work once in a while after I slam the door.
What is that and how can I fix it?
Oct 16, 2020 at 10:20 AM (Merged)
Avatar
KHLOW2008
  • CERTIFIED EXPERT
  • 41,814 POSTS
Hi Kim Ahrens,

Since slamming the door intermittently allows the windows to work, it is an indication of something is loose.

It could be the master switch that is faulty due to some looseness in the connectors or printed circuit board, or a fault with the multiplex control system.
Oct 16, 2020 at 10:20 AM (Merged)
Avatar
THEPLER
  • MEMBER
  • 1 POST
the drivers power window will not go up but will go down
Oct 16, 2020 at 10:20 AM (Merged)
Avatar
F4I_GUY
  • CERTIFIED EXPERT
  • 3,302 POSTS
Can you hear the motor working? Or do you hear binding behind the door panel? If so, it may be a faulty window regulator. If not, it may also be the window switch has lost contact.
Oct 16, 2020 at 10:21 AM (Merged)
Avatar
JANIYAH06
  • MEMBER
  • 2 POSTS
Electrical problem
2006 Honda Accord 4 cyl Front Wheel Drive Automatic

My driver window goes up/down but none of the other windows go up/down. The other three stopped working at the exact same time and when I use the master switch for the three that don't work I hear a clicking noise from each one.
What iss that and how can I fix it?
Oct 16, 2020 at 10:21 AM (Merged)
Avatar
KHLOW2008
  • CERTIFIED EXPERT
  • 41,814 POSTS
Hi janiyah06,

At the driver master switch panel there is switch for disabling the other 3 windows. Check if it has been accidentally turned off to disable the other 3 windows.
Oct 16, 2020 at 10:21 AM (Merged)
Avatar
KIM AHRENS
  • MEMBER
  • 2 POSTS
I have the exact same problem and the windows are not locked. This just happened last week and I checked the fuses which are all good. I am wondering if it is the switch. Have you figured out the problem yet?
Oct 16, 2020 at 10:21 AM (Merged)
Avatar
FONTANA01
  • MEMBER
  • 1 POST
I believe it is the window switch went bad. Is there a way to get it up so i can drive it to get fixed?
Oct 16, 2020 at 10:22 AM (Merged)
Avatar
DANNY L
  • CERTIFIED EXPERT
  • 5,648 POSTS
Hello, I'm Danny.

If you have access to a power probe tool you can manually charge the window motor to roll up.Most auto parts stores have tool loaner programs and can rent tools.It would be easiest to gain access to the window motor by removing the door panel.Here is a tutorial for you to view:

https://www.2carpros.com/articles/door-panel-removal

I've attached a passenger side window motor wiring diagram below.This way you can see which wires to charge to roll the window up.Hope this helps and thanks for using 2CarPros.
Oct 16, 2020 at 10:22 AM (Merged)
Avatar
CHASB19
  • MEMBER
  • 2 POSTS
Electrical problem 4 cyl Two Wheel Drive Automatic 38000 miles

Nothing really happened. The power windows just won't work. The Driver's window works fine. The other three just click and do nothing, they will not work from the driver door or the actual door. If i put the window lock on, I hear no click. With the lock off, i hear the click but no movement. no motor sound or anything, just a click. they were working fine an hour before, when I got back in the car, this started. No noises or anything....is there a code or something that I might have triggered on accident? I can't see all 3 going out simultaneously.
When I use the remote to roll the windows down, only the driver window goes down, the others dont move.

The windows still just click. (Unless I lock them, then no sound at all). Side note, when pressing the window switch on the actual door with the window there is no click noise, there is no noise either way.(Locked or unlocked) Thanks for any help!
Oct 16, 2020 at 10:22 AM (Merged)
Avatar
KHLOW2008
  • CERTIFIED EXPERT
  • 41,814 POSTS
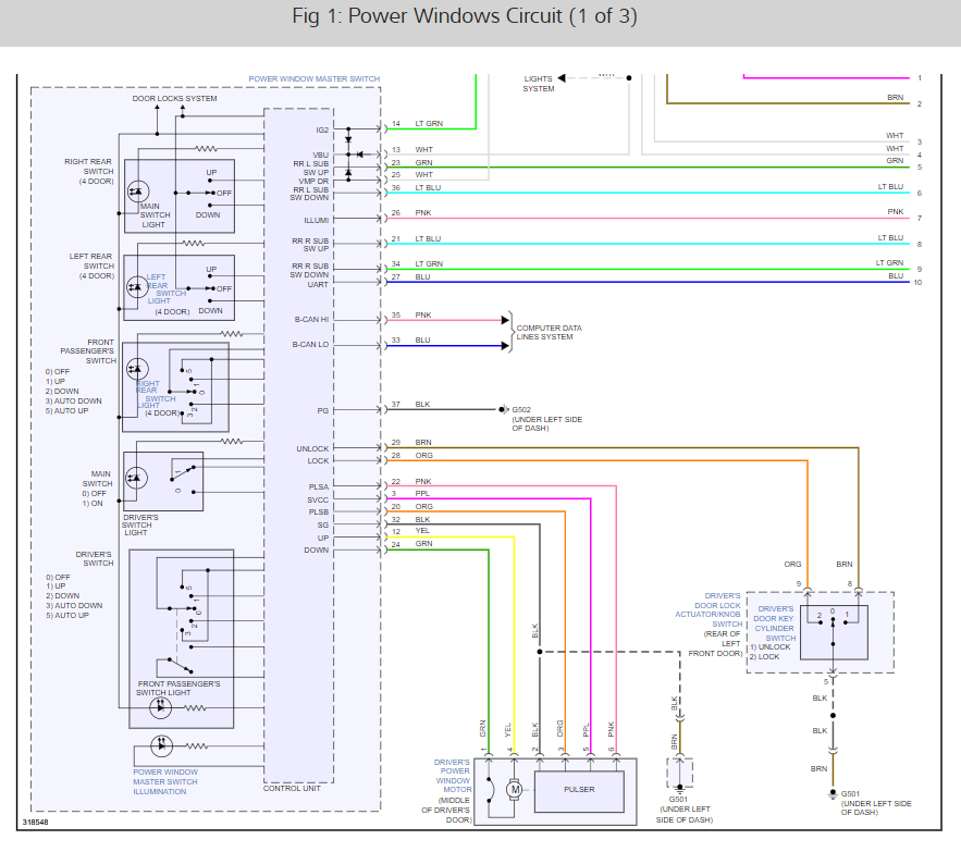
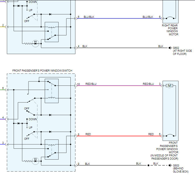
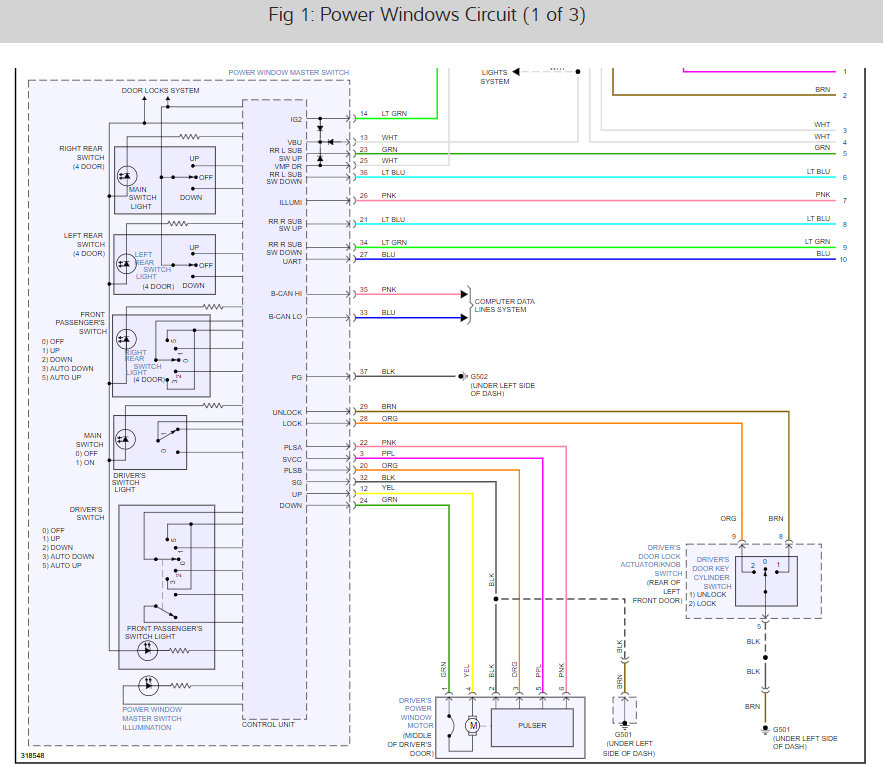
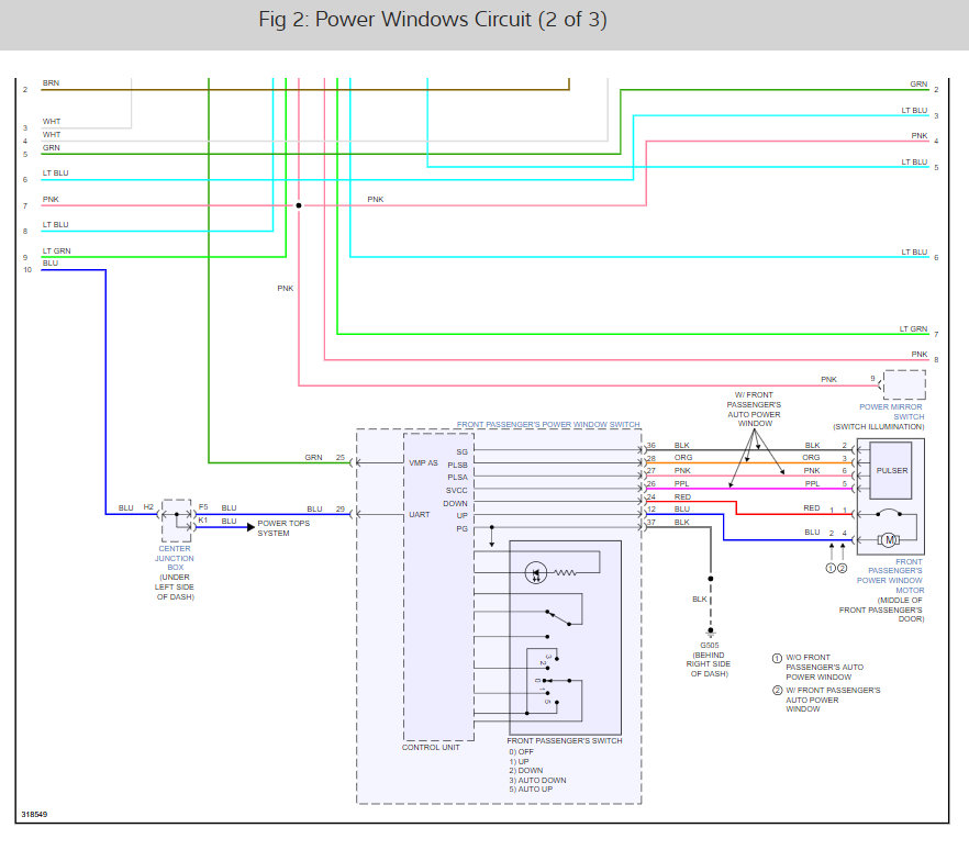
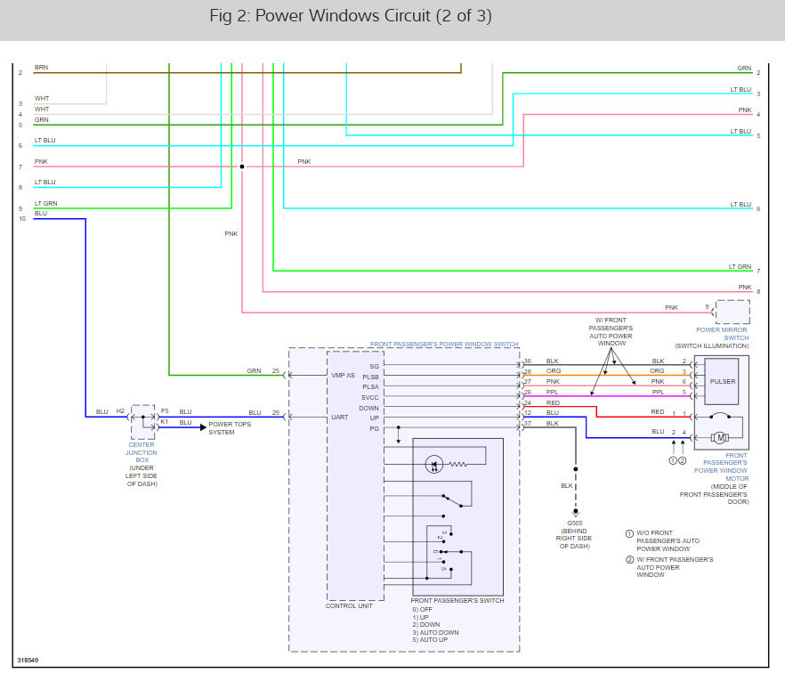
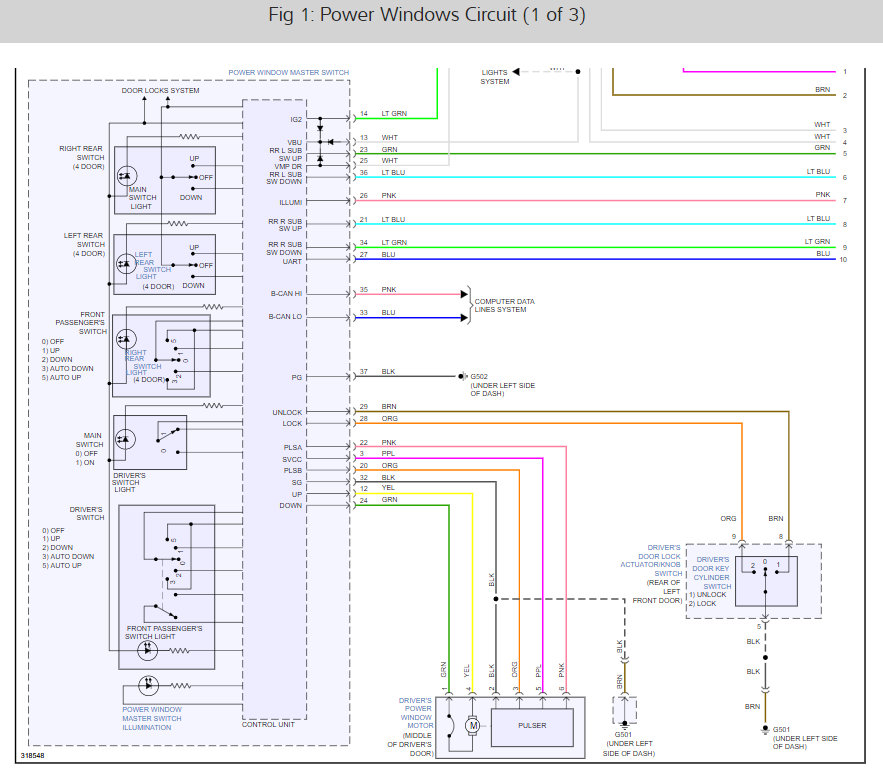
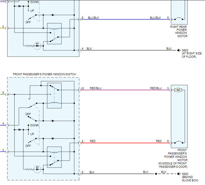
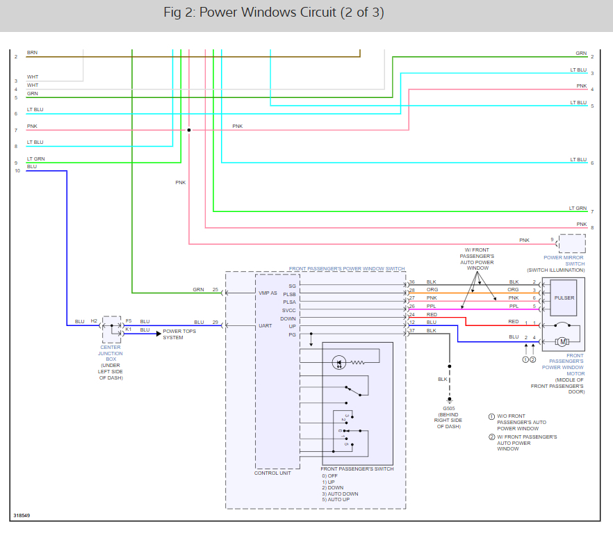
Testing of the circuits would involve use of test lamps, DVOM and removal of switches , panels etc. If the above items are available andyour are comfortable with wire circuit testing, we are set to go. From the symptoms described, it could be power is not getting to the other windows from the driver door. I have the circuit diagram here. Go thhrough them to get an understanding of the system and check the fuses and wire socket connectors, especially between doors, and see if you have ant new discovery. Any other questions, just reply to question and I will get back to you.


https://www.2carpros.com/forum/automotive_pictures/192750_PWCircuit05Accord01a_1.jpg


https://www.2carpros.com/forum/automotive_pictures/192750_PWCircuit05Accord01b_1.jpg


https://www.2carpros.com/forum/automotive_pictures/192750_PWCircuit05Accord02a_1.jpg


https://www.2carpros.com/forum/automotive_pictures/192750_PWCircuit05Accord02b_1.jpg

The power windows are connected to the driver door multiplex control unit and this unit seems to be the cause of the problem. Try resetting to see if it works. RESETTING THE POWER WINDOW 1. Turn the ignition switch ON (II). 2. Move the driver's window all the way down by using the driver's window DOWN switch. 3. Open the driver's door. NOTE: steps 4 - 7 must be done within 5 seconds of each other. 4. Turn the ignition switch OFF. 5. Push and hold the driver's window DOWN switch. 6. Turn the ignition switch ON (II). 7. Release the driver's window DOWN switch. 8. Repeat steps 4 - 7 three more times. 9. Wait 1 second. 10. Confirm that AUTO UP and AUTO DOWN do not work. If AUTO UP and DOWN work, go back to step 1. 11. Move the driver's window all the way down by holding the driver's window DOWN switch to the AUTO DOWN position. 12. Pull up and hold the driver's window UP switch to the AUTO UP position until the window reaches the fully closed position, then continue to hold the switch for 1 second. 13. Confirm that the power window master switch is reset by using the driver's window AUTO UP and DOWN function. If the window still does not work in AUTO, repeat the procedure several times, paying close attention to the 5 second time limit between steps. If it still does not work, go to B-CAN System Diagnosis Test Mode A.
Oct 16, 2020 at 10:22 AM (Merged)
Avatar
CHASB19
  • MEMBER
  • 2 POSTS
I chased it down to the PW-relay. The relay works, the drivers master control is not telling it to activate. ran jumpers and windows work fine. Looks like I need a $280.00 control unit.
Thanks for all your help!
Charlie
Oct 16, 2020 at 10:22 AM (Merged)
Avatar
KHLOW2008
  • CERTIFIED EXPERT
  • 41,814 POSTS
Hi Charlie,

Glad that you are able to diagnose the fault.

The control unit do give way at times but it usually is due to bad contacts. If you are adventurous, try removing the unit and checking through the printed circuit board. Look out for cracked solders and resolr them if any found, you might save yourself $ 280 ;)

Good luck.
Oct 16, 2020 at 10:22 AM (Merged)
Avatar
STRAILER
  • CERTIFIED EXPERT
  • 53,854 POSTS
Hello,

Yes the main window switch fixed the problem for this car.

Please use 2CarPros anytime, we are here to help and tell a friend.

Cheers, Ken
Oct 16, 2020 at 10:22 AM (Merged)
Avatar
SIERRAGAL
  • MEMBER
  • 2 POSTS
O.K. This is a stumper. I close the windows and lock the car and go inside. When I come out all four windows are down about 4 inches each--enough for a hand to get in and open the door. This has happened about four times. Once on a cool evening, twice on a hot day, and once on a moderate day.
Oct 16, 2020 at 10:22 AM (Merged)
Avatar
KHLOW2008
  • CERTIFIED EXPERT
  • 41,814 POSTS
Hi SierraGal,

If your car is still under warranty, get it checked at the dealership.

The car should be equipped with MPCS and it has 3 control units, namely the Driver door control unit, Driver side under dash intergrated control and Passenger side under dash intergrated control unit.

I believe the passenger side control unit is faulty or needs resetting. The key lock/unlock timer control is found here and it is intermittently malfunctioning.
Oct 16, 2020 at 10:22 AM (Merged)
Avatar
SIERRAGAL
  • MEMBER
  • 2 POSTS
Thank you. Car is out of warranty but I will check with dealer next time I take it in.

I don't understand this "points" business when I click feedback it asks how many points to give you but no scale.....Wassup?
Oct 16, 2020 at 10:22 AM (Merged)
Avatar
KHLOW2008
  • CERTIFIED EXPERT
  • 41,814 POSTS
Hi SierraGal,

I am rather new here and I do not know how it works too. There is no scale, just that you can give maximum of what you have with minimum of 1, hope I am not wrong. Anyway nevermind about that, just glad to know I have been of assistance.

Too bad your car is out of warranty. If you are into DIY, there is an MPCS check connector behind the driver's fuse box which you can bridge to find any error codes. I do not know if the data that I have is relevant to your vehicle so no promise that it will work.
Oct 16, 2020 at 10:22 AM (Merged)
Avatar
STEVER483
  • MEMBER
  • 1 POST
I have a 2 Door 2005 Honda Accord and the driver's side window does not work. Before it stopped working all together it would work one time and not the next.
The passenger side works fine
I checked all the fuses under the dash and they are ok.
What else would you recommend that I check.
Are Honda's known for having problems with the Master Control Switch?

Steve
Oct 16, 2020 at 10:22 AM (Merged)
Avatar
KHLOW2008
  • CERTIFIED EXPERT
  • 41,814 POSTS
Hi Steve,

The master switch seldom fails for Honda.

It could be a faulty window motor or its wiring connections. To verify if it is the motor, remove the door panel and test the motor by applying battery voltage to the motor wire terminals.
Oct 16, 2020 at 10:22 AM (Merged)
Avatar
IAOHSIFKSLDGZ
  • MEMBER
  • 1 POST
Finally after months of research I was able to to figure out what really caused the click sound. The click that we hear is basically the switch that is turning on(controlled by microcontroller) but without the power supplied by the power relay the windows don't roll down. It is caused by a broken circuit as seen in the picture.
There are basically 4 ways of fixing it. I will start with the easiest.
Method 1: buy the switch which costs $37 for the LX model from the switchdoctor.com ( does not work with EX model )
LInk: switchdoctor(dot)net/honda-accord-window-switch/honda-accord-master-power-window-switch-2003-2007/
Cons: some people have issues trying to re-program their key.

Method 2: short the 1st (black) and 3rd (green) wire just like the people in this post did. It is extremely easy. ( link: youtube(dot)com/watch?v=Q52Hea4-MrU)
Cons: shorting this wire actually completes the power relay circuit by connecting the power relay to the ground(shown in the picture) . This however removes the control from the microcontroller( 4th pin) to turn on/off the power relay . The microcontroller is designed to turn on the power relay only when the switches are pressed . But without this control the switch has power all the time which is causing the power drain reported by multiple people on this page. Explained in this video (link: youtube(dot)com/watch?v=6RTKsTAU4bs)

Method 3: soldering the 3rd pin(from the second method) and the 4th pin of the microcontroller. This restores the connection of the power relay to the microcontroller allowing the microcontroller to control the switch. This 3rd pin is the same pin that eventually connects to the black wire( from the 2nd method) .
This video explains how to disassemble the entire switch and how to solder the wire. ( link: youtube(dot)com/watch?v=hotWhazi5PE)
Cons: using this method skips over a resistor( black one) . To be honest i don't know what it basically does.

Method 4: try this only if you are really confident and know about circuits

The circuit is broken as seen in the second picture. This can be fixed with the use of a conductive ink pen which is $6 on amazon (link: amazon(dot)com/dp/B00OZATJ3A ) .
This however is a little difficult and should be done carefully. The red line that you see in the pictures is the circuit that follows the 3rd pin to the 4th pin of the microcontroller. If you see that the circuit is broken like mine(2nd pic) use this method.
step1: use the video from the 3rd method to remove the circuit board from the main switch board.
step 2: figure out if there is a break in the circuit as seen in the pic
step 3: there is a plastic coating on the circuit which needs to be removed to expose the copper wire, this can be done by slowly scratching the outer plastic with the help of a small screwdriver. The copper wire can be seen in the 5th pic.
step 4: use the conductive ink pen to carefully draw a line connecting them. Complete the broken circuit as seen in the 6th pic and do not connect it to any other circuit.
step 5: use an insulating tape to cover the line that you drew so that the problem doesn't resurface in the future and to remove the possibility that the line that you drew connecting to any other circuits in the future.
Cons: you will need a steady hand to draw a line to re-connect the circuit. If the line gets messed up use a slightly wet paper towel to rub it off and then follow up with a dry paper to remove all the moisture. Also there is a possibility that in the future the line that you drew could disconnect.
DISCLAIMER: I'm not a professional and the methods that have been described are my personal experience. Please use at your own risk.
and finally the reason why we all had to go through this trouble.
I think the 3 bumps (6th pic) that you see on the plastic shell that covers the circuit board rubbed against the board and overtime eventually rubbed off the entire circuit including the plastic coating and the copper.
some more info: the clicks that you here when you try to use the passenger or the rear window are the switches that are connected to the microcontroller. In this case these switches are working perfectly fine. The problem arises because the microcontroller is not giving the signal to turn on the power relay which powers the windows. Thereby the window motors do not have power even when the switches are working.



Apr 6, 2021 at 4:28 PM
Avatar
STRAILER
  • CERTIFIED EXPERT
  • 53,854 POSTS
Excellent addition to this thread! Please feel free to use 2CarPros anytime!
Apr 7, 2021 at 6:14 PM