All lights work except left front and rear turn signals

2003 FORD EXPLORER SPORT TRAC
125,000 MILES • 4.0L • 6 CYL • 2WD • AUTOMATIC
Avatar
DPARATTO1
  • MEMBER
  • 2 POSTS
Headlights, brake lights, turn signals on right side and hazards on right side work. Everything works on left too except turn signals and hazards. When I put right turn signal on my flasher on dash lights up as well. When I put left turn signal on there is no light on dash and front and rear don't light up.
Jul 18, 2020 at 3:41 PM
Advertisement
Avatar
JACOBANDNICKOLAS
  • CERTIFIED EXPERT
  • 110,175 POSTS
Hi,

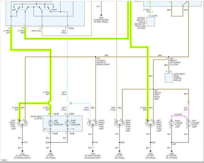
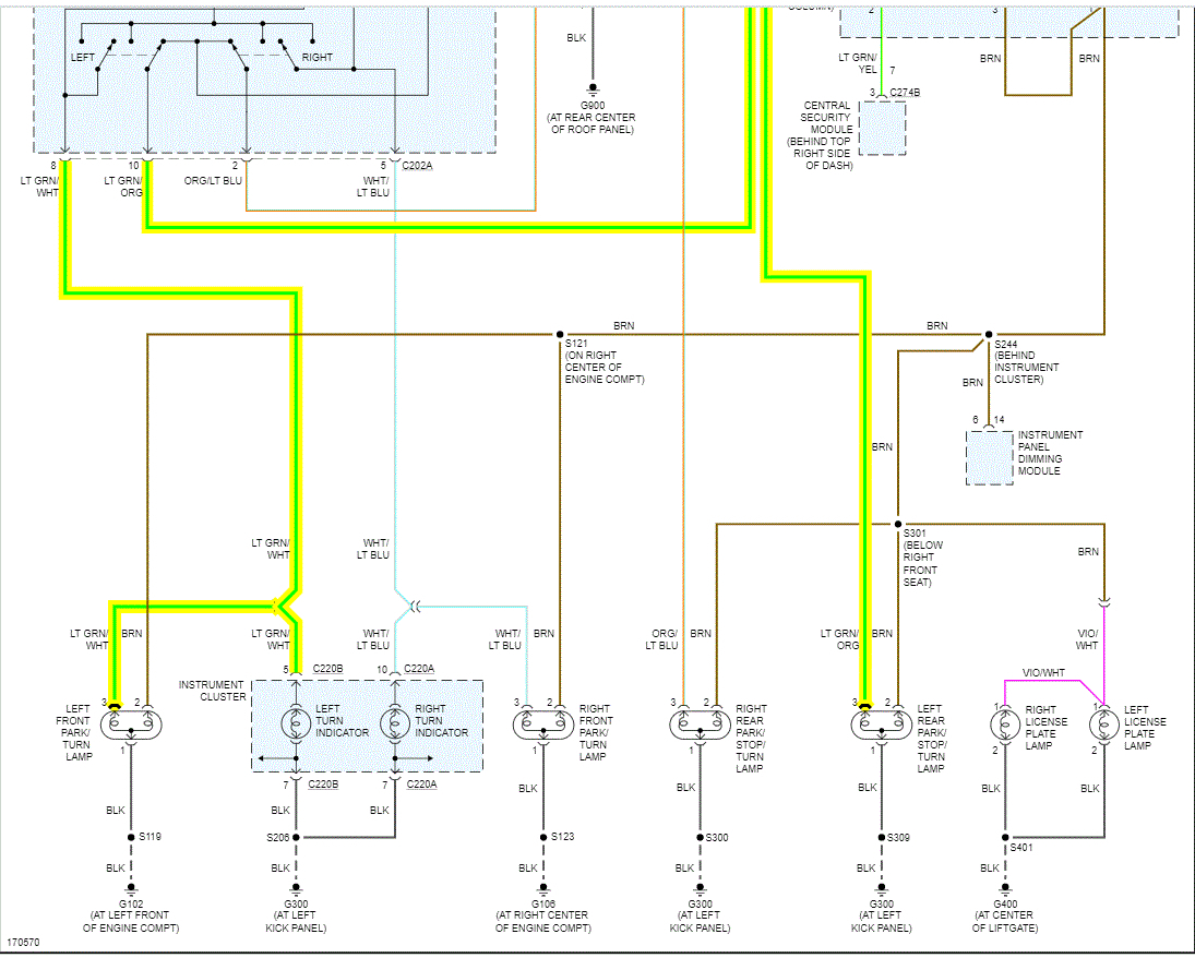
Does anything happen when you turn the left signal on? If absolutely nothing happens, I suspect the switch is bad. The power for the right side signals comes from the same place and they work, so it's not a power issue. The grounds for left and right are at the same place as well. So that leaves the switch. What you could do is check to see if there is power to the light green wire with a white tracer (front left signal) and the light green wire with an orange tracer (left rear signal) for power when you turn the left signals are on. If there is no power, replace the switch. If there is power, then we have two broken wires at some point. If it happened all at once, then chances are that isn't the issue.

I attached a portion of the wiring schematic below for you to see. I highlighted the wires that go to both the front and rear lights.

Let me know if this helps or if you have other questions. Additionally, I need to confirm this is an XLT model because there are a few differences based on package. Also, let me know if it has automatic lights as well.

Take care,
Joe
Jul 18, 2020 at 4:08 PM
Avatar
DPARATTO1
  • MEMBER
  • 2 POSTS
I just bought this vehicle and was given wrong info. Everything I said is correct except when I put on left turn signal the rear flasher stayed solid. Front does not light at all and inside there is nothing. No sound no light. It is an XLT and it does not have automatic lights. I just tested 4 ways and the front right and both rear stay solid. Solid right turn signal inside with nothing on left as well. I'm sorry for the misinformation, my girl friend didn't relay the correct info to me as I tried everything.
Jul 18, 2020 at 4:17 PM
Advertisement
Avatar
JACOBANDNICKOLAS
  • CERTIFIED EXPERT
  • 110,175 POSTS
Hi,

This is an interesting one. I have to be honest, I think I would start by testing the indicator flasher relay first. If it's good, the I suspect the multi function switch (turn signal switch) is bad.

I attached a pic below that shows the relay and location. Also, here is a link that explains how to test a relay:

https://www.2carpros.com/articles/how-to-check-an-electrical-relay-and-wiring-control-circuit

Let me know what you find. Also, here are the directions for testing the switch. The attached pics correlate with the directions.

________________________________

2003 Ford Truck Explorer Sport 2WD V6-4.0L VIN E
Component Tests and General Diagnostics
Vehicle Sensors and Switches Sensors and Switches - Lighting and Horns Turn Signal Switch Testing and Inspection Component Tests and General Diagnostics
COMPONENT TESTS AND GENERAL DIAGNOSTICS
Introduction To Component Testing

Pic 1
Multifunction Switch, Turn Portion
See pic 2

See pic 3


Joe
Jul 18, 2020 at 7:24 PM