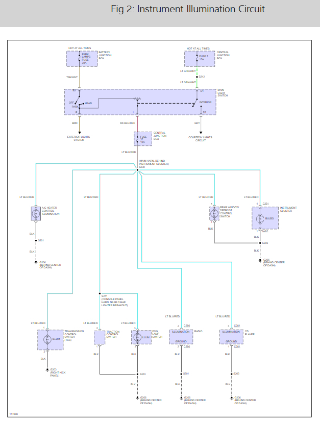
I have a the car listed above that was given to me that has no instrument panel lights working. I have replaced both the dimmer switch (the ceramic wheel was broken) and the wiring harness (one of the plugs was melted).
All the exterior lights connected to this switch work, and the fuse appears to be good.
I am about to remove the instrument panel to look at each light, but to have them all out, it seems a bit much to believe.
Any ideas beyond pulling each one and testing for continuity? Thanks
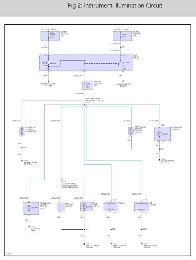
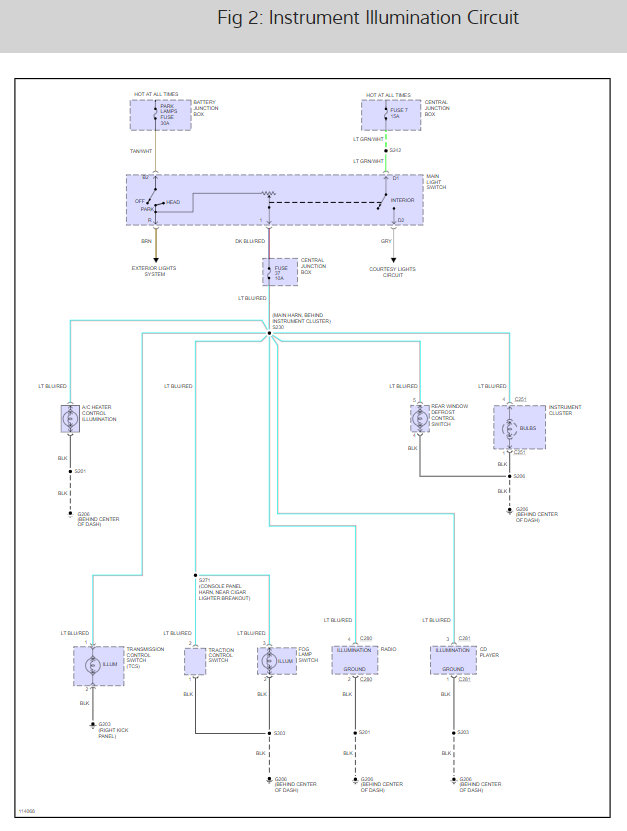
All the exterior lights connected to this switch work, and the fuse appears to be good.
I am about to remove the instrument panel to look at each light, but to have them all out, it seems a bit much to believe.
Any ideas beyond pulling each one and testing for continuity? Thanks
Mar 21, 2018 at 9:09 AM


