Cluster replacement instructions please?

2010 MERCURY MARQUIS
107,000 MILES
Avatar
WWOODWARD13
  • MEMBER
  • 1 POST
All warning lights remain on?
Nov 5, 2019 at 7:27 PM
Advertisement
Avatar
DANNY L
  • CERTIFIED EXPERT
  • 5,648 POSTS
Hello, I'm Danny.

Here is the instrument cluster removal procedure you requested. I've attached picture steps below for removal and replacement for your car. Hope this helps and thanks for using 2CarPros.
Feb 18, 2021 at 1:47 PM
Avatar
ASEMASTER6371
  • CERTIFIED EXPERT
  • 52,796 POSTS
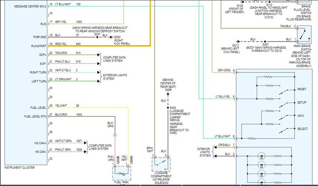
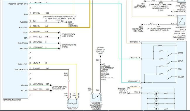
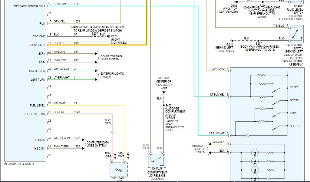
I attached a wiring diagram for you to view. Check the 2 fuses listed for power on both sides.

https://www.2carpros.com/articles/how-to-check-wiring

If they are good, the cluster has failed internally.

https://www.2carpros.com/articles/how-to-check-a-car-fuse

Roy
Feb 19, 2021 at 11:47 AM
Advertisement
Avatar
ACJDRAKE
  • MEMBER
  • 1 POST
My odometer started cutting in and out then my instrument cluster and cruise control followed suit.
Feb 21, 2021 at 5:33 PM (Merged)
Avatar
KASEKENNY
  • CERTIFIED EXPERT
  • 18,907 POSTS
Hi,

Can you take a picture of your cluster so I can see which model you have? Or do you have the one with message center or just the odometer/trip meter?

More than likely the advice is going to be the same in that it may need a cluster however, we need to check the power and ground to the cluster and that is going to vary depending on which cluster you have. Plus we need to do the test attached. The only issue is, we need the scan tool to active the display test. Again, this is most likely the cluster but it could be an ABS module issue. The fact that the rest of the cluster is going out is why I am pushing to a cluster issue.

Not only the specific cluster but can you retrieve the codes in the system and see if you have any? If not, then we can run through this test and then go from there.
Feb 21, 2021 at 5:33 PM (Merged)
Avatar
COLJAM
  • MEMBER
  • 1 POST
Electrical problem
1999 Mercury Marquis 102023 miles

On my instrument cluster the only light that illuminates on startup is the battery light. None of my guages are reading while the car is running. They are not digital guages. What could be the cause?
Feb 21, 2021 at 5:34 PM (Merged)
Avatar
JACOBANDNICKOLAS
  • CERTIFIED EXPERT
  • 110,175 POSTS
I would start by checking wiring to the rear of the cluster to make sure nothing is loose. IF all appears good, check for rusted or damaged body grounds. After that, have the body control module checked.
Feb 21, 2021 at 5:34 PM (Merged)
Avatar
JSIMMONS282
  • MEMBER
  • 1 POST
Fuel gauge is stuck on over fill when I shut car off it goes down to full line when I turn car on it goes back up. Happened after jumping another car.
Feb 21, 2021 at 5:34 PM (Merged)
Avatar
STRAILER
  • CERTIFIED EXPERT
  • 53,854 POSTS
Hello,

it sounds like the gauge had a voltage surge which will take out the gauge I would try a used cluster. Here is a video showing the job done and diagrams below to help you with your car.

https://youtu.be/_HEC44xENxw

Check out the diagrams (Below). Please let us know if you need anything else to get the problem fixed.

Cheers, Ken
Feb 21, 2021 at 5:34 PM (Merged)
Avatar
DRIVEMECRAZY
  • MEMBER
  • 2 POSTS
Digital Gas Gauge will not work.We have replaced entire Speedo Cluster (the Digital Dash Gauge & the Fuel Gauge) in the tank to no avail it still will not register,it shows 2 marks at the top & bottom and CO in the middle of the gauge.
What would be the next thing we need to do to get this fixed? Any help would be greatly appreciated.
Thank you.
Feb 21, 2021 at 5:35 PM (Merged)
Avatar
MERLIN2021
  • CERTIFIED EXPERT
  • 17,250 POSTS
I want to make shure I am reading this right...you replaced the dash gauge and the sening unit in the gas tank and still no luck? See if in the power distribution box under the hood, if there is a fuse or realy for the instrument cluster, if not it will be in the cars fusebox, Last option will be the hardest. Check the dash ground wire.
Feb 21, 2021 at 5:35 PM (Merged)
Avatar
RACHEL K TURNQUEST-HAREWOOD
  • MEMBER
  • 2 POSTS
I replace the fuel gauge and filled the car up with gas. I reset the fuel mileage button and then the gauge would not work right. Now two bars come on on the top and two bars come on at the bottom and none on in the middle just a sign saying CO. What could be the problem? Is there a problem in the tank or the dash board? Help please!
Feb 21, 2021 at 5:35 PM (Merged)
Avatar
CARADIODOC
  • CERTIFIED EXPERT
  • 34,306 POSTS
Most likely the "CO" stands for "circuit open". That would be a break in the wire going to the sending unit in the tank.
Feb 21, 2021 at 5:35 PM (Merged)
Avatar
RACHEL K TURNQUEST-HAREWOOD
  • MEMBER
  • 2 POSTS
Thank you I'll check and see
Feb 21, 2021 at 5:35 PM (Merged)
Avatar
LWA
  • MEMBER
  • 2 POSTS
I Replaced the in-tank fuel pump about 1 yr ago. Fuel Guage was reading ok for awhile. Had to drain some bad gas out of tank before replacing pump. Not sure we got it all out. Fuel gauge was working for a brief period. The Auto is a back up and used occasionally. With the key off, guage shows slightly below full every time. When key is turned on the guage goes beyond full mark and goes out of site. It never goes down to the empty side even after you have burned some fuel and turned off ignition. Also "check engine" lite comes on/off sporatically. When it does the auto seems to buck for a quick second and sometimes stalls when idling. Can this be a fuel pump problem indicator? Whats your best thoughts as to what it might be causing it to stay on the full side. I had it changed out by a repair shop. Is their a chance the sensor or float or whatever is not working, or grounded. How can I trouble shoot it myself to avoid dropping out the tank, if the pumps the real problem? TKS Larry
Feb 21, 2021 at 5:35 PM (Merged)
Avatar
THIS IS MIKE
  • CERTIFIED EXPERT
  • 686 POSTS
When you replace the fuel pump always use an OEM (Original Equipment Manufacturer) unit. Have your fuel pressure checked to make sure the new fuel pump is working properly. Have your computer scanned for trouble codes, the runability problem could be as simple as a tune-up.
Regarding the gauge, it sounds like your sending unit is bad. If the sending unit was replaced with the fuel pump then the gauge is bad.
Feb 21, 2021 at 5:35 PM (Merged)
Avatar
ASEMASTER6371
  • CERTIFIED EXPERT
  • 52,796 POSTS
Good morning,

This could be the sender unit itself which is part of the fuel pump module.

https://www.2carpros.com/articles/how-to-replace-an-electric-fuel-pump

Before assuming this, I would check the connector at the fuel pump on the tank and be sure the connector is clean, tight, and no corrosion. It may be a bad connection.

https://www.2carpros.com/articles/how-to-check-wiring

https://www.2carpros.com/articles/how-to-use-a-voltmeter

Roy

WARNING: Do not smoke, carry lighted tobacco or open flame of any type when working on or near any fuel related component. Highly flammable mixtures are always present and may be ignited, resulting in possible personal injury.

CAUTION: Fuel supply lines will remain pressurized for long periods of time after engine shut down. This pressure must be relieved before servicing of the fuel system is begun. A valve is provided on the throttle body for this purpose. Remove the air cleaner and relieve system pressure by using Rotunda pressure gauge tool T80L-9974-A or equivalent and drain the system through the drain tube.

REMOVAL

1. Depressurize fuel system.
2. Remove fuel from fuel tank by pump out through filler.
3. Disconnect supply line and return line fittings and vent line at the RH and LH side rear axle frame kick-ups.
4. Disconnect fuel sender electrical connector forward of tank.
5. Remove filler neck ring clamp screws.
6. Remove fuel tank support straps and remove fuel tank.
7. Remove any dirt that has accumulated around the fuel pump attaching flange.
8. Disconnect the supply line and return line fittings and the electrical connector.
9. Turn the fuel pump locking ring counterclockwise and remove locking ring.
10. Remove fuel pump and bracket assembly.
11. Remove seal ring and discard.

INSTALLATION

Fuel Pump Removal/Installation
imageOpen In New TabZoom/Print



1. Clean the fuel pump mounting flange, the fuel tank mounting surface and seal ring groove.
2. Apply a light coating lubricant on a new seal ring to hold it in place during assembly and install in fuel ring groove.
3. Install fuel pump and bracket assembly carefully to ensure that filter is not damaged. Ensure locating keys are in keyways and seal ring remains in groove.
4. Hold pump assembly in place and install locking ring finger tight. Ensure that all locking tabs are under tank lock ring tabs.
5. Secure the fuel sending unit and pump assembly by rotating the locking ring clockwise, until the ring stops against the stop tabs.
6. Raise tank partially and install vent line and fuel tubes.
7. Install electrical connector.
8. Install fuel line fittings.
9. Install fuel tank in vehicle and tighten straps.
10. Connect fuel sender electrical connector.
11. Install filler tube and attaching screws.
12. Connect vent line.
13. Install fittings on RH and LH side of vehicle.
14. Install a minimum of 10 gallons of fuel and check for leaks.
15. With a fuel pressure gauge on schrader valve, turn the ignition switch ON/OFF for three seconds. Repeat this ON/OFF switching (5 to 10 times) until the pressure gauge shows at least 35 psi.
16. Remove pressure gauge, start engine and check for leaks.
Feb 25, 2021 at 3:58 AM