All exterior lights turn off when I use the turn signal switch?

2016 TOYOTA CAMRY
117,000 MILES • 2WD • AUTOMATIC
Avatar
ANGMAC
  • MEMBER
  • 1 POST
When using the turn signal the lights will shut off completely for 10 seconds to 2 minutes. I have tried the fuse box relay under the hood, it helped for several months, but it is now worse than before. What might be causing this issue?
Feb 15, 2023 at 8:26 PM
Advertisement
Avatar
STRAILER
  • CERTIFIED EXPERT
  • 53,855 POSTS
Hello,

This will be one of two items that are malfunctioning, either the main body ECU or the combination meter, to be sure which one we need to do a CAN scan which is easy, you can get a CAN scanner (Controller Area Network) from Amazon.

Here is a video to show you how:

https://youtu.be/u-4syLc-ifQ

and

https://www.2carpros.com/articles/can-scan-controller-area-network-easy

Here is a list of CAN scanners starting at about $25.00 on Amazon:

https://amzn.to/3DBMlc7

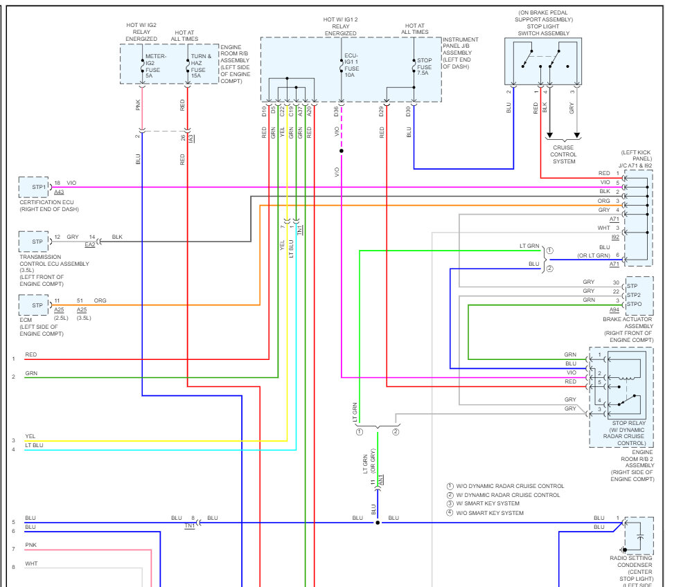
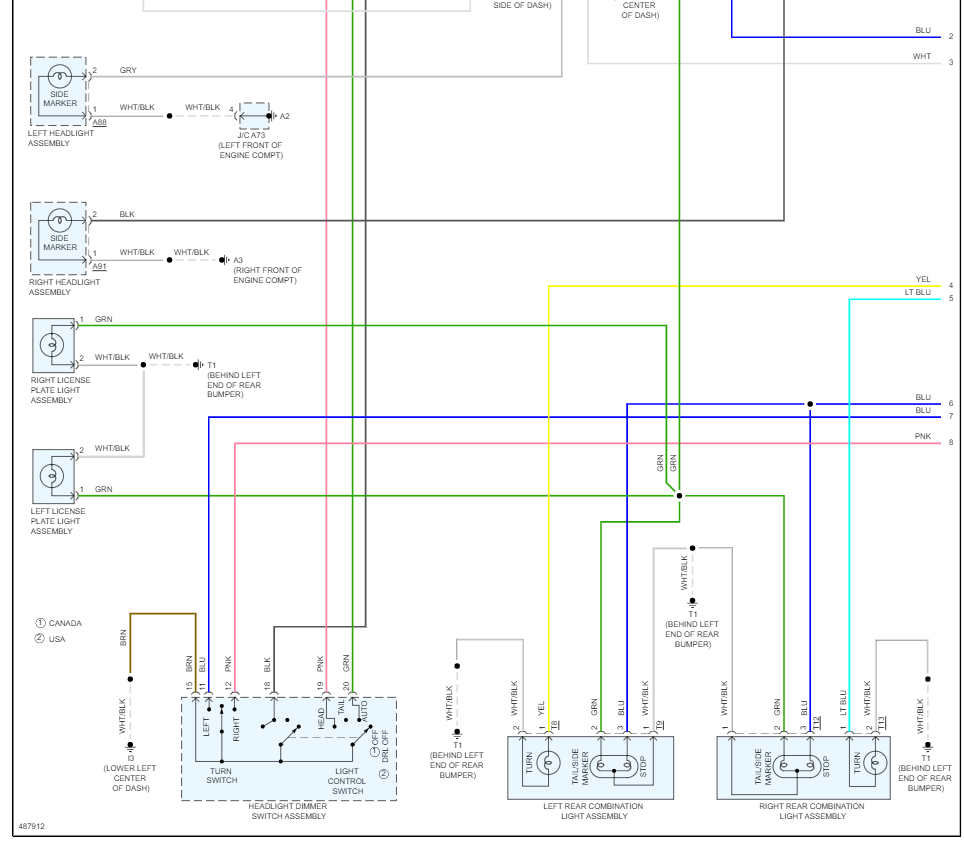
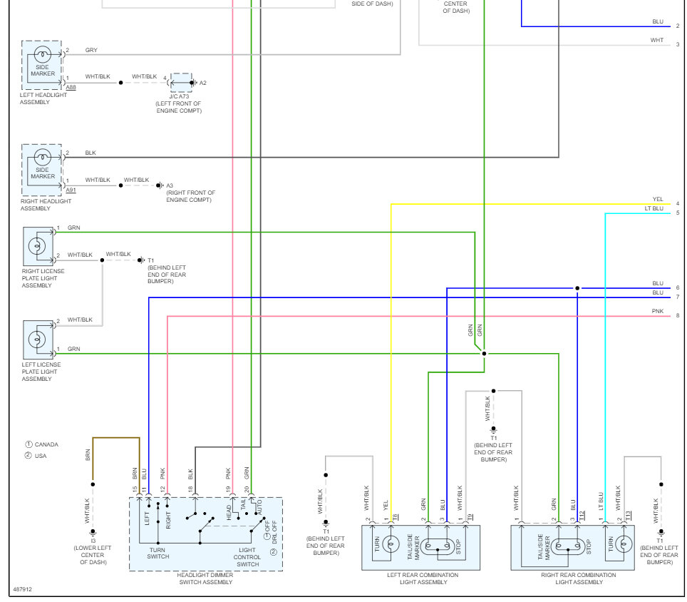
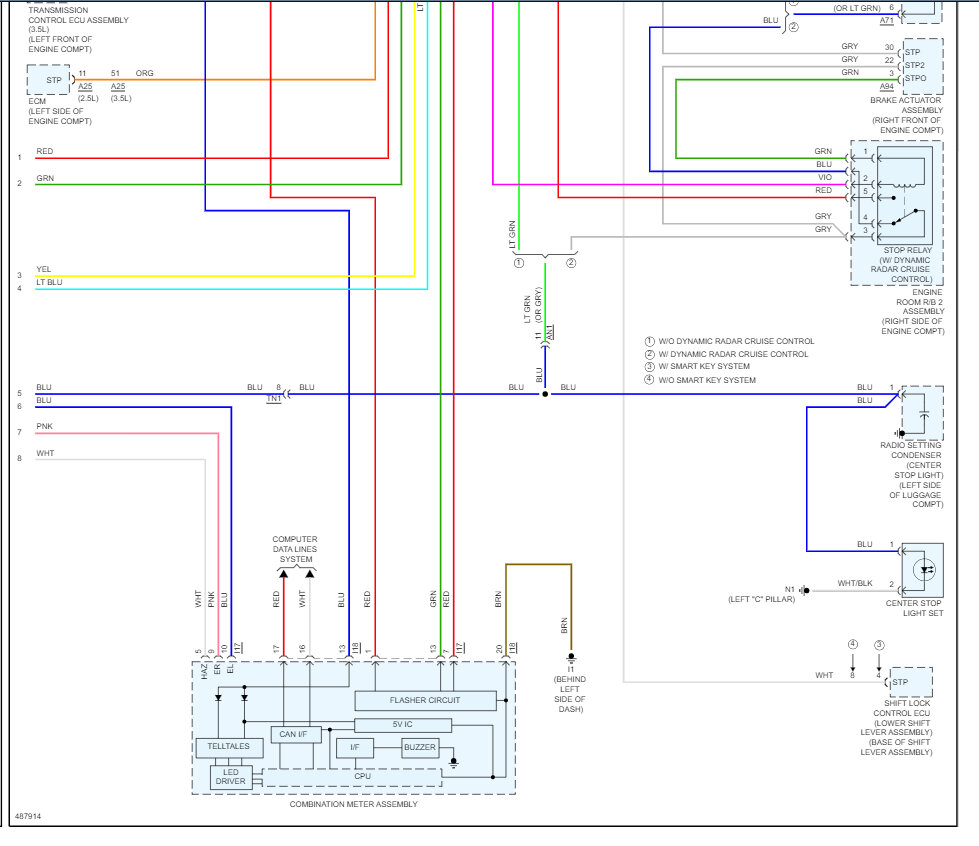
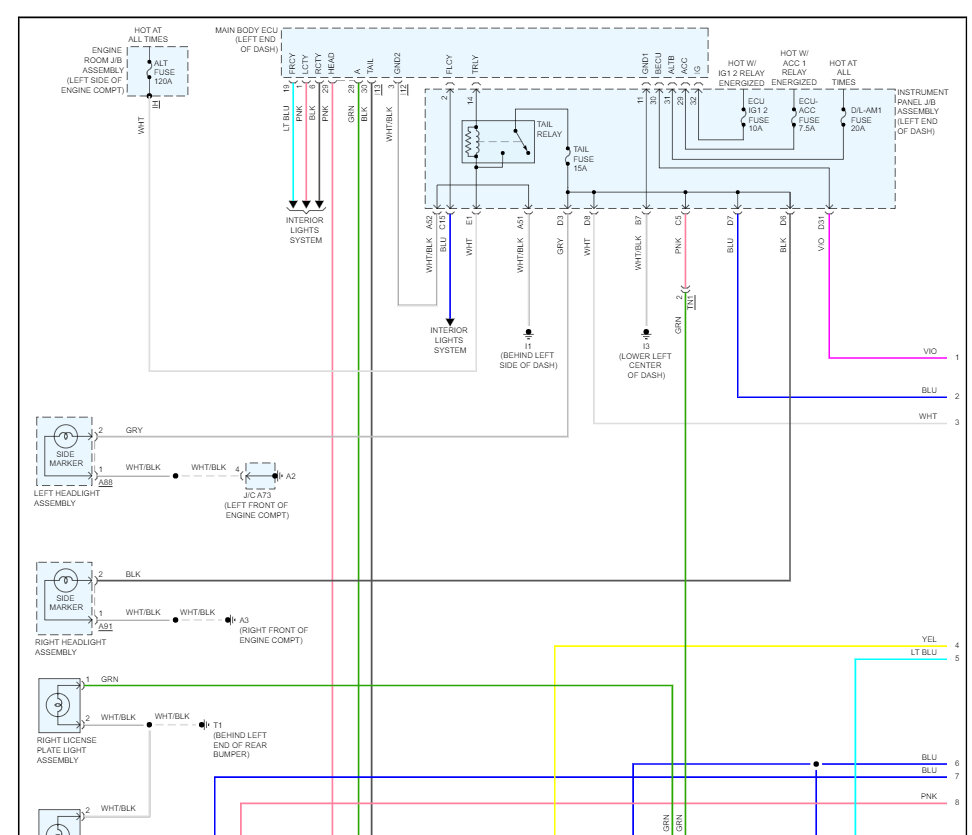
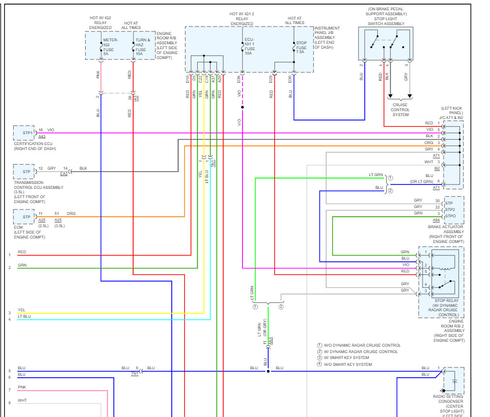
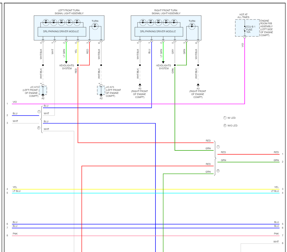
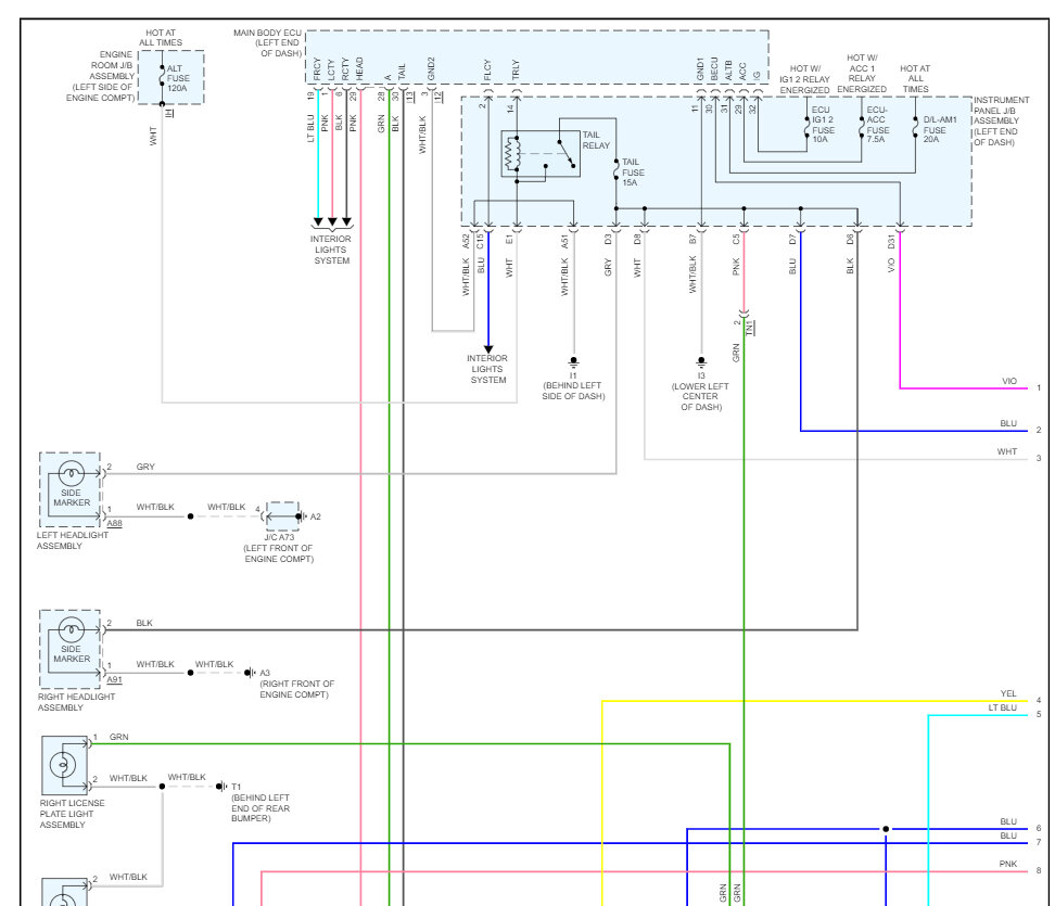
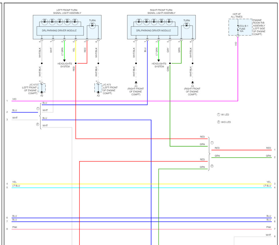
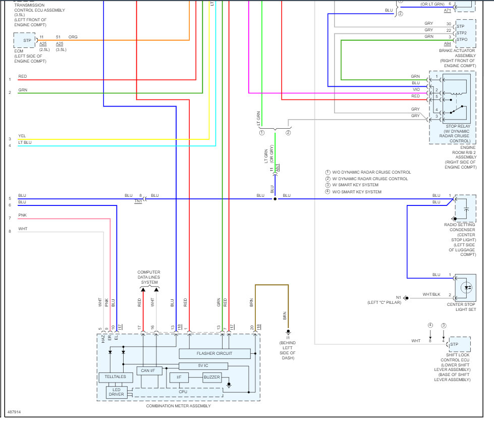
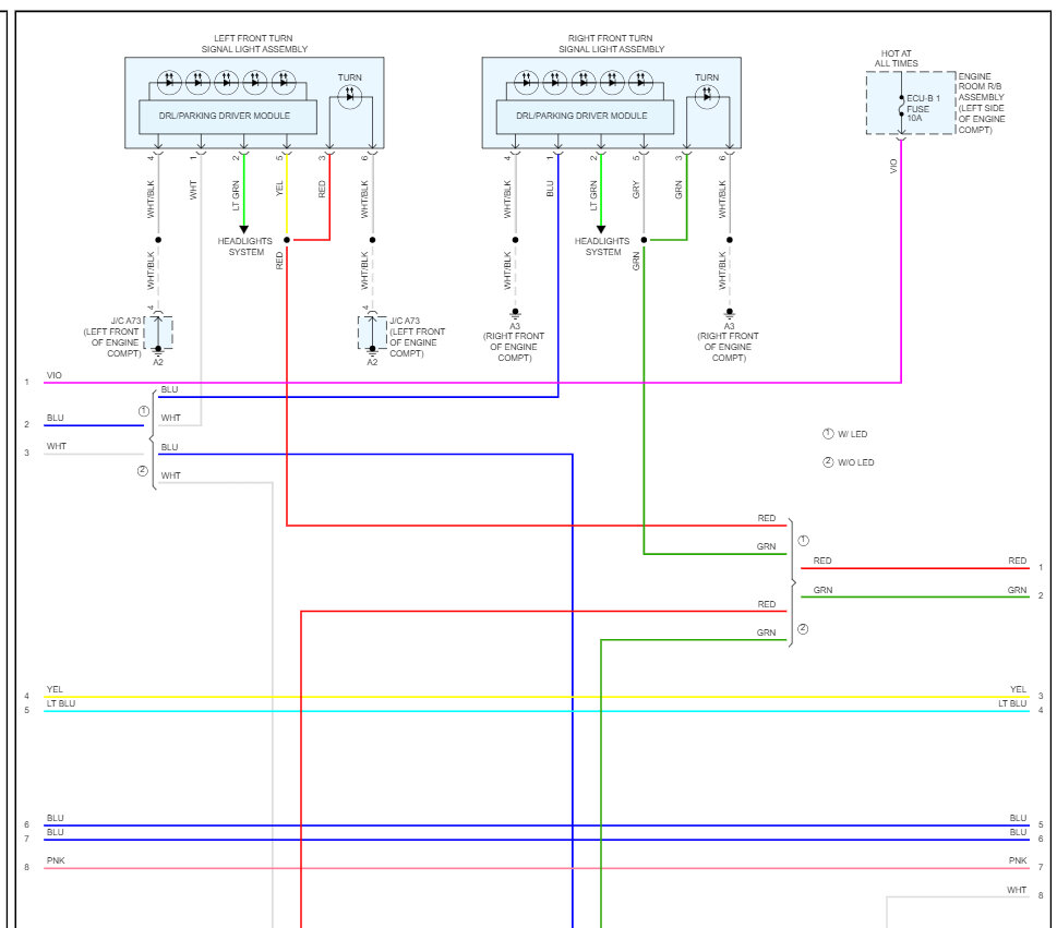
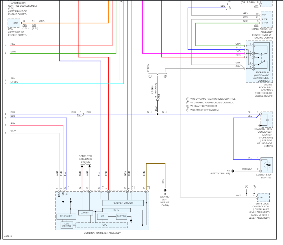
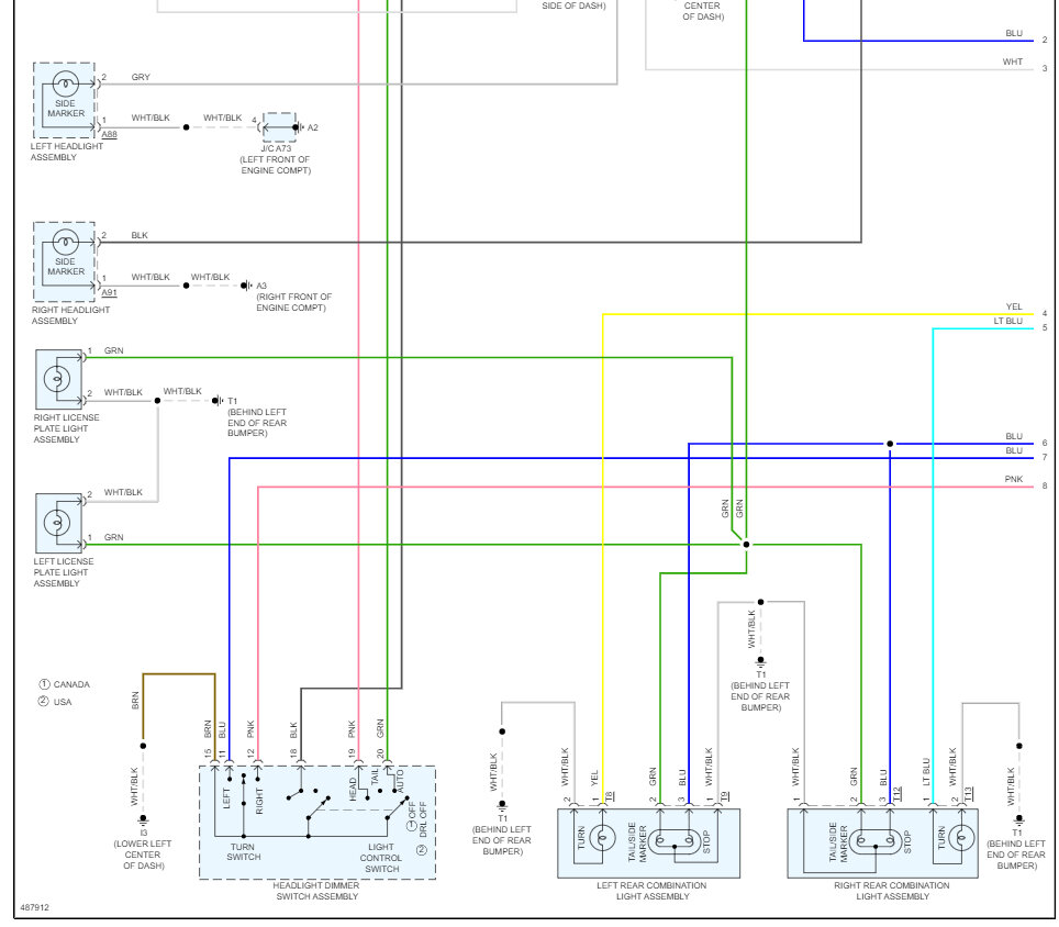
I have also included the location of the main body ECU, which is what I am leaning towards, and the exterior light wiring diagram so you can see how the system works. You can get a rebuilt unit that is preprogrammed by searching Google or eBay. Please let us know what happens.
Feb 16, 2023 at 12:08 PM