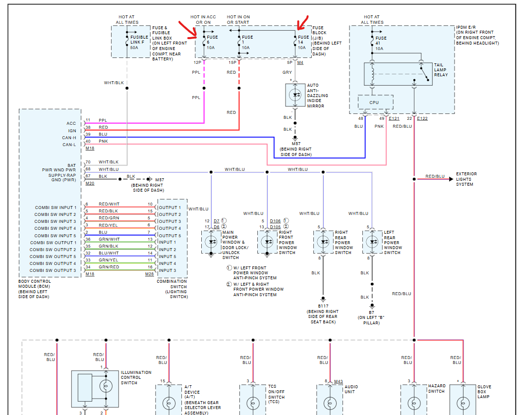
Could be the dimmer switch (AKA, "Illumination Control Switch") that burnt out or try messing around with it, sometimes it's just a bad contact.
Also, have someone help you check that your running lights are illuminating in your taillights.
-Start your car and make sure your
headlights are switched on, then either you
or have someone stand behind your
vehicle while the other presses the brake
pedal.
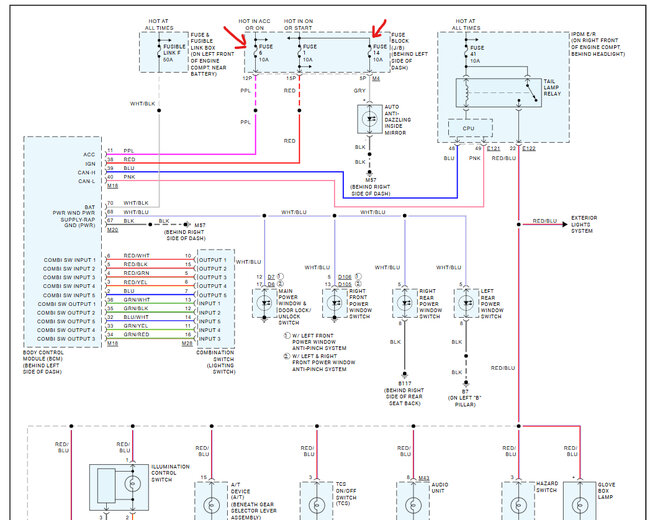
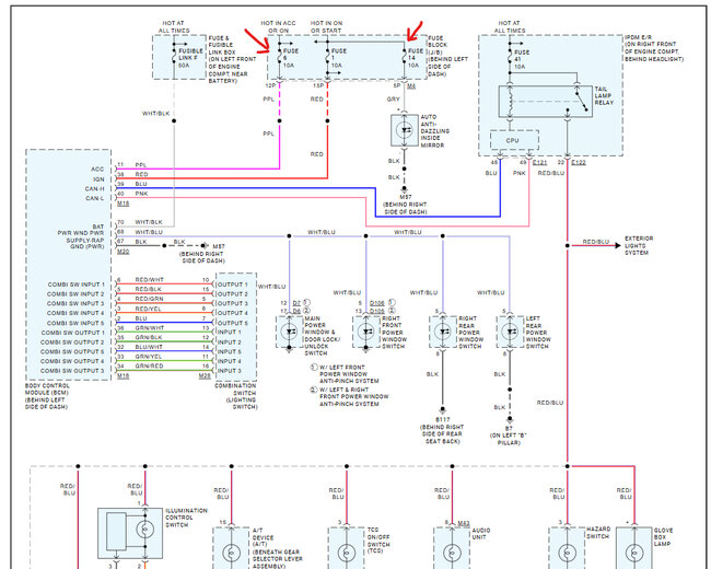
If the taillights aren't illuminating unless you're on the brakes, then also check the "Tail Lamp Relay" fuse. Should be located in the fuse box under the hood.
Apr 13, 2025 at 11:55 AM