All dash lights came on gauges stopped working, started then shut off

2000 CHEVROLET MALIBU
300,000 MILES • 3.1L • 6 CYL • 2WD • AUTOMATIC
Avatar
RONNY J.
  • MEMBER
  • 1 POST
Driving all dash lights came on. Gauges stopped working. It continued to run. Turned it off then no start. Starts for a couple of seconds then shuts off. Changed out ignition switch. Key lock switch. Did the anti-theft procedure. Changed out the camshaft sensor. Changed out BCM. Still same no start. When BCM was unplugged the dash lights remained on and car will still start and shut off the same as before. It made no connection to the BCM that was put in. Still showing the same mileage as the old BCM had in it. I'm at a loss now on what is wrong. Maybe the ECM now? I need help. Ronny J.
Feb 8, 2019 at 9:27 AM
Advertisement
Avatar
SCGRANTURISMO
  • CERTIFIED EXPERT
  • 4,897 POSTS
Hello,

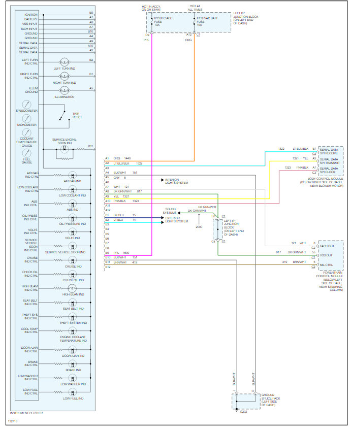
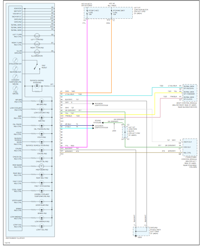
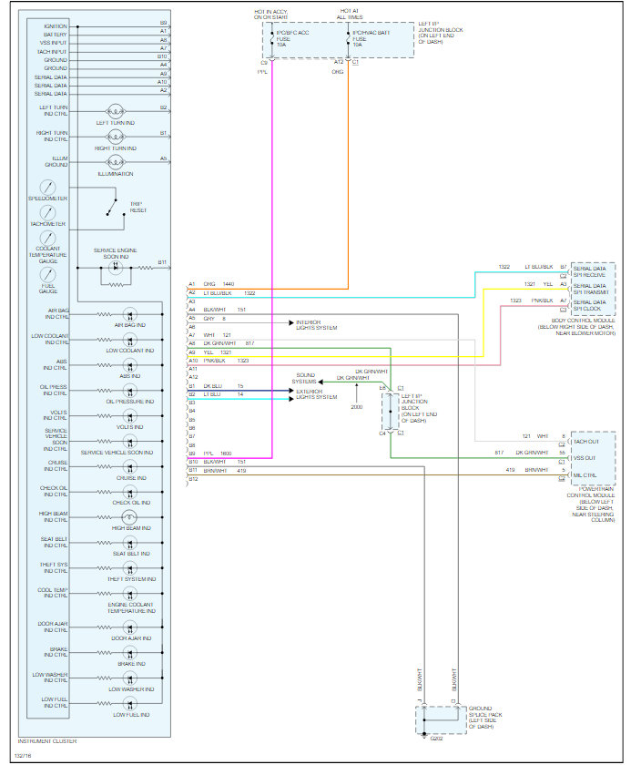
I have included in the diagrams down below a troubleshooting flowchart for your vehicles condition. I have also included wiring diagrams for the instrument cluster and the warning system. You might want to pay particular attention to the instructions about having to have replacement BCM programmed to have it work properly. I hope this helps out and let us know what you find out.

Thanks,
Alex
2CarPros
Feb 8, 2019 at 10:25 AM
Avatar
STRAILER
  • CERTIFIED EXPERT
  • 53,854 POSTS
If I can jump in here. it sounds more like the ignition switch was gone out, but to be sure let's use this guide to test through the switch and the wiring diagrams below to confirm the connections.

https://www.2carpros.com/articles/how-to-check-wiring

Check out the diagrams (bBelow). Please let us know what you find.
Feb 8, 2019 at 12:24 PM
Advertisement