alarm siren fuse?

2005 VOLVO XC90
144 MILES • 2.9L • 6 CYL • 4WD • AUTOMATIC
Avatar
VICTORY76
  • MEMBER
  • 27 POSTS
the vehicle is running well just the alarm siren work arm and sound when pushing the panic button, a message appears at the messages window saying the alarm system requires service. I can make sure where the fuse alarm is as I checked the side panel inside the vehicle, but I have just 13 fuses there some fuse diagrams show fuse # 28 also under the dashboard I disconnect the fuse counting from the left in that raw I need please some help and get the right fuses diagram for my vehicle listed above is a T6 2.9 turbo six cylinders.
Jan 9, 2023 at 3:21 PM
Advertisement
Avatar
STRAILER
  • CERTIFIED EXPERT
  • 53,854 POSTS
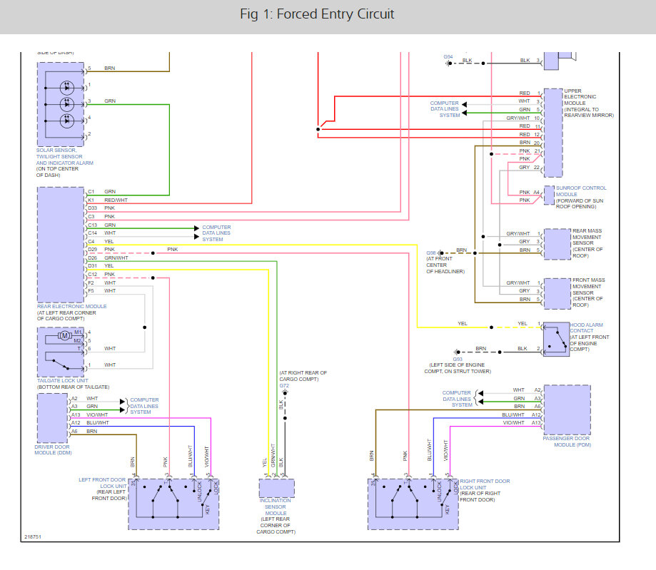
There are 5 fuses that run the system which are featured in the alarm system wiring diagrams below. here is a guide to help see how the system works and a guide to help you test the fuses:

https://www.2carpros.com/articles/how-to-check-a-car-fuse

Check out the images (below). Please let us know if you need anything else to get the problem fixed.
Jan 10, 2023 at 10:45 AM