Alarm causing parasitic battery drain?

2000 NISSAN MAXIMA
150,007 MILES • 3.0L • V6 • 2WD • AUTOMATIC
Avatar
DARRELL ANDREWS
  • MEMBER
  • 23 POSTS
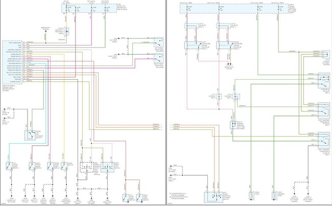
I have been dealing with this problem since I purchased this car. The dash cluster lights stay on without the key until the battery is disconnected. I've tested for drain and found that the short is somewhere in the factory alarm wiring. Do I have to test each wire individually? Also the horn constantly blows but I have the fuse out now. Any help and alarm wiring diagram would be greatly appreciated. Thank you in advance.
Aug 26, 2021 at 7:14 AM
Advertisement
Avatar
MASTER ASE TECH
  • CERTIFIED EXPERT
  • 82 POSTS
Hi, I'm Dan.

I've attached a wiring diagram for the anti theft system. Make sure it is a factory alarm. If it's an aftermarket alarm, try to remove it. Do you have the key fobs and do they work? Are they programmed to set and turn off the alarm/open the doors?

https://www.2carpros.com/articles/how-to-reset-a-security-system
Aug 26, 2021 at 11:12 AM
Avatar
DARRELL ANDREWS
  • MEMBER
  • 23 POSTS
They are aftermarket key fobs but they function and it is the factory alarm but there was an aftermarket alarm on it I forgot to mention. I removed this thinking it was the problem.
Aug 26, 2021 at 1:55 PM
Advertisement
Avatar
DARRELL ANDREWS
  • MEMBER
  • 23 POSTS
These t-taps were left over from the aftermarket alarm install by the previous owner. Should I remove these also?
Aug 26, 2021 at 7:26 PM
Avatar
MASTER ASE TECH
  • CERTIFIED EXPERT
  • 82 POSTS
The T-Taps should be ok to leave in. Usually they create a broken/open wire concern.
You may want to remove fuse #12 and #13 to see if that corrects the issue. If it does it could point you towards a faulty 'Smart Entrance Control Unit.'
Aug 27, 2021 at 10:27 AM
Avatar
DARRELL ANDREWS
  • MEMBER
  • 23 POSTS
Okay, I will try this and let you know what happens. Thanks again. I'm trying to learn my way around the wiring of vehicles.
Aug 27, 2021 at 10:53 AM
Avatar
ASEMASTER6371
  • CERTIFIED EXPERT
  • 52,796 POSTS
Good morning,


Those connectors have to go. They cannot stay. Those connectors are called scotch locks and they break wires to make contact. They are nothing but a headache.

They need to be removed and the wires connected with solder and shrink wrap to be sure you will not have further issues.

Roy
Aug 30, 2021 at 2:18 AM
Avatar
DARRELL ANDREWS
  • MEMBER
  • 23 POSTS
Okay, and removing the fuses did not work. I will remove the scotch locks today. There are more scotch locks on the ignition switch wiring, could this have been the problem all along?
Aug 30, 2021 at 3:50 AM
Avatar
ASEMASTER6371
  • CERTIFIED EXPERT
  • 52,796 POSTS
Yes, it could have been them all along.

Roy
Aug 30, 2021 at 4:46 AM
Avatar
DARRELL ANDREWS
  • MEMBER
  • 23 POSTS
Thank you and I will get to it as soon as possible and let you know the outcome.
Aug 30, 2021 at 5:33 AM
Avatar
ASEMASTER6371
  • CERTIFIED EXPERT
  • 52,796 POSTS
You are welcome.

Keep us updated.

Roy
Aug 30, 2021 at 4:38 PM
Avatar
DARRELL ANDREWS
  • MEMBER
  • 23 POSTS
Well, I haven't gotten around to it yet, been working like crazy, but now sometimes the lights go off as if there is no problems. I know I have to get to it. I love my lil work car.
Sep 3, 2021 at 11:43 AM
Avatar
JACOBANDNICKOLAS
  • CERTIFIED EXPERT
  • 110,175 POSTS
Hi,

I noticed it has been a few days since we made contact with you. I was just wondering if any progress has been made. We're interested in knowing.

Joe
Sep 5, 2021 at 7:00 PM
Avatar
DARRELL ANDREWS
  • MEMBER
  • 23 POSTS
I haven't gotten around to it yet, been working like crazy. I'm off this weekend so I'm going in on starting Friday evening.
Sep 5, 2021 at 7:09 PM
Avatar
JACOBANDNICKOLAS
  • CERTIFIED EXPERT
  • 110,175 POSTS
Hi,

Sounds good. We just want to make sure we are helping. If you have a chance, let us know if you resolve the issue. Also, let us know if you have other questions.

Take care,

Joe
Sep 5, 2021 at 8:00 PM
Avatar
DARRELL ANDREWS
  • MEMBER
  • 23 POSTS
Thank you and you guys are a big help.
Sep 5, 2021 at 8:12 PM
Avatar
ASEMASTER6371
  • CERTIFIED EXPERT
  • 52,796 POSTS
You are welcome.

We are always glad to help.

Roy
Sep 6, 2021 at 2:44 AM