After programming key-fob the alarm goes off and it will not start

2003 NISSAN PATHFINDER
191,000 MILES • 0.6L • V6 • 4WD
Avatar
PJMCGEE2010
  • MEMBER
  • 2 POSTS
I programmed a key-fob. After I programmed it came across a problem that it did not work all the time and had to enter the car by the key but then alarm went off. The only way to shut the alarm off was to disconnect the battery, but when I connected the battery back up the immobilizer would not let me start the vehicle. Now I am afraid to lock the doors.
May 3, 2018 at 3:05 PM
Advertisement
Avatar
STRAILER
  • CERTIFIED EXPERT
  • 53,854 POSTS
Did the new fob work for a while and then the system started having this problem? Because it sounds like you have a drivers side door latch that has gone out.

Let us know. Cheers, Ken
May 6, 2018 at 12:04 PM
Avatar
PJMCGEE2010
  • MEMBER
  • 2 POSTS
Was working for awhile then stopped and programmed another key-fob and still doing same thing. Sometimes it would work and then would stop. I do have a valet switch but did not shut the alarm off.
May 7, 2018 at 12:25 PM
Advertisement
Avatar
STEVE W.
  • CERTIFIED EXPERT
  • 15,113 POSTS
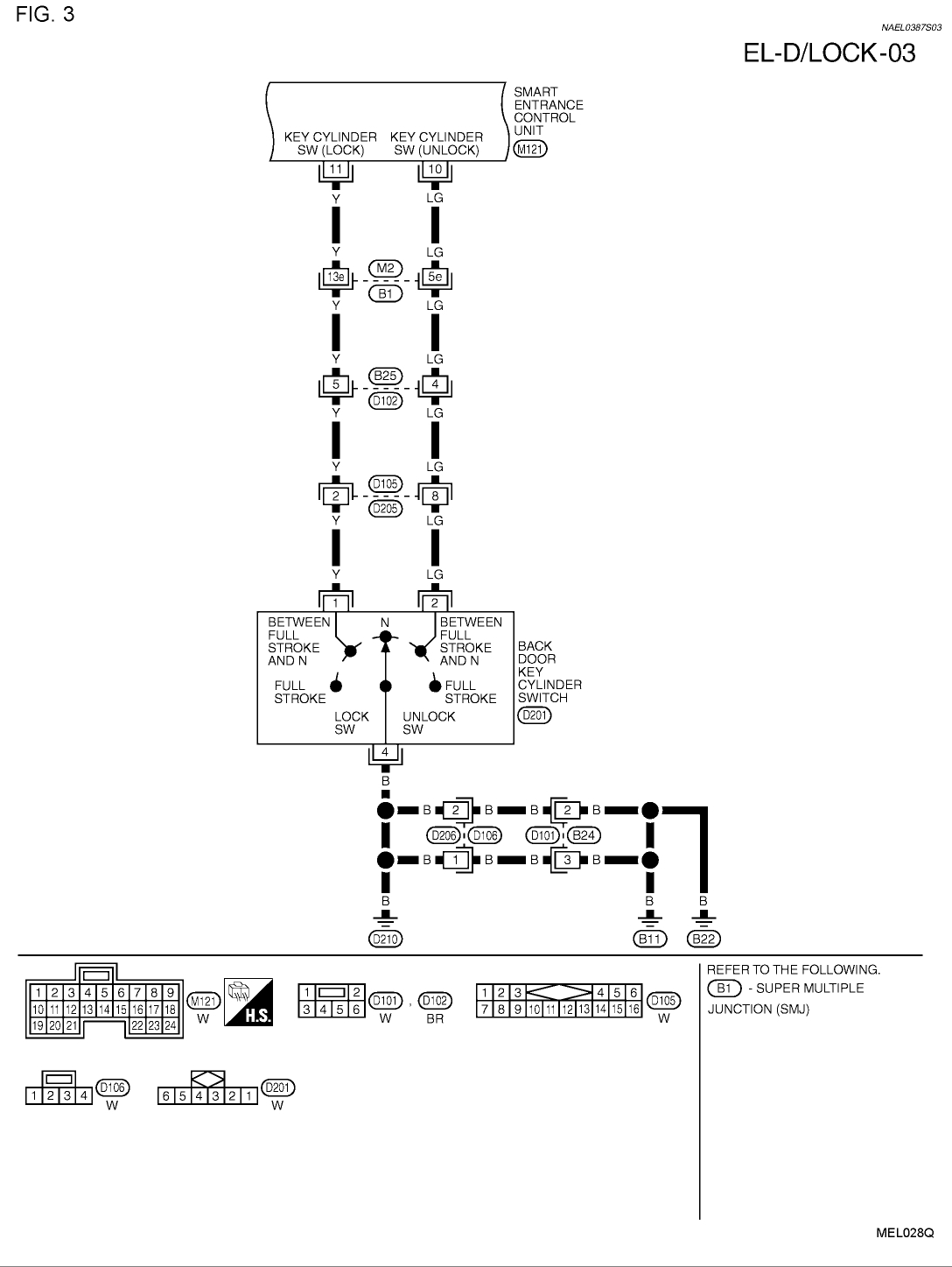
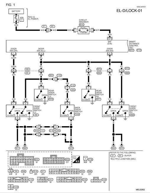
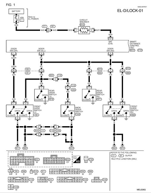
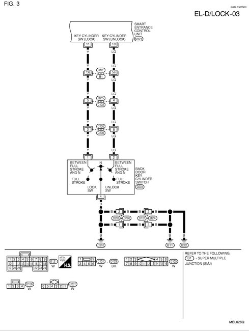
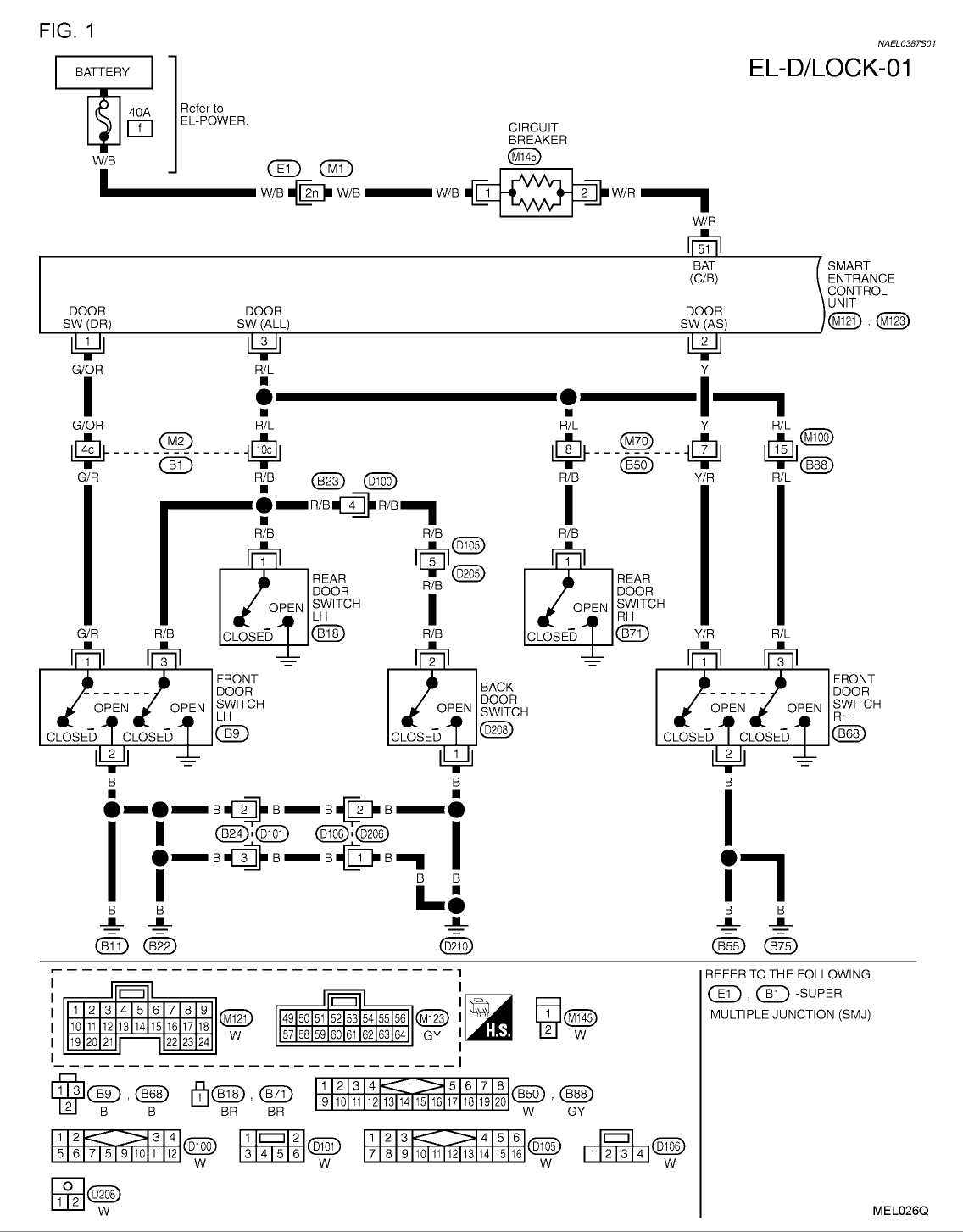
That sounds like either the door latch switches are not operating correctly (the car does not think the door is closed and latched) or the wiring between the A pillar and the door has a broken wire(s) that go to the door latch/lock system. Either one could cause the alarm to go off because the car is not reading the key as a known valid piece.

If you have access to a dealer level scan tool you can watch the switches and the alarm as the key is used and see if it is/is not reading the key or if it is because the door latch switch is not operating as it would show open/closed. However, you could scan it and show it is working and it could fail like it does now as it sounds like it can be intermittent. Sort of a catch 22.

I would start with the wiring myself as it is a common issue on many vehicles because of the way the wires flex as the door moves. You basically remove the rubber boot at both ends between the door and body and look for damaged/broken wires. A common issue is that the wire will break inside the insulation and look fine. Those can be hard to spot.


May 8, 2018 at 9:39 AM