I ran really low on diesel just over a week ago and parked up for a few hours on the driveway, when I went to start it up to go for fuel it wouldn't start.
I filled up from a can (about £15) and tried to start it up, but it wouldn't.
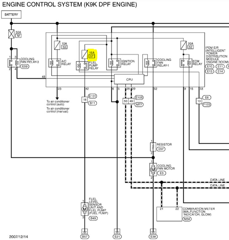
I am since aware that it should have been primed first which I didn't do.
A new in-tank fuel pump was suggested and so this has been changed.
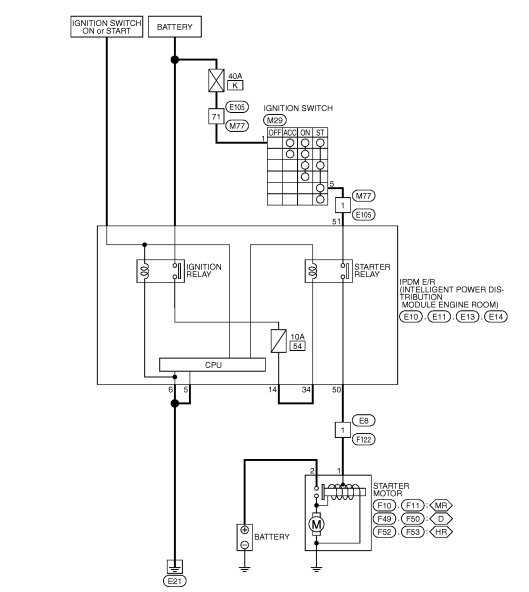
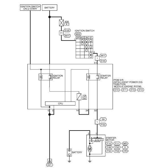
The hand primer doesn't go hard at all when it is pumped and now the car won't even crank at all.
Wondering if it's an airlock or if further damage seems to have done?
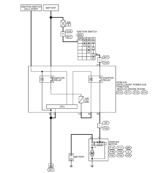
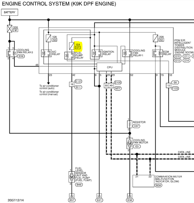
It's a Nissan Qashqai 1.5 dci. 2009.
I filled up from a can (about £15) and tried to start it up, but it wouldn't.
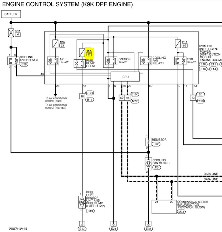
I am since aware that it should have been primed first which I didn't do.
A new in-tank fuel pump was suggested and so this has been changed.
The hand primer doesn't go hard at all when it is pumped and now the car won't even crank at all.
Wondering if it's an airlock or if further damage seems to have done?
It's a Nissan Qashqai 1.5 dci. 2009.
Jun 28, 2023 at 6:07 AM


