Air condition system is not cooling?

2002 HONDA TORNEO
90,000 MILES • 4 CYL • 2WD • AUTOMATIC
Avatar
ABRAM BUTLER
  • MEMBER
  • 14 POSTS
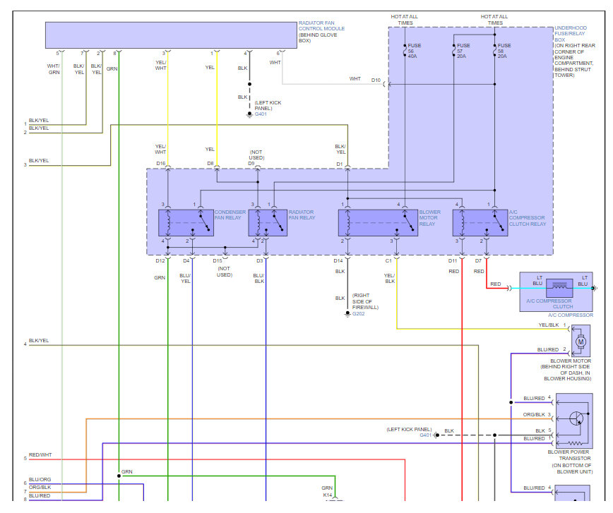
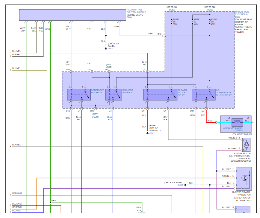
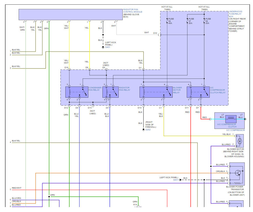
Compressor resistance is 5.1 ohms and engages when direct power is applied. Radiator and condenser fans are working. Assistance with a wiring diagram is much appreciated. Respects!
Jul 19, 2023 at 9:10 AM
Advertisement
Avatar
STRAILER
  • CERTIFIED EXPERT
  • 53,854 POSTS
Sure, here are the A/C system wiring diagrams as requested. Here is a guide to help you with the testing as well:

https://www.2carpros.com/articles/how-to-check-wiring

This guide to help as well:

https://www.2carpros.com/articles/car-air-conditioner-not-working-or-is-weak

Check out the images (below). Please let us know what happens.


Jul 20, 2023 at 11:48 AM