The air conditioning (A/C) is not working?

2005 VOLKSWAGEN GOLF
125,000 MILES • 1.6L • 4 CYL • 2WD • AUTOMATIC
Avatar
RAJ SUNDAR
  • MEMBER
  • 42 POSTS
I have an automatic Golf FSI 2005. I'm not sure if it has a 1.6L or 2.0L engine, but since it’s not turbocharged, I assume it has a 1.6L engine.

The air conditioning (A/C) is not working. I’m uncertain whether the compressor has a clutch because there is a control valve connected to the back of the compressor with two wires, and I don't see any other wiring connections. When I turn on the ignition switch, I measure around 5V on one of the wires. I can see the high-side pressure switch, but I cannot locate the low-side switch.

There was very little refrigerant gas in the system. I safely evacuated and recharged it with Hychill Minus 30 after confirming there were no leaks during the vacuum process. However, the compressor did not engage, and I observed 80 psi on both the high and low sides. Additionally, the refrigerant paused halfway while entering the system.

I would greatly appreciate your assistance in troubleshooting the issue. Additionally, please provide the wiring diagram for the A/C, as well as the locations of the relays and fuses.
Nov 18, 2024 at 1:04 PM
Advertisement
Avatar
STRAILER
  • CERTIFIED EXPERT
  • 53,854 POSTS
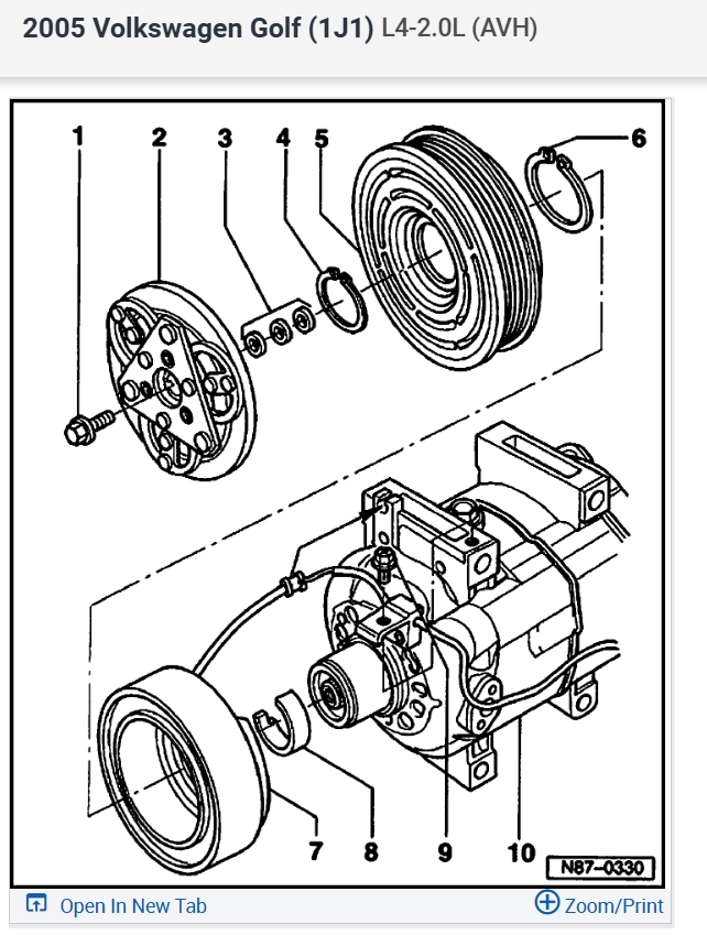
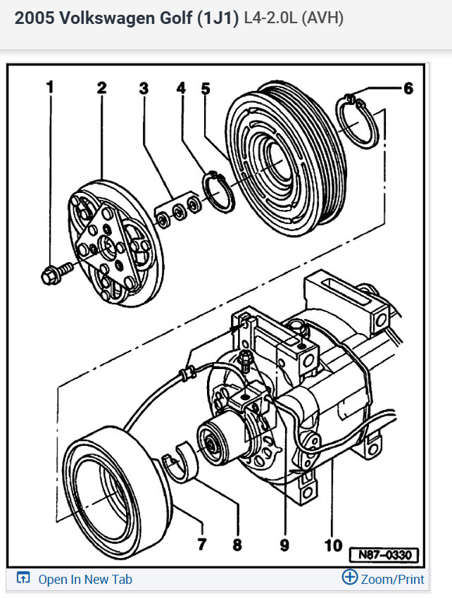
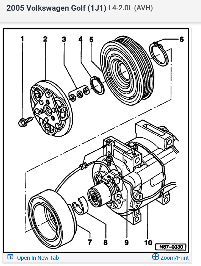
Yes, if the system does not run it can't be filled completely. It shows this car having an external compressor clutch? Please check the diagrams below and confirm. Also, here is a guide to help us as well:

https://www.2carpros.com/articles/car-air-conditioner-not-working-or-is-weak

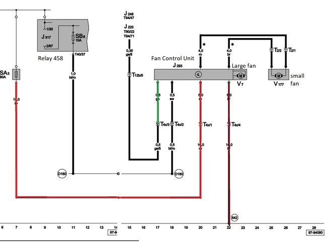
Here are the A/C system wiring diagrams which show the fuses that you need to check with the key on:

https://www.2carpros.com/articles/how-to-check-a-car-fuse

Check out the images (below). Please upload pictures or videos in your response of any problems so we can see what to help you with.
Nov 18, 2024 at 5:07 PM
Avatar
RAJ SUNDAR
  • MEMBER
  • 42 POSTS
Thank you, Ken, for your reply and the diagram.

I noticed that the compressor control valve is not included in the diagram, although the clutch is present. I couldn't find any wiring for the clutch if it exists. I believe my compressor is a clutch less variable displacement piston type with a solenoid valve at the back. Please take a look at the attached picture of the label on the compressor.

It seems that the diagram is for the 2.0L models. I would greatly appreciate it if you could provide me with a diagram for the 1.6L FSI model.

Additionally, the A/C fan is not turning on when both the A/C switch and the blower are activated.

I look forward to your prompt reply. Thank you!
Nov 19, 2024 at 4:44 AM
Advertisement
Avatar
STRAILER
  • CERTIFIED EXPERT
  • 53,854 POSTS
Can you please upload an image of the front of the compressor? I checked the 2006 diesel model as well and it says it has a clutch?
Nov 19, 2024 at 10:18 AM
Avatar
RAJ SUNDAR
  • MEMBER
  • 42 POSTS
Please see the attached pictures. The first image shows the existing compressor, while the others display a new compressor compatible with part number 1K0 820 803 L.
Nov 19, 2024 at 9:03 PM
Avatar
RAJ SUNDAR
  • MEMBER
  • 42 POSTS
I see a label with "BLX" on the timing cover. If that refers to the engine, then this model has a capacity of 2 liters.
Nov 19, 2024 at 9:07 PM
Avatar
RAJ SUNDAR
  • MEMBER
  • 42 POSTS
It is now confirmed that the engine is a 2L FSI, as per a label inside the boot.
Nov 19, 2024 at 10:12 PM
Avatar
STRAILER
  • CERTIFIED EXPERT
  • 53,854 POSTS
Yep, this is an internal valve compressor. Can I ask if this is a euro car?
Nov 21, 2024 at 10:10 AM
Avatar
RAJ SUNDAR
  • MEMBER
  • 42 POSTS
Yes, Ken, this is a European car designed for Australia. Unlike Japanese cars, the indicator switch is to the left of the steering wheel, while the wiper switch is on the right. It is a right-hand drive vehicle.
Nov 21, 2024 at 5:37 PM
Avatar
STRAILER
  • CERTIFIED EXPERT
  • 53,854 POSTS
Yep, it makes sense. No worries let's connect an AC gauge set on the high and low side to see if the system kicks on or not.

This video can help you:

https://www.youtube.com/watch?v=4EqdrBVb0sY&t

Please let me know what the pressure is with the system on full cold. Also, in the fuse panel images it seems like many fuses are missing?
Nov 22, 2024 at 12:08 PM
Avatar
RAJ SUNDAR
  • MEMBER
  • 42 POSTS
Thanks, Ken, for your reply.

I observed a pressure of 80 psi on both the high and low sides of the system. Additionally, the refrigerant paused halfway while entering the system because the compressor didn't kick on. I measured the voltage at the high-pressure sender connector and found a supply of 12V. The voltage at the compressor regulate valve connector is 8V. I suspect that this valve may be faulty. I evacuated the refrigerant to remove the valve from the compressor.

Is there a way to test this solenoid valve? Please let me know.
Nov 23, 2024 at 4:38 AM
Avatar
RAJ SUNDAR
  • MEMBER
  • 42 POSTS
Please see the image of the valve.
Nov 23, 2024 at 4:43 AM
Avatar
STRAILER
  • CERTIFIED EXPERT
  • 53,854 POSTS
How many wires go into the valve?
Nov 23, 2024 at 9:49 AM
Avatar
RAJ SUNDAR
  • MEMBER
  • 42 POSTS
Two wires.
Nov 23, 2024 at 4:24 PM
Avatar
STRAILER
  • CERTIFIED EXPERT
  • 53,854 POSTS
You should be able to put 12 volts (power and ground) to it and hear it click. Let me know.
Nov 24, 2024 at 11:07 AM
Avatar
RAJ SUNDAR
  • MEMBER
  • 42 POSTS
I have detached the compressor from the engine, but the hoses are still connected. I performed a bench test on the solenoid, and it clicks when 12 volts are applied and shows a resistance of 11 ohms.

I can feel air flowing out when I blow into the valve, and even with 12 volts applied, I can still hear air escaping, but not as strongly as before. I suspect that the valve is not closing properly fully.
Nov 24, 2024 at 6:38 PM
Avatar
STRAILER
  • CERTIFIED EXPERT
  • 53,854 POSTS
Yep, you can be right about that but the valve probably does not close all the way, it controls the flow of the refrigerant not to close of the compressor completely.
Nov 25, 2024 at 9:24 AM
Avatar
RAJ SUNDAR
  • MEMBER
  • 42 POSTS
Can I rule out a faulty valve and troubleshoot the smaller fan behind the radiator, which I believe is meant for the air conditioning, since it doesn't spin when the AC switch is on?
Nov 25, 2024 at 10:34 AM
Avatar
STRAILER
  • CERTIFIED EXPERT
  • 53,854 POSTS
Yes that should come on with the AC, did you go over the guide I posted in the first response?
Nov 26, 2024 at 10:30 AM
Avatar
RAJ SUNDAR
  • MEMBER
  • 42 POSTS
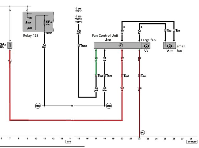
I bench-tested the radiator fans. When I applied 12 volts to the red and black wires with the brown wire grounded, both fans started spinning. If I grounded the green wire as well, the fans continued to spin.

However, when I connected the fans to the vehicle, they did not spin. I disconnected the connectors and made the connections as shown in the picture below, but there was still no movement. Interestingly, when I disconnected the green wire, both fans began to spin again and stopped once the green wire was reconnected.

In the vehicle's wiring harness, the red wire has 12 volts at all times. The black wire has 12 volts only when the ignition switch is on, regardless of whether the AC switch is on or off. I also noticed that the 458 relay is hot.

Doesn’t the green wire get disconnected somewhere else when the AC switch is turned on? Can I conclude that the fans and the fan control unit are functioning properly?

Do you think the problem lies within the AC control unit?


Nov 28, 2024 at 10:05 PM