Airbag light stays on

2001 DODGE INTREPID
93,000 MILES • 2.7L • V6 • 2WD • AUTOMATIC
Avatar
TIM60
  • MEMBER
  • 1 POST
I checked the radio, the heat and A/C, the horn, the cruise control, the turn signals, the windows all are operating normally, but the airbag light stays on. This is an SRS system and there are no side airbags. I don't see or feel any wires going to the seats except for the wires to the drivers electric seat position switches. Any suggestions?
Mar 25, 2020 at 7:53 AM
Advertisement
Avatar
ASEMASTER6371
  • CERTIFIED EXPERT
  • 52,796 POSTS
Good morning,

there is a fault code set for this issue. You need to have the code read as it will narrow the area of failure with the code.

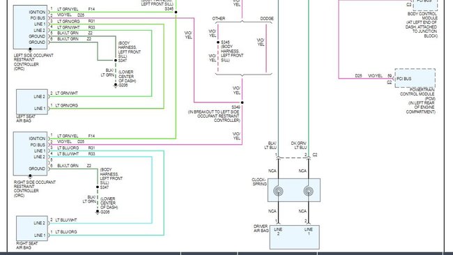
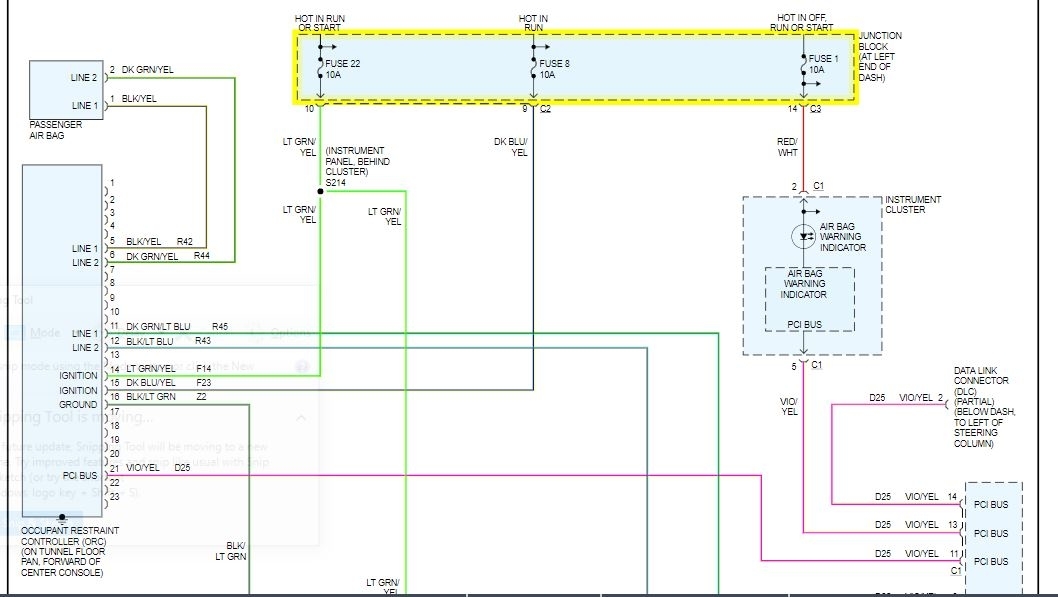
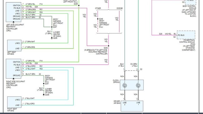
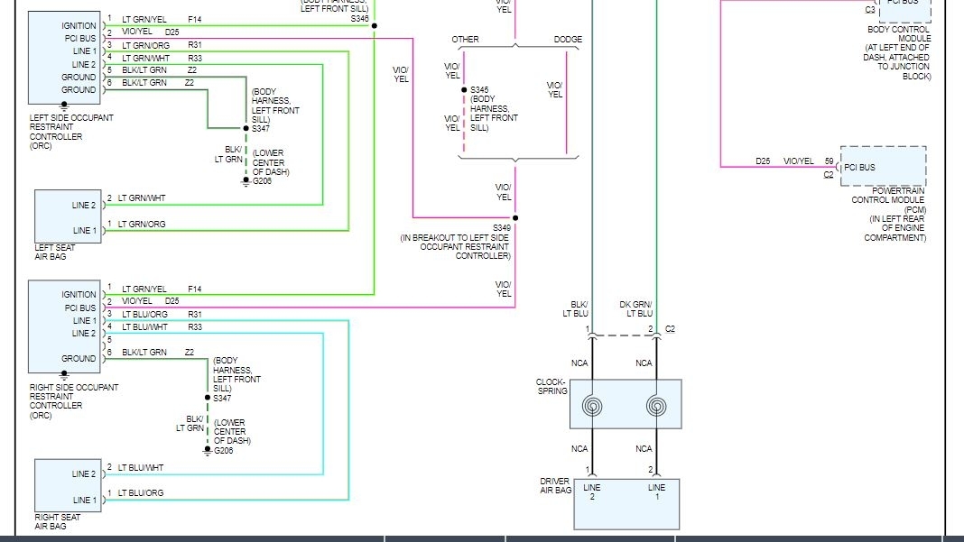
I attached a wire diagram for you. Make sure you have power on both sides of the fuses with the key on.

https://www.2carpros.com/articles/how-to-check-a-car-fuse

Roy

Mar 25, 2020 at 8:12 AM
Avatar
SCGRANTURISMO
  • CERTIFIED EXPERT
  • 4,897 POSTS
Hello,

In the diagrams down below I have included the airbag light illuminated diagnostic troubleshooting guide for your vehicle. Please go through this guide and get back to us with what you find out.

Thanks,
Alex
2CarPros
Mar 25, 2020 at 8:12 AM
Advertisement