AirBag light always on

1998 PLYMOUTH VOYAGER
77,050 MILES • 3.0L • 6 CYL • 2WD • AUTOMATIC
Avatar
VORLON
  • MEMBER
  • 9 POSTS
Hello Guys and Gals,

I have a question I have an airbag light always on in the van.
I just had dealer replace clock spring on warranty hoping light would go out as that is normally the cause.
Horn works now that clock spring is replaced which is good.

But they could not reset the airbag light/code.
I asked for error and was told no.

I don't want to go buy a reader just to find error code.
disconnecting battery for over 12 hours also did not fix the issue.

Is there another simple item that could be causing the problem?

I will add as a side note that when horn quit working the airbag light would flicker for about 2 weeks before it turned on solid. It was just 2 weeks ago clock spring was replaced under warranty. But the light had been on solid for almost a full year.

Thanks in advance.
Vor
Mar 20, 2020 at 12:20 PM
Advertisement
Avatar
KASEKENNY
  • CERTIFIED EXPERT
  • 18,907 POSTS
This could be a number of things but depending on the law in your region, they cannot refuse to give you the info on your vehicle. Clearly they are doing it because they don't want you to take it elsewhere or do the work yourself but if the vehicle is under warranty and they have been paid to perform the work on your vehicle then they are required to provide that detail.

The reason we need the codes is because this issue could be a number of things. Did they not even provide an estimate to repair the light and what parts it needed?

I agree that buying a code reader in this case should not be needed. If you do, just make sure it can read airbag and ABS codes. Some cannot and you will need that to get these codes.
Mar 20, 2020 at 12:48 PM
Avatar
VORLON
  • MEMBER
  • 9 POSTS
Hello,

Thanks for fast reply to my question.
Since the clock spring was done totally under warranty as in Canada Recalls never expire.
They said they would have to troubleshoot airbag issue and it would cost over $500.00 or higher. They said it's $175.00 and hour and would take several hours just to troubleshoot.

Then there would be extra cost for labor and parts to fix the issue if found.

I found some sites today giving suggestions to others with similar problems.
From what i read it seems each seat has a yellow connector as part of airbag system.
And it seems it gets pulled apart sometimes or get corroded.
Some say it could also be the seat belt sensor.

I am worried if I unplug cables to check for corrosion that the airbag(s) might go off.
I guess I could disconnect battery again and then check the connectors and for corrosion.

Thanks in advance.
Vor
Mar 20, 2020 at 1:42 PM
Advertisement
Avatar
KASEKENNY
  • CERTIFIED EXPERT
  • 18,907 POSTS
Oh. I am on the same page as you now. That is correct then.

Yes. Do not unhook anything on the airbag system with the battery still connected. You can check for corrosion in this connector and it is a good place to start but if you don't find anything then we will need to get codes.

Since you are in Canada you can call around to some local parts stores and see if their tools can pull these codes. If they can, then most of them will pull them free of charge just like they do here in the States.

Let me know if you get the code and we will be able to figure this out for sure.
Mar 20, 2020 at 1:59 PM
Avatar
VORLON
  • MEMBER
  • 9 POSTS
Hello Kasekenny1,

Thanks for letting me know.
In the mail today I got an old book for the van and its called "Body Diagnostic Procedures" though my knowledge sucks.
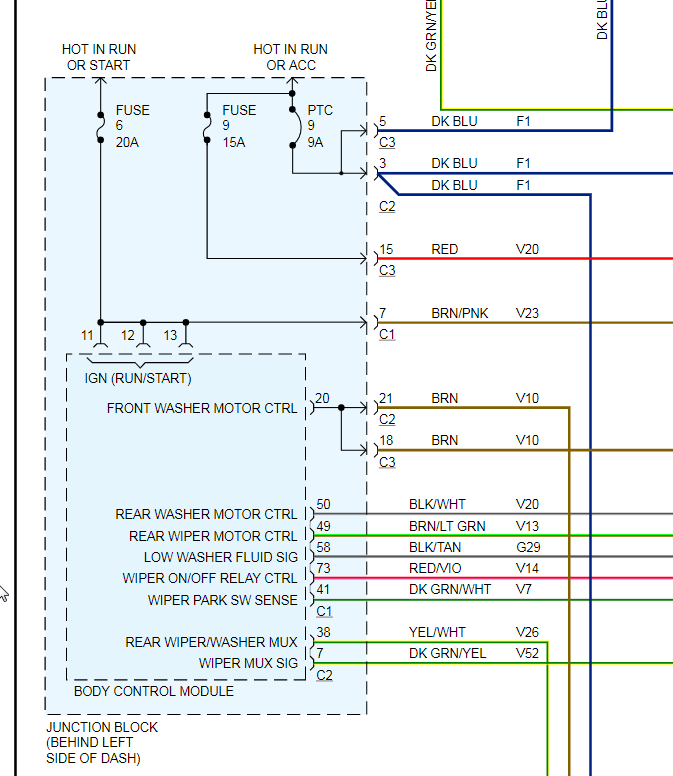
I did find another possible cause which is on the van it seems rear wiper and airbag circuits partially share the same fuse under the hood.

Found a cheap reader on Amazon so if I cant find a garage to read codes for cheap.

On weekend I will disconnect battery again and let it sit for 20 minutes and then check the connectors under seats. I will also pull the fuse and test it with a meter to confirm it all works correctly.

Thanks,
Vor

Mar 20, 2020 at 2:06 PM
Avatar
KASEKENNY
  • CERTIFIED EXPERT
  • 18,907 POSTS
I assume you are talking about fuse 6? If this what you are seeing and the airbag light is on then this would not be an issue. This fuse only feeds the actual indicator lamp for the airbag. You can see the fuse also feeds the rear wiper motor but since the light is on, the fuse is okay.

Unfortunately the code is going to be needed if that connector is okay. We are just going to be guessing at what the issue is and that can get very costly, timely, and frustrating.

I would try to track down a parts store that pulls codes because they will do it for free. Once we have the actual code we can figure out what the issue is or at least determine if it is something you want to try and tackle yourself.

Thanks
Mar 20, 2020 at 2:19 PM
Avatar
VORLON
  • MEMBER
  • 9 POSTS
Hello Guys and Gals,

Sorry for the late response but been very busy with doctors.

So my airbag light is still on solid.
Took van to dealer who replaced clock spring and now horn works.
But Airbag Light still on.
Finally got van obd2 scan and it fails.
Several places tried to read obd but can't but obd devices do get power to readers.

Was told it will cost $1,000.00+ to troubleshoot obd and then find airbag issue.

So I have been reading lots online and read a fuse or two may be blown.
I also read if rear wiper was dead it could also be a fuse. Lucky the read wiper works.

So I am unsure of what to do next since I don't have money for spending.
Is it safe to pull out one fuse at a time to see if any are blown and could that trigger the airbag to deploy?

Also how could i test the main fuses in the PDC under the hood? And should I disconnect power before pulling them?


Thanks in advance.
Vor


Sep 17, 2021 at 12:15 PM
Avatar
KASEKENNY
  • CERTIFIED EXPERT
  • 18,907 POSTS
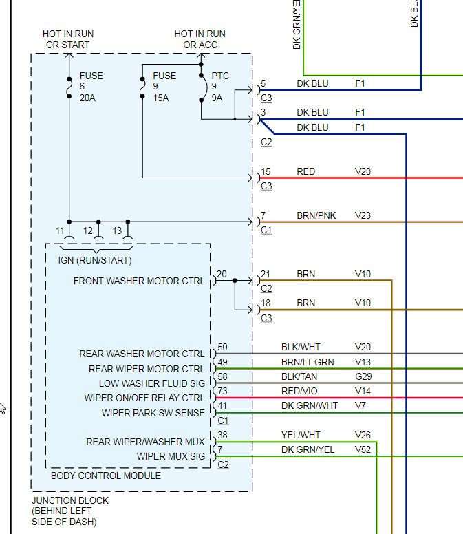
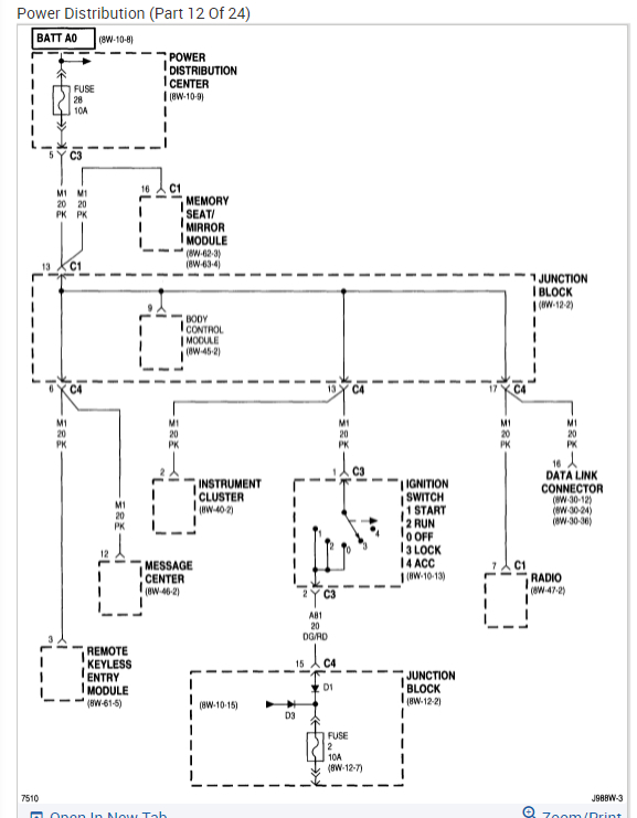
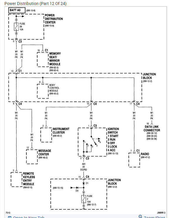
The PDC is on the left side (driver) of the engine bay and you are looking for fuse 28.

This diagram below does not show 28 but it will be on your fuse block under number 27.

You are correct that the if the wipers work then fuse 19 is ok which feeds this fuse but that does not mean fuse 28 on your vehicle is okay.

https://www.2carpros.com/articles/how-to-check-a-car-fuse

So let's start with checking the voltage with the key on at the DLC.

https://www.2carpros.com/articles/how-to-check-wiring

https://www.2carpros.com/articles/how-to-use-a-voltmeter

Put the meter on pin 16 and 4 and your meter should read 12 volts.

If it does not then you have a fuse, wire or ground issue.

So let's start with this and then find out were to go from there.
Sep 17, 2021 at 2:21 PM
Avatar
VORLON
  • MEMBER
  • 9 POSTS
Hello,

Thanks for quick response to my post.

I have more of an update for you.
Seems the computer is not detected if van is not running.
So after going to a garage again and a quick free scan I was given that fault.

It is driver squib is open message.

The clock spring was replaced by the dealer under lifetime warranty and the issue still exists. Horn works as i said in my last message.

So knowing that could it be a blown fuse causing the "open driver squib " message?




Edit: So found manual online and see some pages about the Driver Squib.
8W-80-61 , 8W-43-2 with main section seeming to be 8W-43.




Thanks
Vor
Sep 18, 2021 at 5:04 PM
Avatar
KASEKENNY
  • CERTIFIED EXPERT
  • 18,907 POSTS
Okay. This is more than likely a module or squib itself issue.

Do you have the code they gave you? That will tell us what testing we need to do.

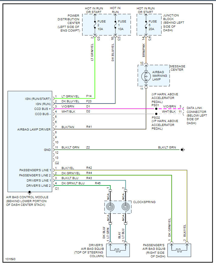
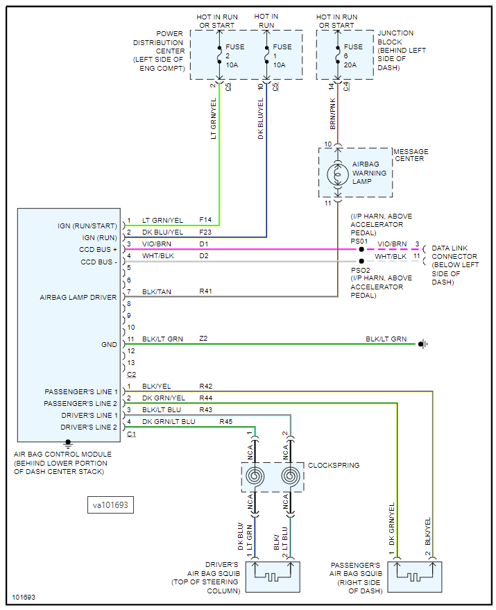
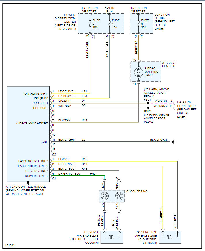
However, if you look at this wiring diagram which will probably be similar to the one you are looking at, you will see there is no fuse directly to the squib.

These are run through the module as that will completely control the operation.

So for you to have a code for a squib circuit means there is an issue from the module to the squib.

So let's get the actual code and then we will have some testing to do.

If it is the driver squib then there is a chance that the clock spring is the issue or the connector was not fully seated as this one runs through the clock spring.

Let us know. Thanks
Sep 18, 2021 at 6:26 PM
Avatar
VORLON
  • MEMBER
  • 9 POSTS
Hello,

I got back from the garage and after paying another 20 to him he scanned and I took a picture of the screen.
He has some small handheld device.

Here is the image of the code screen.

Thanks
Vor
Sep 19, 2021 at 12:05 PM
Avatar
KASEKENNY
  • CERTIFIED EXPERT
  • 18,907 POSTS
Okay. Perfect. The circuit open DTC is by far an issue with the squib itself.

However, there are a number of other things like a loose connector like I was mentioning earlier.

Basically what this is saying is the module is not seeing a complete circuit from the module to the squib and back to the module.

So we have a connector, wiring, or squib issue.

The fact that the clock spring was just replaced, it is possible that something was left loose so I would not just replace the squib. However, you can run through this testing and confirm what the issue is.

Here is a guide that will help with this type of testing:

https://www.2carpros.com/articles/how-to-use-a-voltmeter

Thanks
Sep 19, 2021 at 4:30 PM
Avatar
VORLON
  • MEMBER
  • 9 POSTS
Hello,

Thanks for all the help and the fast replies.
I can work with Multi-Meter so that should be easy part.

I need to know when I disconnect battery and want to test the line do I have to pull the steering wheel to access the squib connector?
Or can I access it from the steering column shroud? (The little covers below the steering wheel).

I don't have access to a puller which is why I ask.

2nd and dumber question: If steering wheel needs to be pulled can I test the line without disconnecting the connector from Clock spring/airbag? Such as from the ACM disconnect that connector add multimeter to the one line then with other end push into the wire as close to steering wheel I can get?
Or would that likely cause the airbag to deploy?


Thanks
Vor
Sep 19, 2021 at 8:13 PM
Avatar
KASEKENNY
  • CERTIFIED EXPERT
  • 18,907 POSTS
Take a look at the second screen shot above. It says to disconnect the battery, wait 2 minutes, disconnect the air bag from under the column cover, and then install the jumper, then reconnect the battery and test for the code.

Basically all you are doing is bypassing the airbag itself. If the open circuit code is gone then the air bag is the issue.

If it is not then you need to continue through the testing. The steering wheel should not need to be removed at all. You should be able to access this from under the cover.

For this part, you don't need your meter. You just need to find out if the code went stored.

Let me know if you have other questions. Thanks
Sep 20, 2021 at 10:53 AM
Avatar
VORLON
  • MEMBER
  • 9 POSTS
Hello,

Okay, thanks.

The code is stored and wont reset as at the time the dealer who did clock spring said they could not clear the code.

It was also red on the small garages scanner and he said red meant could not clear.

I will work on van on weekend when I have no doctor appointments.

Thanks again for the help.
Vor
Sep 20, 2021 at 9:31 PM
Avatar
KASEKENNY
  • CERTIFIED EXPERT
  • 18,907 POSTS
Okay. The word "stored" means it is no longer active however, the fact that you cannot clear it means it is active.

So I think we just have a terminology issue and this code is active and the light remains on. So when you jump it as shown in the testing, if the code is not longer active then that means the circuit issue is in the airbag assembly.

Let us know what you find. Thanks
Sep 21, 2021 at 9:11 AM
Avatar
VORLON
  • MEMBER
  • 9 POSTS
Hello,

Just giving you an update.
I could not check the circuit as I got a bad infection around my stitches and a stitch ripped the skin open.

I will try to check this weekend if leg/foot feel better and is less infected.

Thanks
Vor
Sep 29, 2021 at 9:49 AM
Avatar
KASEKENNY
  • CERTIFIED EXPERT
  • 18,907 POSTS
Thanks for the update. Hope you recover quickly. Please don't rush as this post will be here whenever you get back to us.

Thanks
Sep 29, 2021 at 5:38 PM