Airbag clock spring

2010 NISSAN PATHFINDER
120,000 MILES • 4 CYL • 4WD • AUTOMATIC
Avatar
KENNY.ED
  • MEMBER
  • 2 POSTS
The airbag light was on and the horn did not work so I got a new one from eBay, installed it and light went out. A couple days later I got pulled over for no tail lights, so the fuse was blown and kept blowing. So I took out all bulbs and replaced one at a time to check for short. Got all in except for license plate and one of them did not work so I switched with the other and my steering wheel started smoking. I took wheel apart again and clock spring wires were melted so I got a refund from eBay and ordered an OEM part installed it and it worked great for one month. Now my tail light fuse is blowing again. Where do I start looking for a short or is there something causing the clock spring to go bad?
Jul 6, 2018 at 6:35 PM
Advertisement
Avatar
KHLOW2008
  • CERTIFIED EXPERT
  • 41,814 POSTS
Improper installation of the clock spring would result in the internal reel getting damaged over time. Was the clock spring installed according to the proper procedures?
Jul 9, 2018 at 7:43 AM
Avatar
KENNY.ED
  • MEMBER
  • 2 POSTS
The first clock spring melted in two days after playing with license plate light bulbs. The second one melted after thirty days. The fuse for the tail lights kept blowing so I put new fuse in and messed with the license plate light bulbs again, one was working, so I left the other one out, started driving and things started going haywire in the steering wheel. The fuse did not blow and the clock spring sounds like it is grinding again like it did after it melted the first time. I have not taken it apart yet this time to check it out. I only changed it the first time, because the airbag light was on and my horn did not work. It was changed according to proper installation procedures and many videos I watched on YouTube and everything I read online.
Jul 9, 2018 at 9:40 PM
Advertisement
Avatar
STRAILER
  • CERTIFIED EXPERT
  • 53,854 POSTS
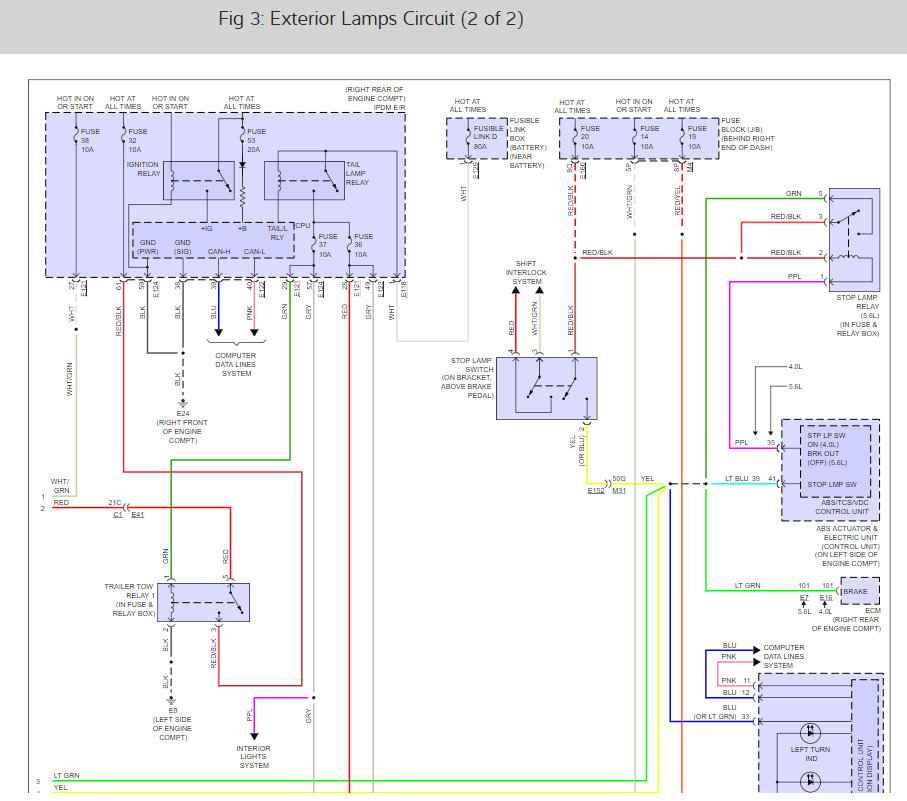
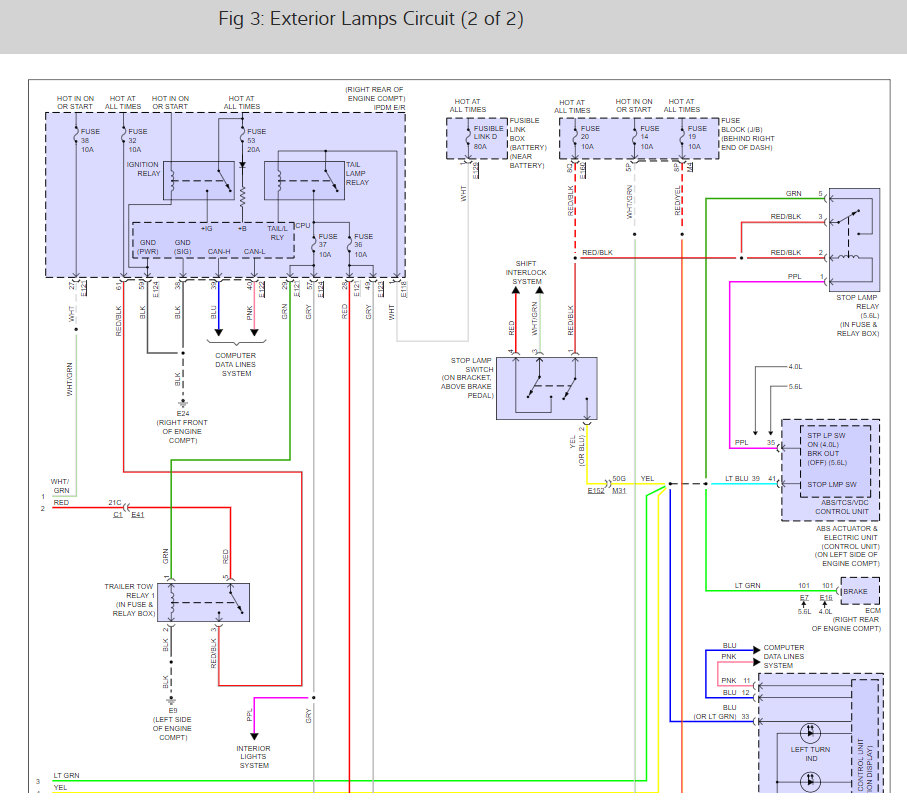
It sounds like you have a wire that is shorted to ground causing the parts to go bad. I would run a pin to pin test and resistance to ground. Here is a guide and the wiring diagrams to help you get started.

https://www.2carpros.com/articles/how-to-check-wiring

Clock springs go out all the time due to wear, the smoke is telling us short somewhere.

Check out the diagrams (below). Please let us know what you find.

Cheers, Ken
Jul 14, 2018 at 11:37 AM