HVAC vents are blowing in the incorrect setting?

1999 BUICK REGAL
84,000 MILES • 3.8L • V6 • 2WD • AUTOMATIC
Avatar
JO9750
  • MEMBER
  • 3 POSTS
Hello. I have the car listed above LS model. I noticed when I chose “mid” on the HVAC controls. It blows lightly from the mid vents and strongly through the floor vents. When I chose “mid and floor” it only blows through the floor. I have automatic temperature controls with dual climate. I don’t know what could be wrong.
Jul 2, 2023 at 11:38 PM
Advertisement
Avatar
AL514
  • CERTIFIED EXPERT
  • 5,465 POSTS
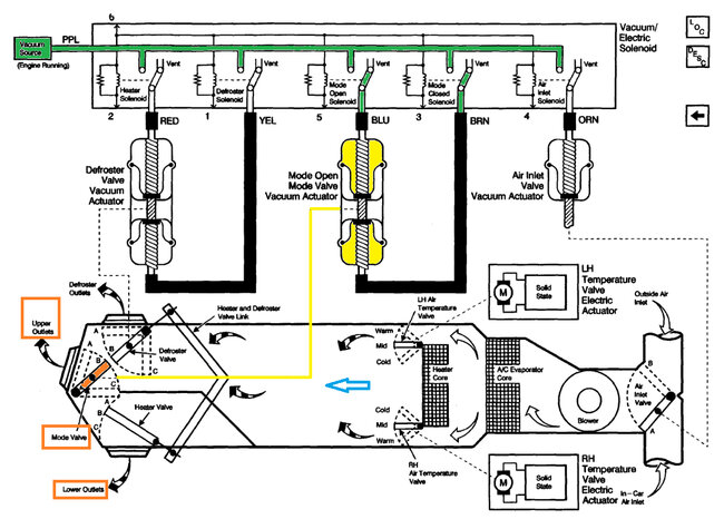
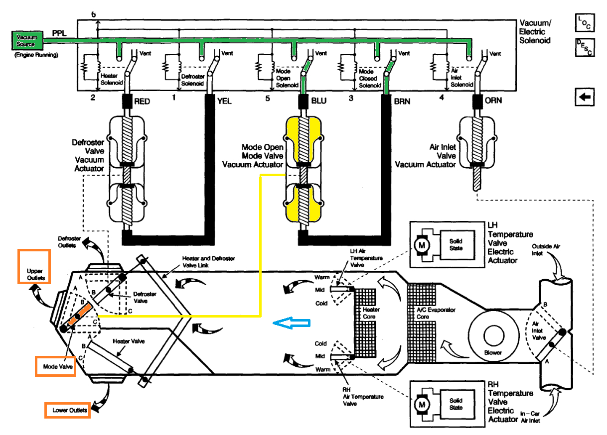
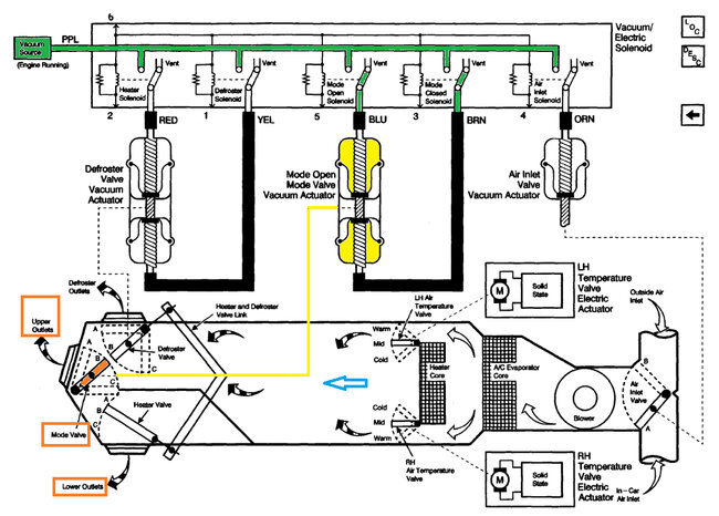
Hello, it sounds like one of the doors that direct the air flow to different locations is sticking or not able to fully travel through its range. Each of the HVAC actuators move the doors as you change the control settings, do you hear any type of noises coming from the dash when changing settings? Here is a guide that shows some pictures of the actuators under the dash. Okay, after looking through some service info, I see this vehicle has a vacuum actuated HVAC system, there is a solenoid block on the passenger side of the dash, I believe it's behind the glovebox, But it has a bunch of vacuum hoses running to it and some electrical connectors, this system uses engine vacuum to control the mode doors(to direct air flow), So it might be that one of the solenoids is not opening or closing fully, but these solenoids still operate a venting door. So, if there is one that has a cracked vacuum line going to it, it may not move its full travel, but I will try to find a picture of the solenoid block for you to check.

https://www.2carpros.com/articles/replace-blend-door-motor
Jul 3, 2023 at 9:06 AM
Avatar
JO9750
  • MEMBER
  • 3 POSTS
I do not hear noises when I switch modes. I believe they do move because the air flow does change. It’s just that it does not correspond to the HVAC unit screen. Could a mode actuator be the problem? Is there something I can manually change it?
Jul 3, 2023 at 9:20 AM
Advertisement
Avatar
AL514
  • CERTIFIED EXPERT
  • 5,465 POSTS
This system uses engine vacuum and a solenoid block to move the vent doors, refresh this page and take a look at my last post, I updated some info, but I will find a picture of the solenoid block for you to check.
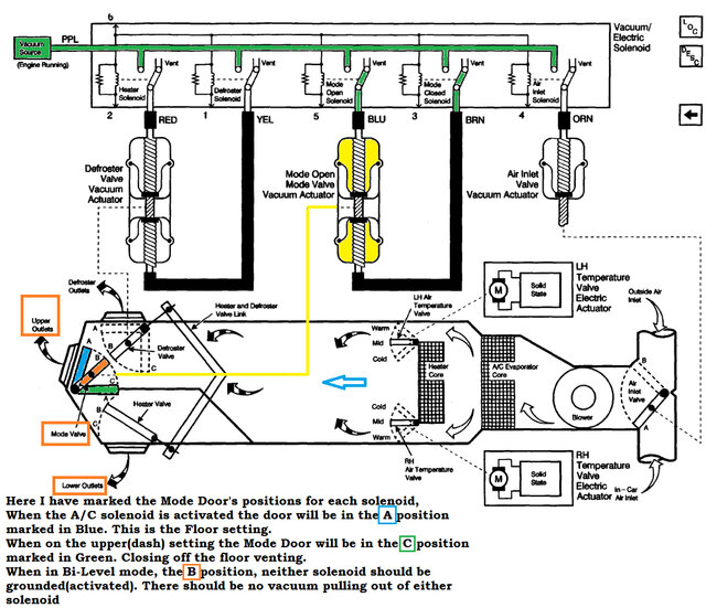
Per service info, it sounds like the A/C solenoid may not be either deactivating, or not closing all the way and is still pulling a vacuum through that solenoid somewhat, causing the vent door to not fully move to the C position where you would have just air flow from the dash vents. Hopefully I have that correct. When selecting the upper(dash) venting the HVAC controls activate the bi-level solenoid and this moves the door to the C position, closing off the floor vents, but if the A/C solenoid is stuck partially open, it will still pull vacuum and keep the door from moving fully,
So, in the diagrams below, the 3rd diagram shows the solenoid block and HVAC controls and I'm still looking for a good picture of it, but if you can pinch off the A/C solenoid vacuum hose and see if the door moves fully to the dash vents, then you'll know the solenoid is sticking open. There are 5 outlet vacuum hoses on the block, so with the engine running you can pinch off each hose and find out which solenoid is not functioning correctly, if it's an electrical issue, you can unplug that solenoid and see if that changes anything,
Then you will know if it's something to do with the HVAC control unit or just related to the solenoids.
But the solenoid block should be behind the glovebox area, I think they're pretty easy to spot.

This solenoid block is just right of the Blower motor on the passenger side lower dash, I'm not sure if these vacuum lines are plastic or rubber hoses, so just try not to break them, if they hard plastic and can't be pinched off then try unplugging the lines and blocking them off one by one to see which one may be holding the vent door from closing all the way. It looks like the vacuum hoses are supposed to be different colors, but that's not always correct. But this is the location to see if it's an issue with the vent door moving, or if it's a solenoid issue. You may find that one of the vacuum lines is broken as well, when they get old, they are brittle and can break pretty easily. But let us know what you find.

One side note, if you find any of these broken or sound like they are leaking, that will actually cause the engine to run lean, because it's a common vacuum leak like any other, so that's something to keep in mind, since it works off engine vacuum.
Jul 3, 2023 at 9:25 AM
Avatar
JO9750
  • MEMBER
  • 3 POSTS
Got it. I will try to troubleshoot it. Thank you. If you can find the diagram of solenoid block, please post it. Thank you again.
Jul 3, 2023 at 11:01 AM
Avatar
AL514
  • CERTIFIED EXPERT
  • 5,465 POSTS
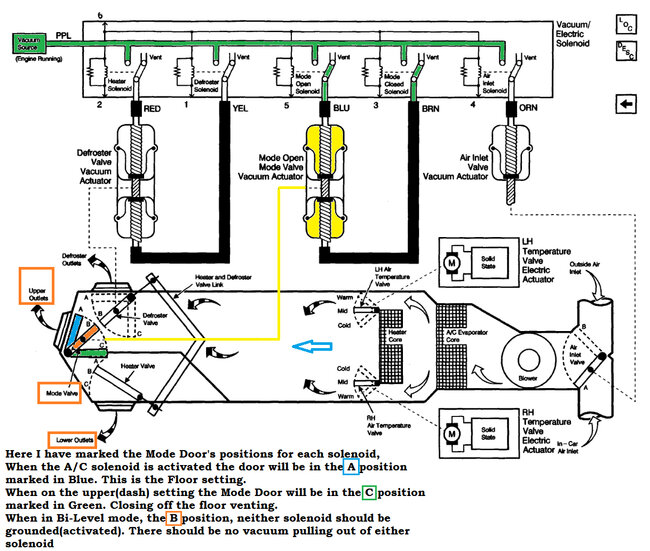
The 3rd diagram above is the electrical wiring diagram from the HVAC control head unit to each solenoid. You can see the power feed comes from the HVAC Fuse 10-amp, to each solenoid and the Heater-A/C Control unit just gives each solenoid a ground connection to activate. But if you look at the Vent Valve operation description when selecting the upper mode (dash vents) the control unit activates the bi-level solenoid, so this sounds a little confusing how they have it labelled, but this diagram should help some, I've added some operation and color coded the Mode Door positions, sorry I just had a computer crash and lost a whole page of testing info for you. Not sure what happened there,
But check the solenoids while the HVAC controls are in the Bi-Level Mode, this way there should be no vacuum being drawn out of either the A/C solenoid or the bi-level solenoid, neither of them should be grounded,
On the 3rd diagram above it shows the wire colors for each solenoid, but I think the A/C solenoid might be leaking vacuum and keeping the Mode Door from reaching its Neutral position.
And if you want to check for certain voltage levels, each solenoid wire should read 12volts until the HVAC control unit pulls the solenoid to ground and activates it. At that point the circuit will drop to 0volts. But you should read the voltage from the fuse coming through the solenoid and then when you change the controls, that solenoid should drop to 0-volts. If that helps any.
Jul 3, 2023 at 12:49 PM