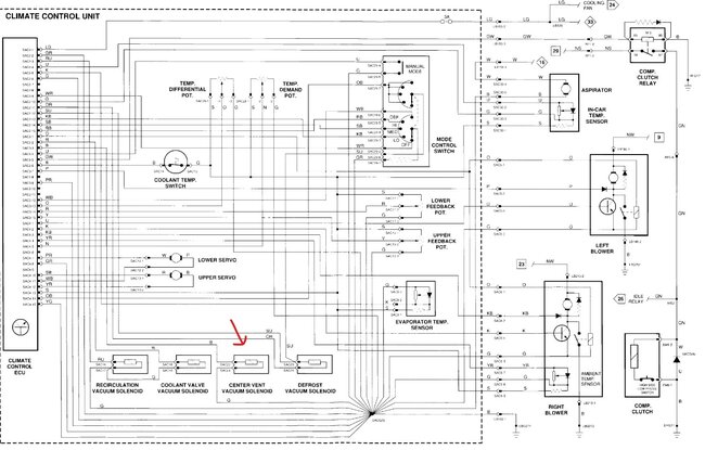
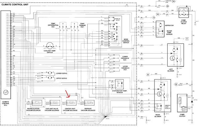
Center air vents stopped blowing air?

1992 JAGUAR XJS
70,120 MILES • V12 • AUTOMATIC
Avatar
JENèI
  • MEMBER
  • 1 POST
Side vents are fine. Centre vents stopped blowing air.
May 29, 2024 at 1:44 PM
Advertisement
Avatar
STEVE W.
  • CERTIFIED EXPERT
  • 15,113 POSTS
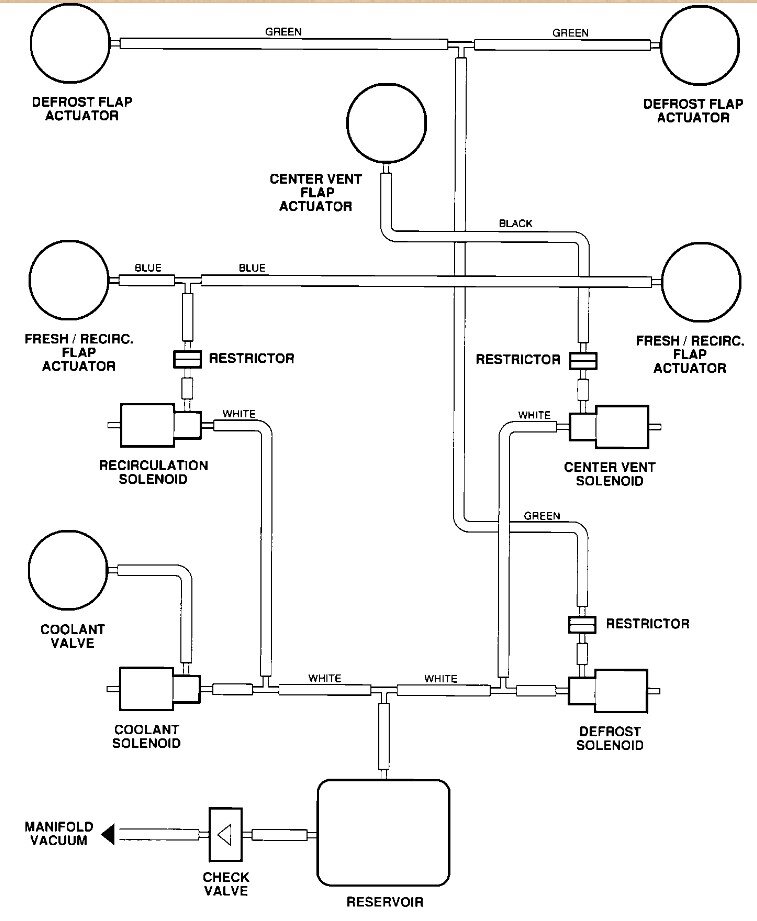
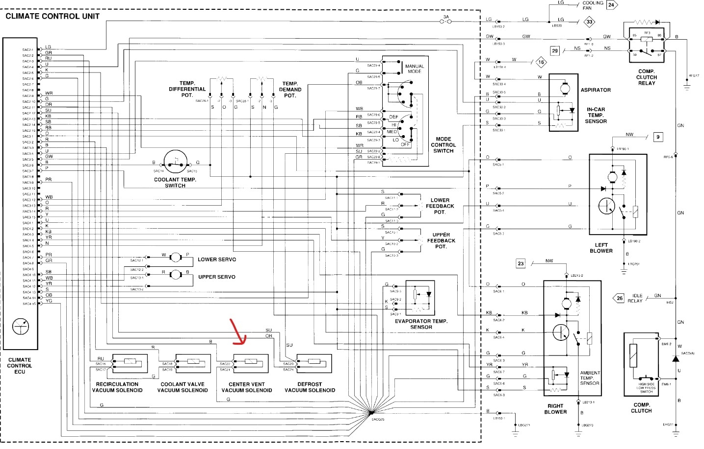
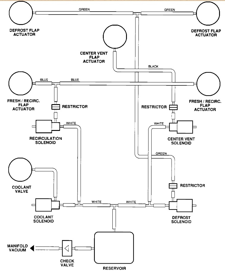
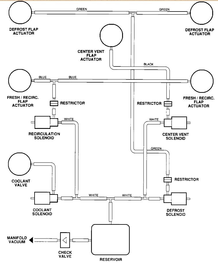
Being it's a 1992 it will have vacuum-controlled doors in the HVAC. As such there are two items that can fail, a control solenoid or the vacuum motor that moves the doors. The problem is that pretty much none of the parts are available outside either an older dealer or a specialty Jaguar shop. You will also want the factory service information, which unfortunately they didn't release to places other than the dealerships.
May 29, 2024 at 9:43 PM