Air vent selector not working?

2006 DODGE RAM
175,000 MILES • 5.9L • 6 CYL • TURBO • 4WD • AUTOMATIC
Avatar
MATTWL88
  • MEMBER
  • 5 POSTS
The blower control works fine but air is blowing out of all the vents and the vent selector does nothing.
Jan 22, 2023 at 6:47 PM
Advertisement
Avatar
JACOBANDNICKOLAS
  • CERTIFIED EXPERT
  • 110,175 POSTS
Hi,

What you described sounds like it is related to what is called the mode door actuator. This actuator is responsible for air flow direction. It could be stuck between the settings.

On this vehicle, there are two mode door actuators, one for the defroster and the other for the floor and panel vents.

I attached the directions below for the removal and replacement of both. What I suggest is this. Remove one at a time and inspect the gears on it first. If they are good, then with it plugged in, see if it reacts when you change the air flow direction.

Let me know what you find.

Joe

See pics below.
Jan 22, 2023 at 8:40 PM
Avatar
MATTWL88
  • MEMBER
  • 5 POSTS
The hot/cold air slider also does not work. After taking the dash apart a little bit I could not see any of the actuators functioning when playing with the vent selector and air temperature.
Jan 23, 2023 at 5:58 PM
Advertisement
Avatar
JACOBANDNICKOLAS
  • CERTIFIED EXPERT
  • 110,175 POSTS
Hi,

The blend air door actuator is what controls the air temperature entering the truck. It is basically the same as the mode door actuator.

Did you try removing the actuators to see if the motor works when making adjustments? I ask because you won't see anything move unless they are removed. There will be a small gear on the actuator that turns in different directions. That is what I need checked.

Let me know.

joe
Jan 23, 2023 at 6:04 PM
Avatar
MATTWL88
  • MEMBER
  • 5 POSTS
Just to be clear, once the dash is removed enough to remove the actuator, I then need to reconnect the negative battery cable and turn the ignition key to accessory in order to test? I just want to be sure I don't need to worry about the air bag with the steering column dropped down.
Jan 24, 2023 at 7:32 AM
Avatar
JACOBANDNICKOLAS
  • CERTIFIED EXPERT
  • 110,175 POSTS
Hi,

I understand your concern. Do it this way. Remove it and then apply voltage to the connector pins to see if it moves.

Let me know, and thanks for asking. I don't feel the airbag would deploy, but it is a good idea to leave the battery disconnected.

Take care,

Joe
Jan 24, 2023 at 1:21 PM
Avatar
MATTWL88
  • MEMBER
  • 5 POSTS
Both the blend door actuator and mode door actuator are functioning when pulled from the vehicle and voltage is applied.
Jan 24, 2023 at 5:28 PM
Avatar
MATTWL88
  • MEMBER
  • 5 POSTS
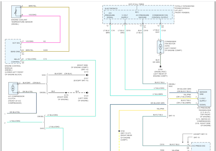
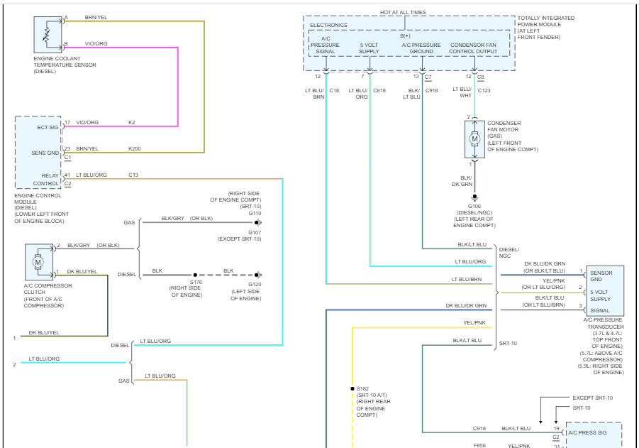
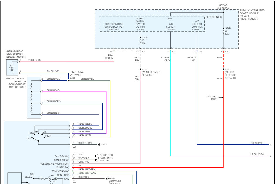
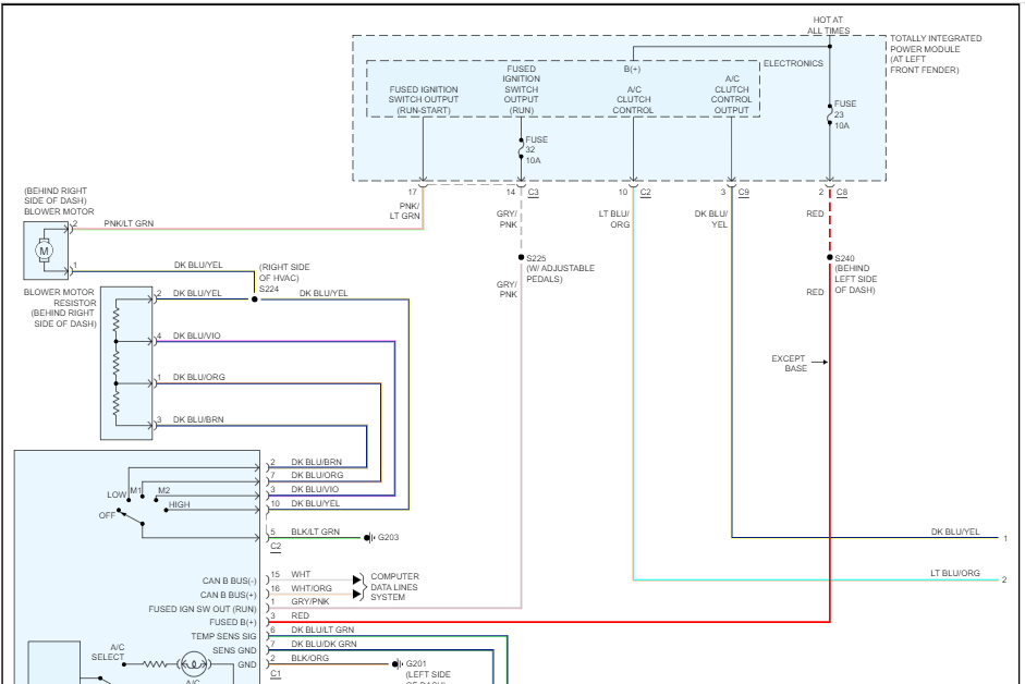
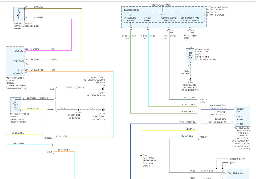
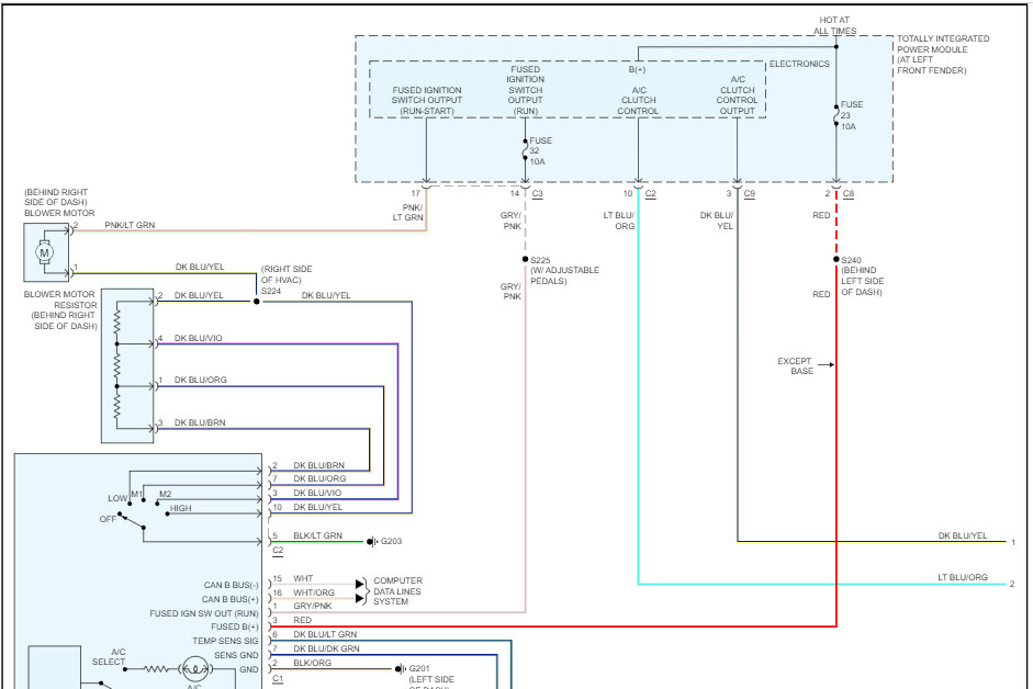
Do you have a climate control wiring diagram that you can provide? 2006 Dodge Ram 2500 Laramie Mega Cab.
All actuators work and all blend doors are intact and functioning, but the vent controls still do not work.
Jan 25, 2023 at 5:54 PM
Avatar
JACOBANDNICKOLAS
  • CERTIFIED EXPERT
  • 110,175 POSTS
Hi,

I attached the schematics below for the entire HVAC circuit. They are for a 2006 2500 with the 5.9L. There is no listing for the Laramie mega cab, so I suspect they are the same.

Let me know if this helps.

Joe

See pics below. Note: The schematic was two pages. I cut each page in half to make them readable for you. I did overlap them so you can follow from one to the next.

Jan 25, 2023 at 8:36 PM