Air vent isssue

2003 CADILLAC DEVILLE DTS
75,000 MILES • 0.5L • V8 • FWD • AUTOMATIC
Avatar
TENZIN LODEN
  • MEMBER
  • 1 POST
Air vent is stuck on foot, no air to dashboard air vents or defrost. No issue with hot/cold air. Clicking noises heard when ignition is turned on however it goes away after sometime. Please help!
Aug 15, 2017 at 3:45 PM
Advertisement
Avatar
STEVE W.
  • CERTIFIED EXPERT
  • 15,113 POSTS
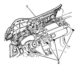
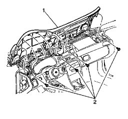
Classic description of a failed mode door actuator. Not a fun repair on this car as the upper section of the instrument panel has to come apart to get to the actuator. If you wish to proceed with the repair on your own I would suggest you get a one year subscription to either Alldata or Mitchell1 and that would give you the instructions and pictures to use as reference to remove both a pillar trim panels, the defrost grille, the upper dash pad, the instrument panel trim and the panel itself. Then it shows you how to remove/install the new parts, as you have it apart, change all the actuators that are there so you should not need to do it again. I have attached the images for those parts to give you an idea of what is involved. Each of those has a few lines of text that refer you to another area to remove the parts in the proper order.


Calibration procedure without a scan tool:

Turn "off" the ignition.
Remove the battery positive voltage circuit fuse of the instrument panel control module.

Wait sixty seconds .
Important: The module memory will not clear if the battery positive voltage circuit fuse is installed in less than sixty seconds.

Install the fuse.
Aug 15, 2017 at 4:57 PM