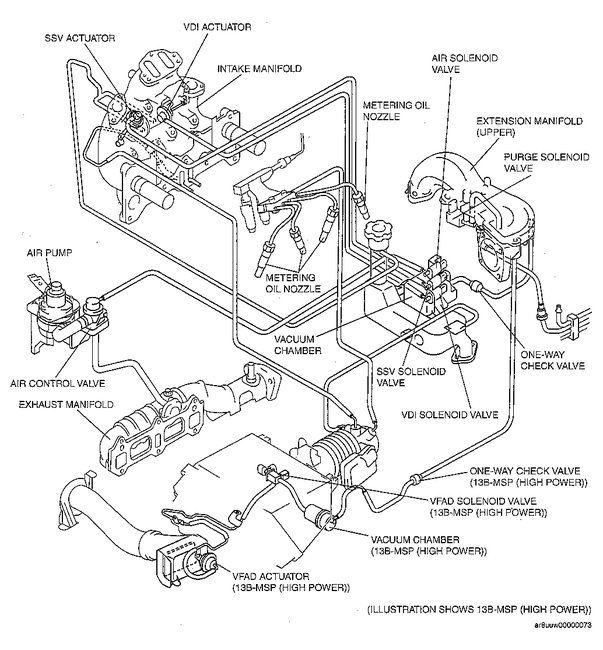
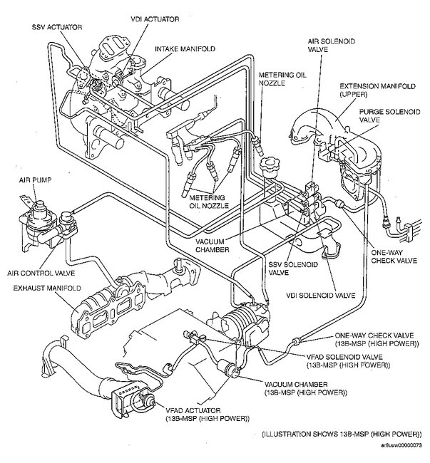
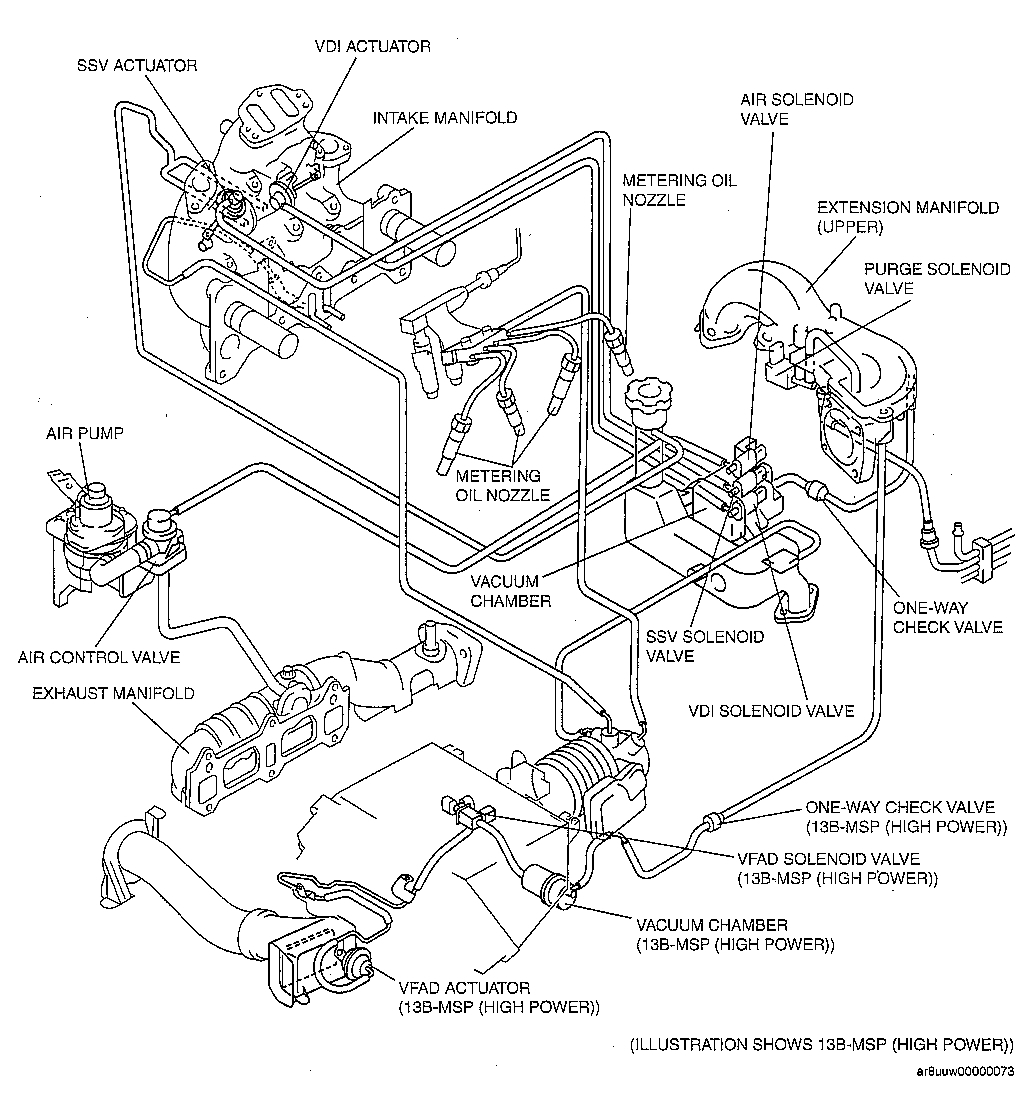
was checking for a vacuum leak and pulled them out and do not know where to put them back. it is the two hoses coming out from top of throttle body.
Nov 16, 2016 at 7:25 PM

