Air temperature gauge

2008 GMC ENVOY
120,000 MILES • 4.2L • 6 CYL • 2WD • AUTOMATIC
Avatar
JESSICA MATUSIK MARLATT
  • MEMBER
  • 2 POSTS
The temperature gauge does not show any temperature, the air conditioner will not click on when it does it, it will come on randomly and then the air conditioner will work.
Sep 15, 2018 at 11:20 AM
Advertisement
Avatar
STRAILER
  • CERTIFIED EXPERT
  • 53,854 POSTS
Hello,

Can I ask if the temperature gauge you are referring to is outside temperature or climate control temperature? (What you set)

Please let me know, Ken
Sep 17, 2018 at 12:41 PM
Avatar
JESSICA MATUSIK MARLATT
  • MEMBER
  • 2 POSTS
The inside gauge.
Sep 19, 2018 at 7:26 AM
Advertisement
Avatar
STRAILER
  • CERTIFIED EXPERT
  • 53,854 POSTS
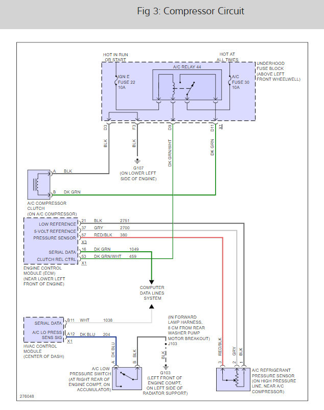
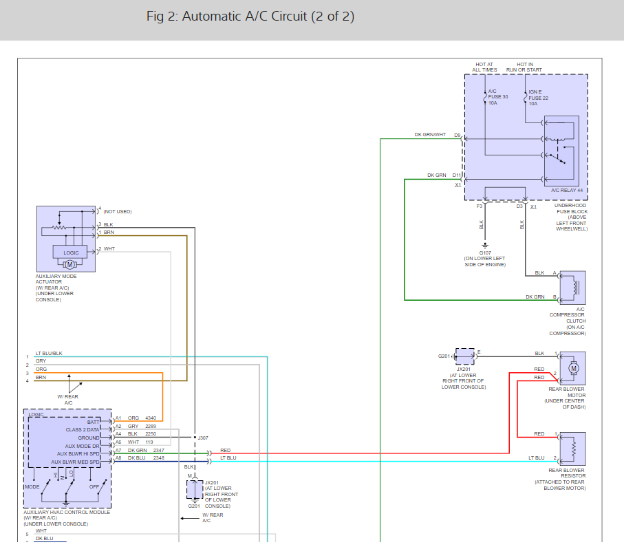
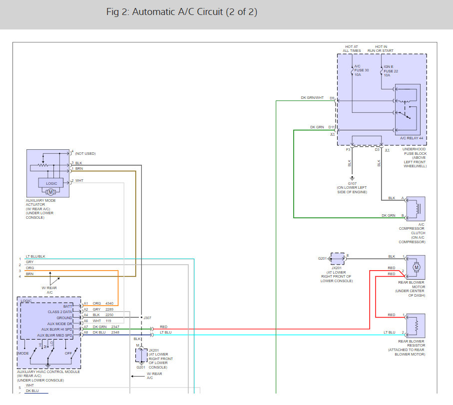
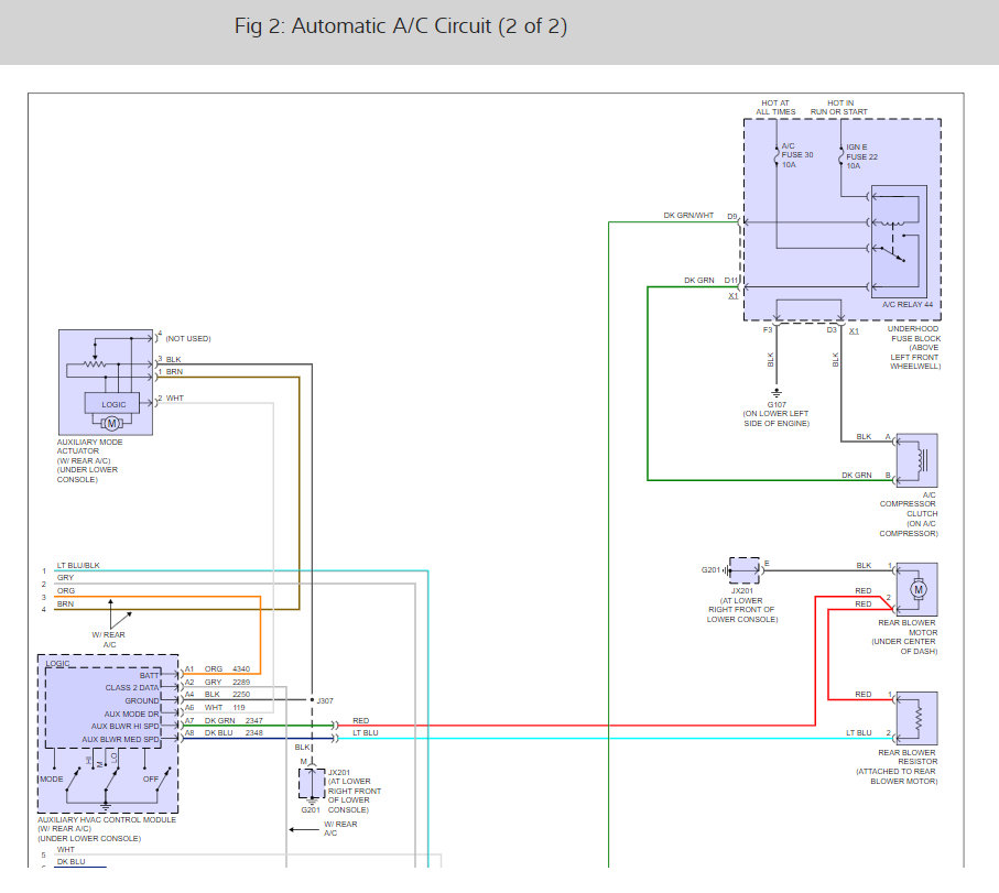
It sounds like you have an ambient temperature sensor that is out. There are two for this system or the controller is going out. I would remove the sensors to check the electrical connections for corrosion caused by moisture first. Here are the sensor locations and the air conditioner wiring diagrams so you can see how the system works. You can also have the HVAC system scanned at the shop for a trouble codes it should cost about $70.00.

Check out the diagrams (below). Please let us know what you find. We are interested to see what it is.

Cheers, Ken
Sep 20, 2018 at 3:41 PM