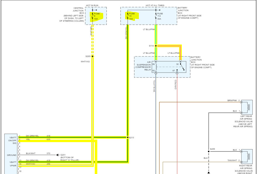
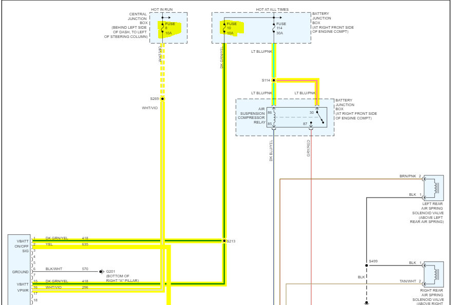
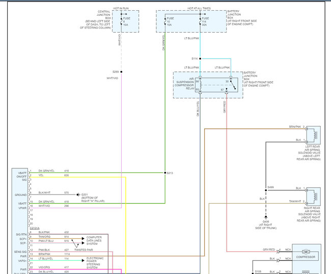
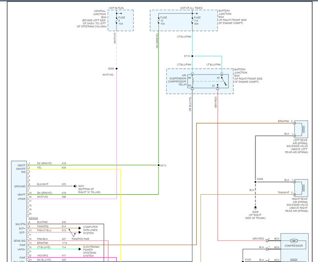
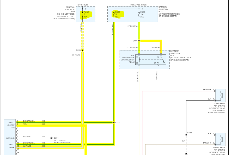
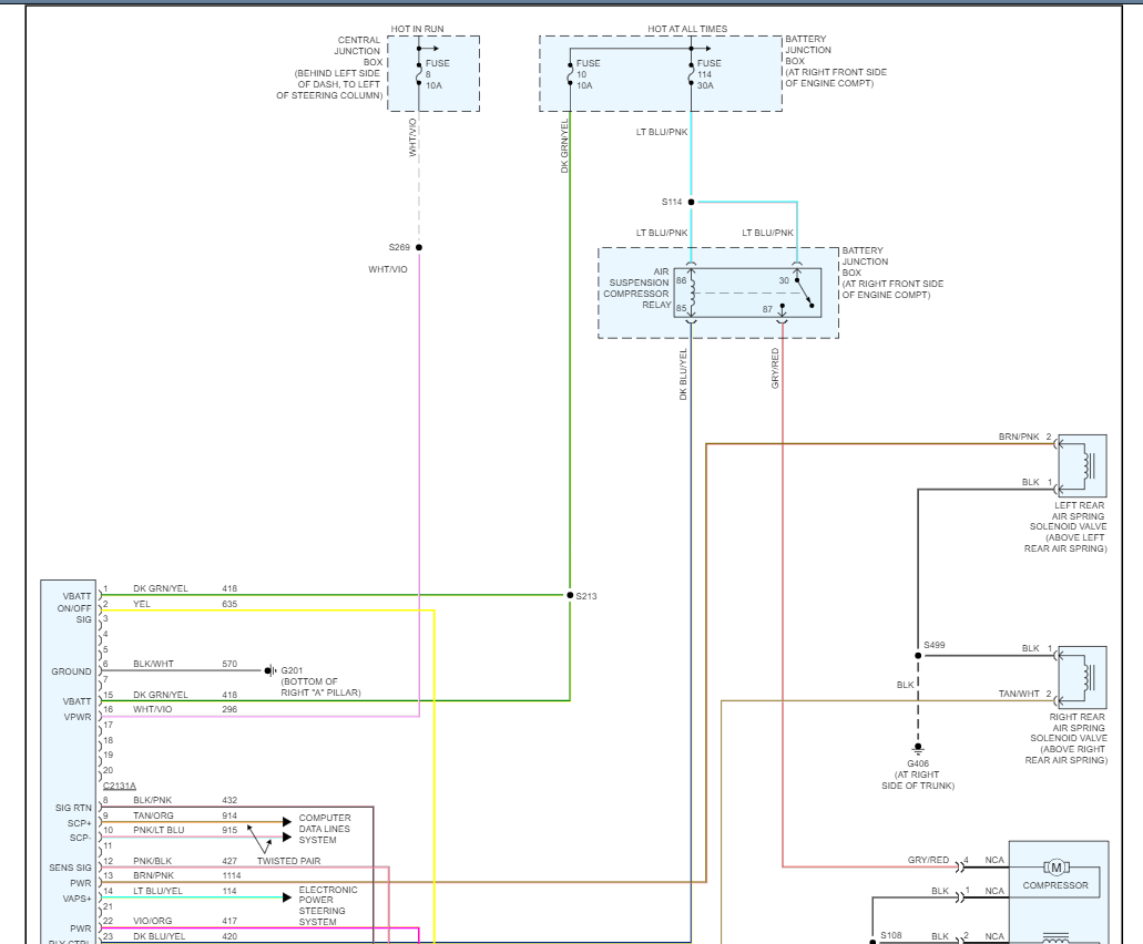
It appears to have no power to the Air Compressor. New solenoids, new air bags, new Air Compressor. No power to the off switch in the trunk. Fuses good. Relay good, swapped air relay with starter relay.
Car starts
Battery good
All in all, the airbags are flat. Solenoids must be closed, 100 PSI from air compressor. Airbags are still flat.
Car starts
Battery good
All in all, the airbags are flat. Solenoids must be closed, 100 PSI from air compressor. Airbags are still flat.
May 10, 2023 at 5:47 PM













