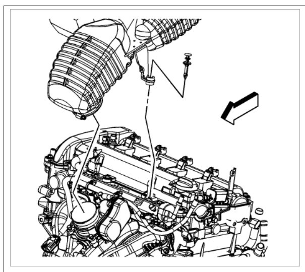
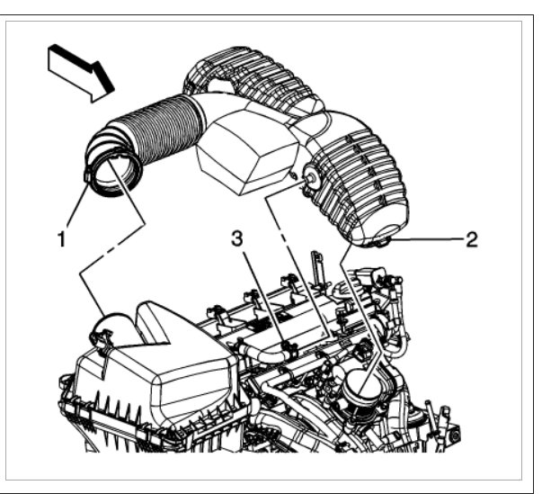
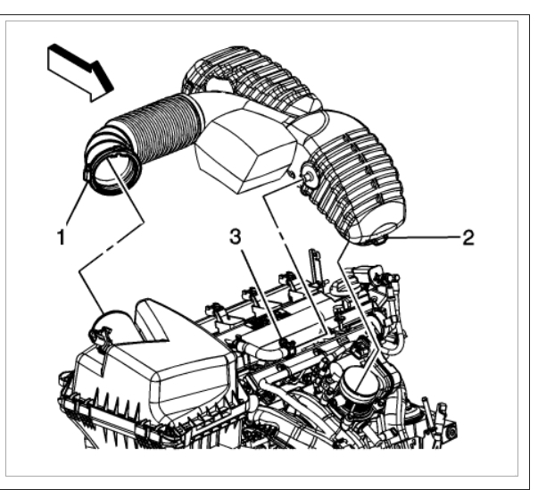
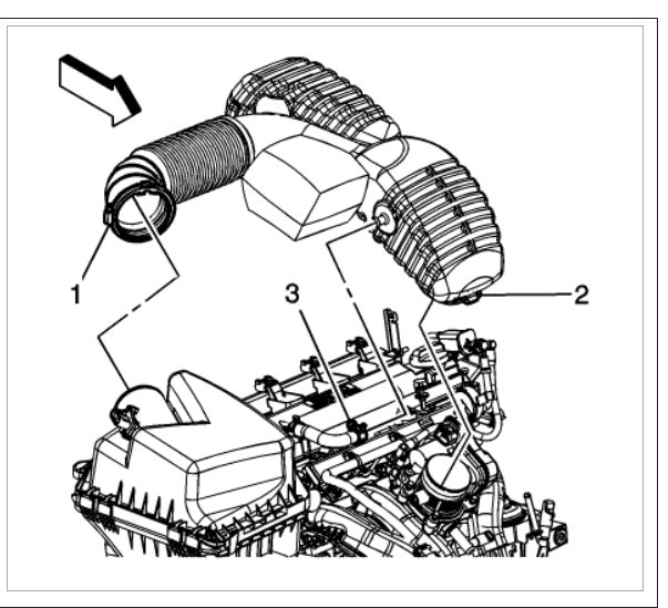
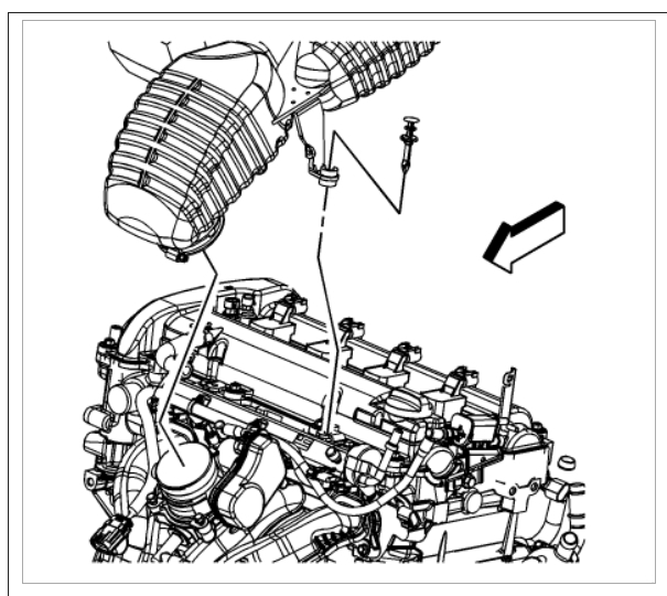
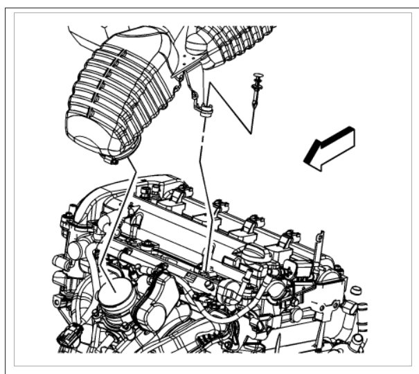
Air intake resonator tube removal

2007 SATURN VUE HYBRID
150,674 MILES • 2.4L • 4 CYL • 2WD • AUTOMATIC
Avatar
ZUSHIMARU
  • MEMBER
  • 8 POSTS
I am trying to get to my fuel injectors so that I can test and replace the faulty ones, but I cannot figure out how to get this thing off for the life of me!
Jan 13, 2018 at 12:29 PM
Advertisement
Avatar
STRAILER
  • CERTIFIED EXPERT
  • 53,854 POSTS
Hello,

It looks like you have a couple of mounting bolts at the throttle body and air filter housing. Here are diagrams to help you get the job done (below).

Check out the diagrams (below).

Please let us know if you need anything else to get the problem fixed.

Cheers, Ken
Jan 15, 2018 at 2:46 PM