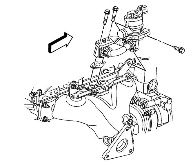
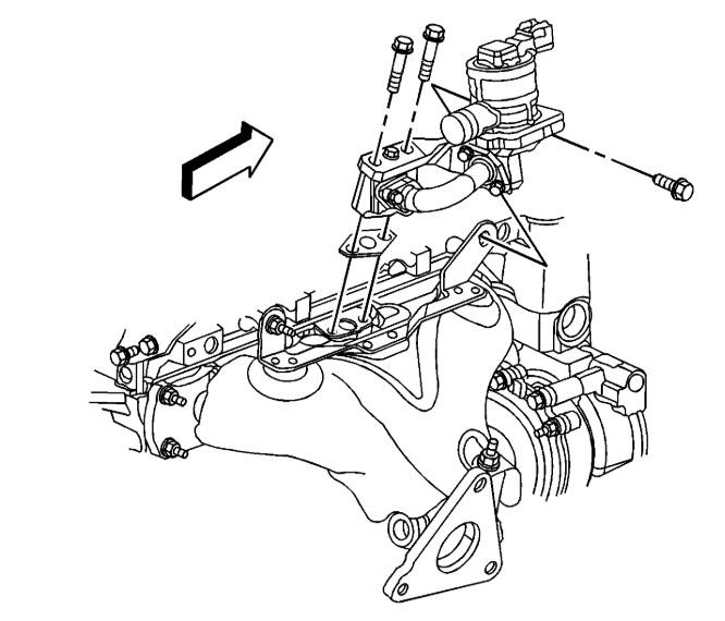
Air injection check valve replacement

2008 CHEVROLET COBALT
89,000 MILES • 2.2L • 4 CYL • 2WD
Avatar
CPERRY54
  • MEMBER
  • 35 POSTS
How do you remove and replace it?
Feb 17, 2020 at 4:42 AM
Advertisement
Avatar
ASEMASTER6371
  • CERTIFIED EXPERT
  • 52,796 POSTS
Good morning,

I attached the pictures on the replacement procedure. why are you replacing it? Do you have a code? This is not common. Check out the diagrams (Below). Please let us know if you need anything else to get the problem fixed.

Roy
Feb 17, 2020 at 5:20 AM