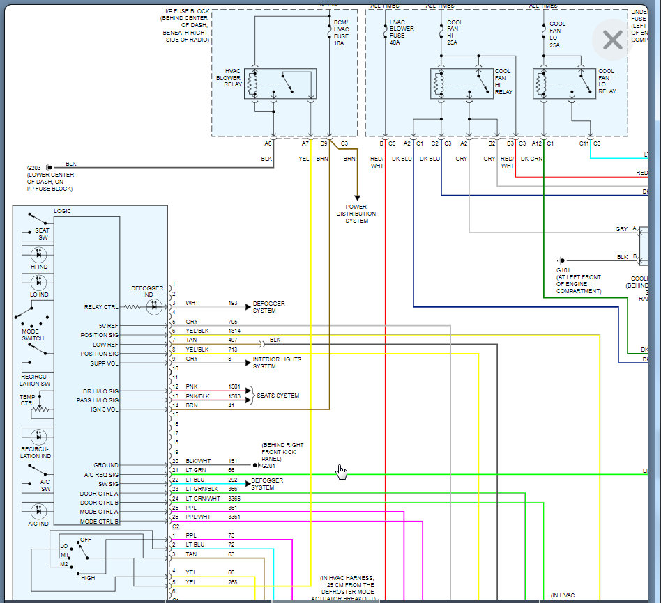
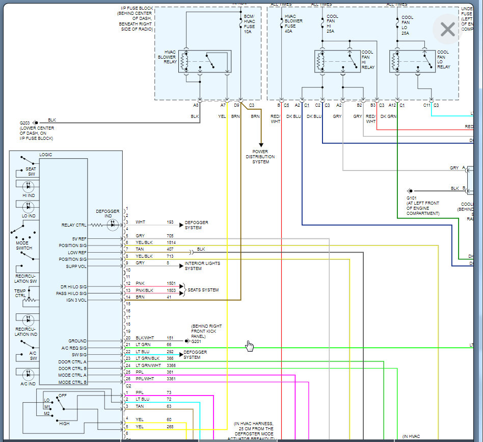
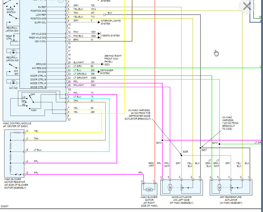
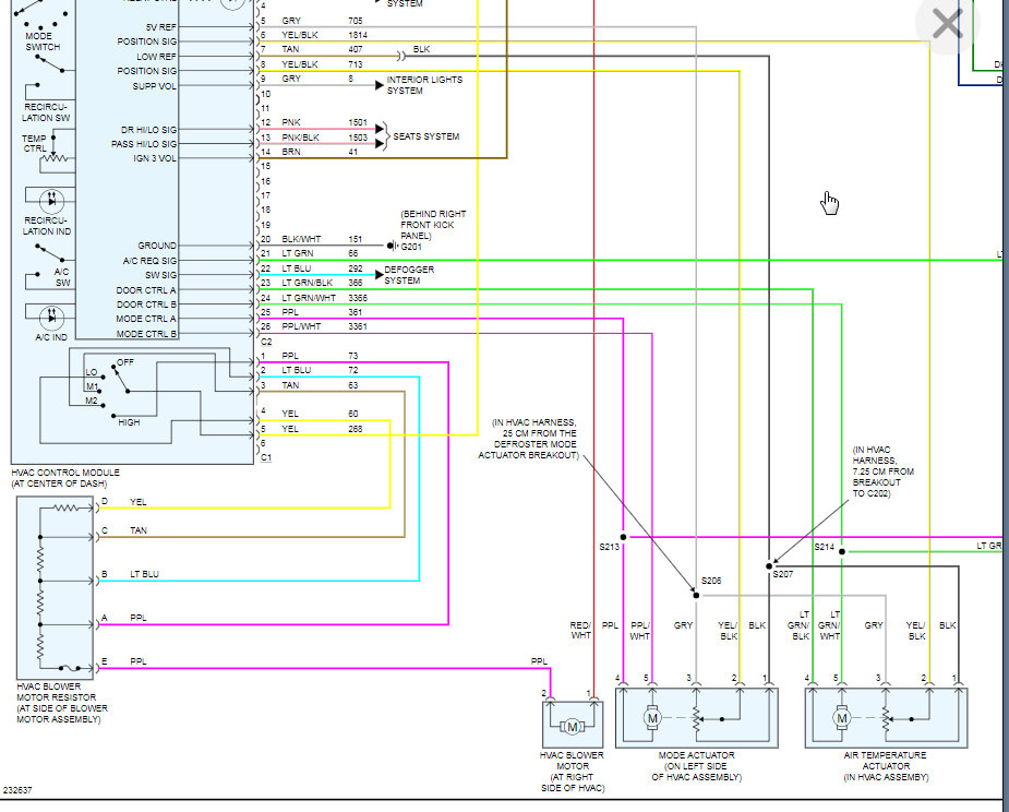
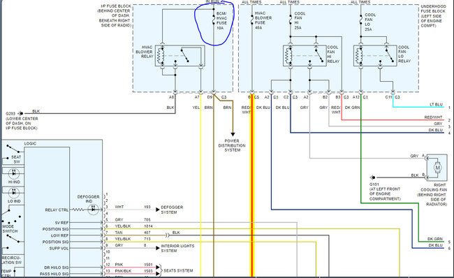
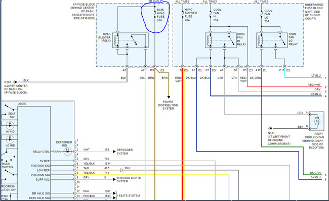
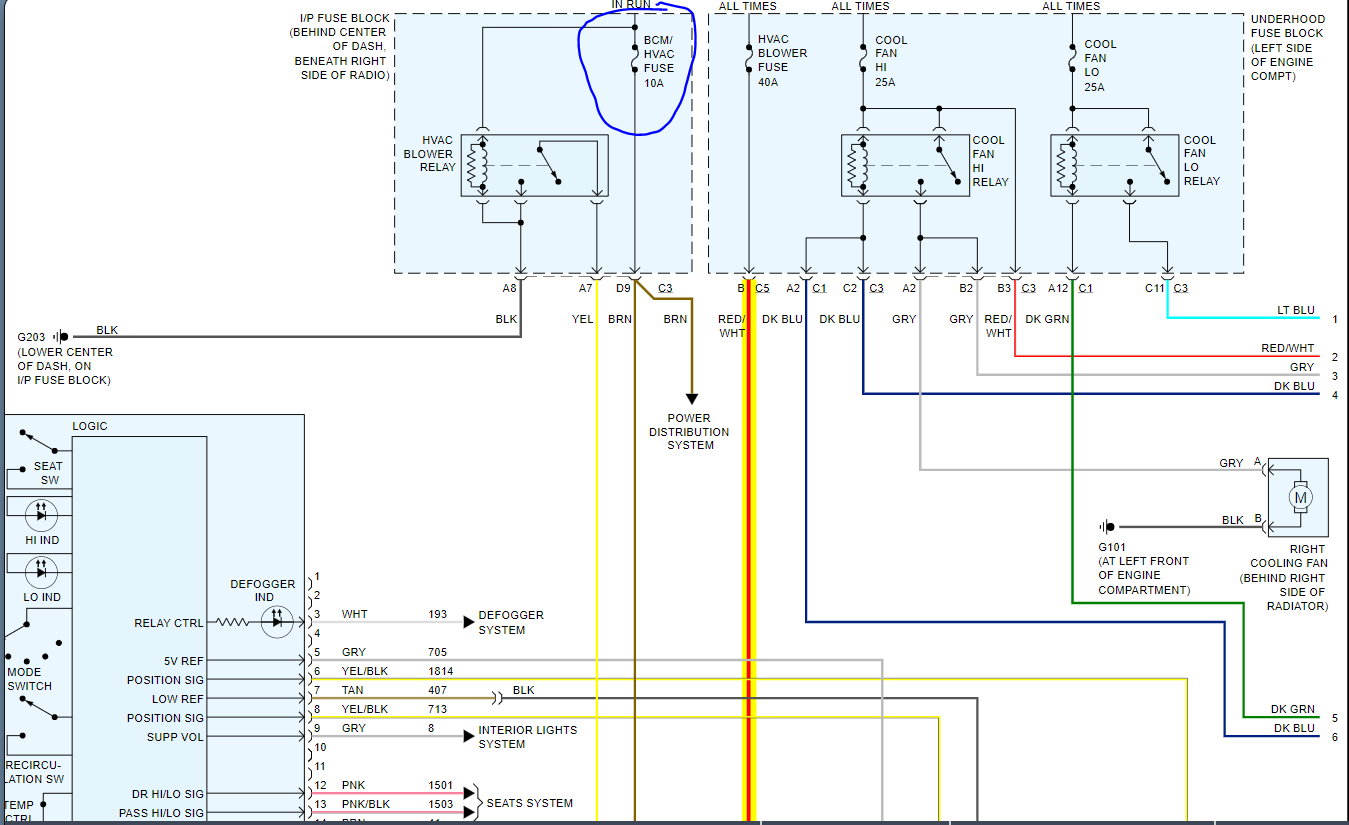
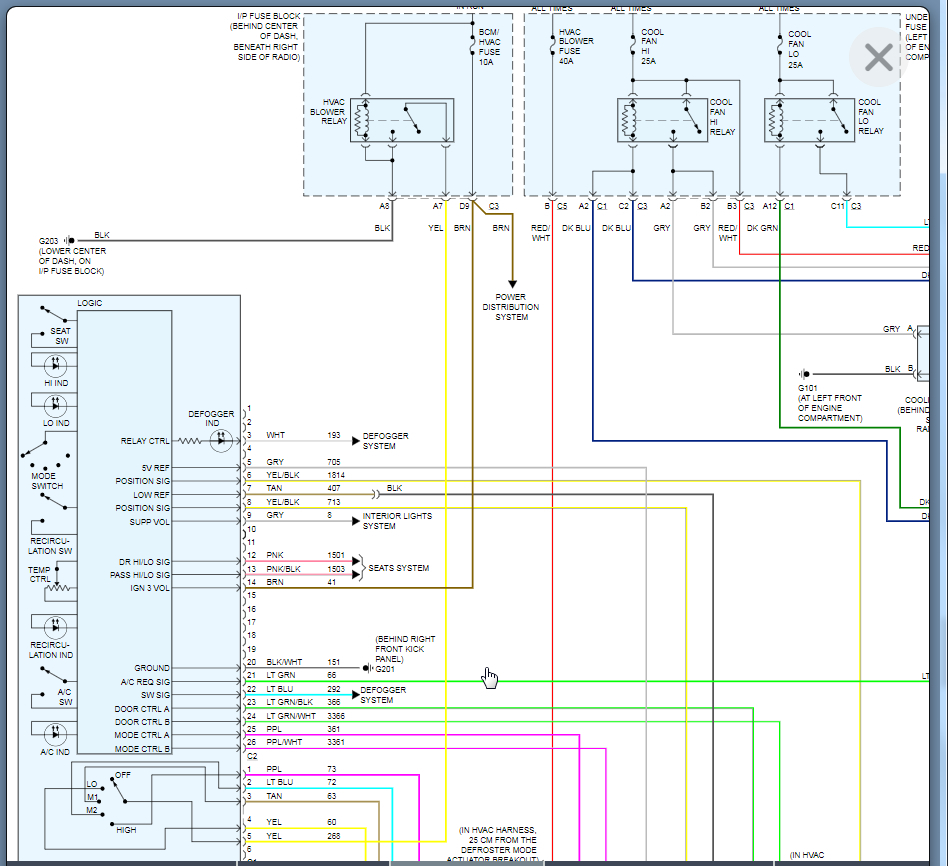
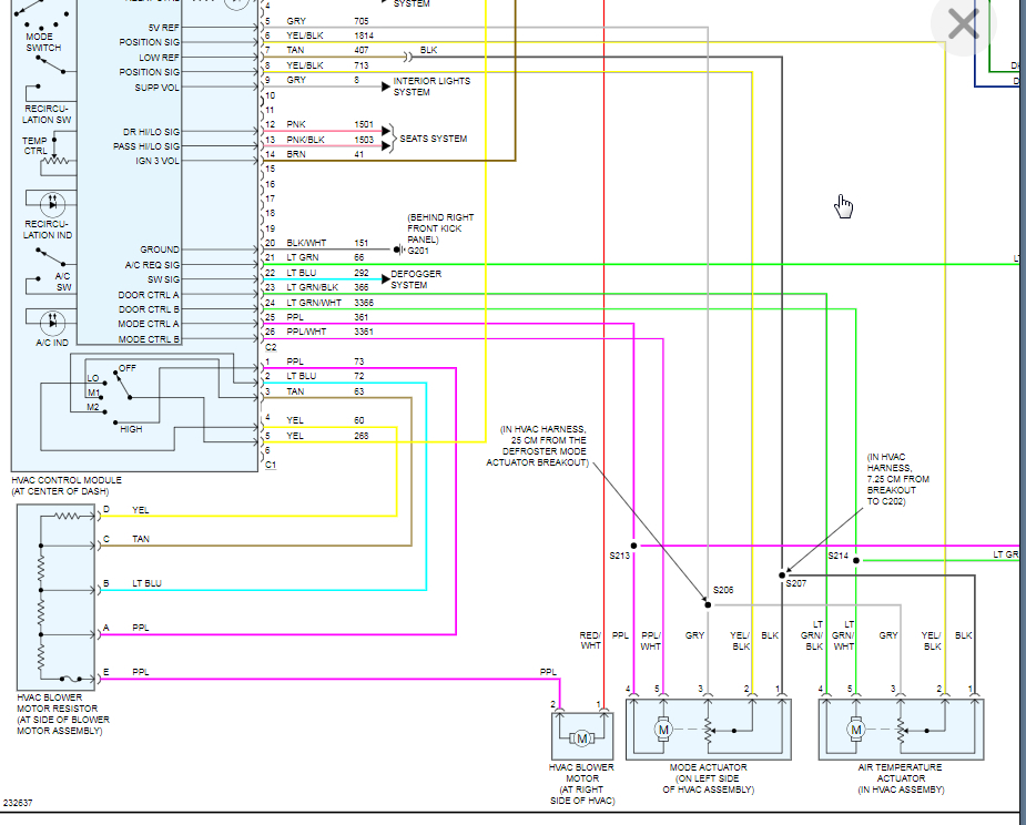
I put in a new blower motor, it didn't fix the problem. No A/C or heat comes out at all on any settings. Please for the love of heat, someone help me. It is cold, and i'm tired of asking all the guys in my family for help and them just literally looking at it and saying they don't know what's wrong with it instead of actually helping me work on it to find/fix the problem. If someone could just tell me what i need to do, I can do it myself. It would be greatly appreciated.
Dec 3, 2020 at 12:47 PM






