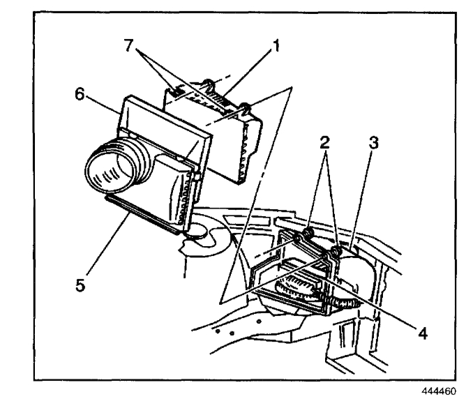
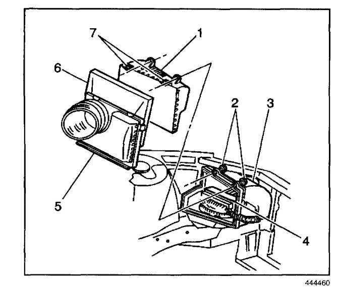
Air filter location

1999 BUICK REGAL
118,000 MILES • 3.8L • V6 • 4WD • AUTOMATIC
Avatar
PCULQUI
  • MEMBER
  • 354 POSTS
Where is my air filter and how do I replace it? How to glue down the rubber gasket so it doesn't leak inside the passenger floor?
May 6, 2019 at 9:44 AM
Advertisement
Avatar
ASEMASTER6371
  • CERTIFIED EXPERT
  • 52,796 POSTS
Good afternoon,

Not sure if you meant the air filter for the engine or the air conditioner. I attached the location of both for you to view. Check out the diagrams (Below). Please let us know if you need anything else to get the problem fixed.

Roy
May 6, 2019 at 10:47 AM