☰
Login
Join
×
Home
Answered Questions
Repair Topics
Repair & Service Guides
Popular Questions
Warning Lights
Trouble Codes
How It Works
Testing / Diagnostics
Symptoms
Videos
Login
Become a Member
Home
Chrysler
300
Engine
Air Filter
Housing
Air filter box
2006 CHRYSLER 300
120,345 MILES • 3.5L • 6 CYL • 2WD
DADDYA
MEMBER
29 POSTS
FOLLOW
Instructions on removal.
May 24, 2017 at 5:13 PM
Advertisement
JIS001
CERTIFIED EXPERT
3,412 POSTS
Why do you want to remove the air filter box?
May 24, 2017 at 11:16 PM
DADDYA
MEMBER
29 POSTS
I'm going to install a new AC Compressor and was told that the air filter box had to be removed. Is there another way ?
May 25, 2017 at 3:21 AM
Advertisement
JIS001
CERTIFIED EXPERT
3,412 POSTS
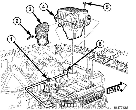
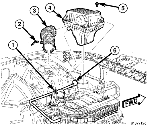
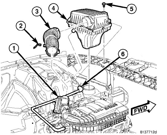
Remove the bolt as shown on image #5. After disconnecting all components on image pull the box out. Hope that helps.
Image (Click to enlarge)
May 25, 2017 at 10:52 PM