Hi all.
I have a real puzzle for anyone to help me with to solve. I have a Chrysler Grand Voyager. ( Town and Country) 2009. I’ve bought it second hand, and for the last 3 years of having it the air conditioning never actually worked. So I know there be a question there of why I never got it fixed over the three years of having it. Well, that’s because I never had the time to look at it or send it in for repair to a garage. But since the lock down and I’ve retired from the Theatre Business and it's now summer time, I thought I would look into this issue.
The system has two issues. First issue it definitely has a leak somewhere. I did a vacuum test. It held it okay for around an hour. Then when I come to but the R134A gas into it, it only took up to at least 9fl oz. It wouldn’t take anymore, yet the sticker on the car says it should have upto 40fl oz. Anyway, left it a couple of days, put my manifolds on the car, to find the pressure has dropped considerably. Even a week later, the system had nothing in it. So there is a leak but that’s easy to solve.
But here comes the puzzle part. When i have tried to re-gas the system (twice) as mentioned above, it only takes at least 9fl oz of the R134a when it should take more than this. I have the engine going, switch on the AC button, the compressor kick on. So I know its engaging. But the manifold gauges do not move. Just stays at constant value. Eg 50 PSI. But what I have noticed that the cooling fan does not switch on at any one time. Which made me start thinking that i have never even heard my fan while i have owned the car.
So, looking through a lot of forums, YouTubes, and even this webpage, a lot of people say to check your relays, fuses, wiring harness, resistors etc. I’ve even got the Chrysler wiring diagrams. But with all this info, what I have on my car is nothing like what’s on the wiring schematics.
So here’s my findings:
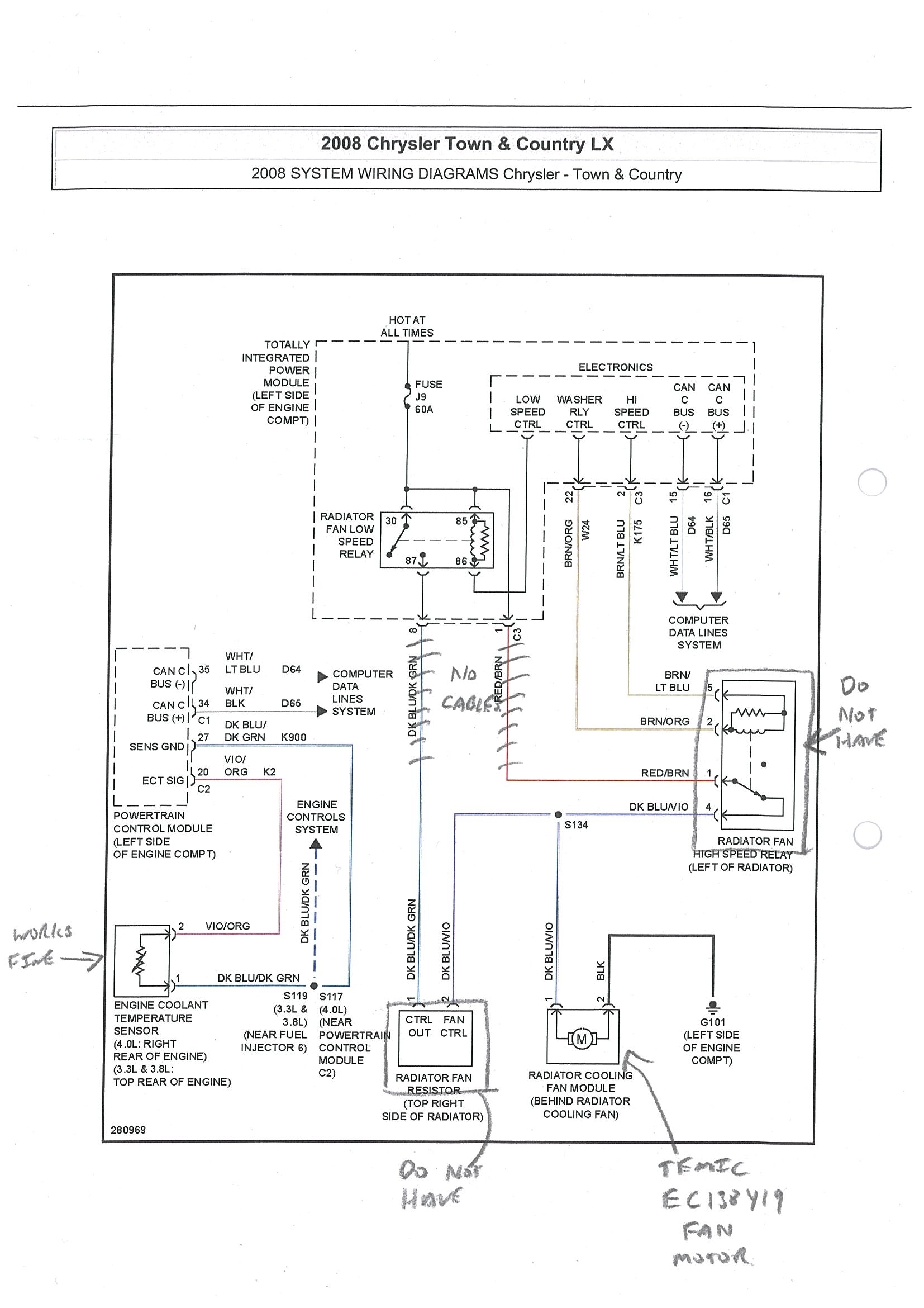
1. I have the “Low Speed Fan Relay” in the TIPM. Relay K11. But the output pin (Pin 87) from this relay is not connected to anything. According to the Wiring spec, on the wire harness socket C, Pin 1 – red/brown and Pin 8 – dark blue/dark green. But on my car, there is no physical pin contacts in the socket, and no wire from the socket.
2. According to the Wire Spec I should have a “High Speed Fan Relay” Which according to the specs should be located on the left side of the radiator. I have a relay on both sides of the radiator. On the Right this relay is connected to the Screen washer pump. On the left, i have no idea where this relay is connected to. Tracing the output from this relay, the output wire seems to go into the firewall and behind the glove compartment. At this point I gave up tracing this cable since it wasn’t going to the Cooling fan anyway.
3. So as for the cooling fan itself. Well, there is three wires on the cooling fan module. One pin is a direct feed from the positive battery. Another Pin is connected directly to ground and the third pin routes to the TIPM, Connector C, Pin 2. According to the Wire Specs, this Pin 2 is the High Fan relay control.
4. The cooling fan that I have fitted is a Temic, EC138Y19. Searching online I cannot find any literature on this motor. It has some form of electronics in the fan module itself. So is this a PWM fan? Which in my mind, the TIPM Pin 2 output is a “Ground Pull”. To activate the High Fan relay?
5. So the Cooling fan is directly connected to the TIPM pin 2. So I don’t have a High Speed Relay and I also don’t have a Fan resistor.
I hooked up my Autel scanner tool to see if I could activate the Low Speed Relay. The system did nothing. I have taken out the relay and did a direct test to the battery. Relay activates, plus the contacts make good connection. I tried the High Speed Relay test from the Autel. Considering I don’t have a relay the Fan did nothing. Which starts to make me think is part of the TIPM electronics not working?
Unfortunately I’m unable to test the fan directly, since it has already its positive and negative terminals connected. Plus I just don’t know what the third wire is for.
I live in the UK, but surely the Chryslers in the UK cannot be wired different to those from the US or anywhere else. It’s puzzling why my car is wired this way.
I’ve even did a search on Ebay for wire harnesses. Thinking that maybe my wire harness was missing the Pin 1 and 8 from factory. However, asking an ebayer who is selling a wire harness, he sent the picture of the connector. The picture shows the two wires missing. (See attached pic)
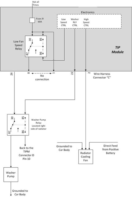
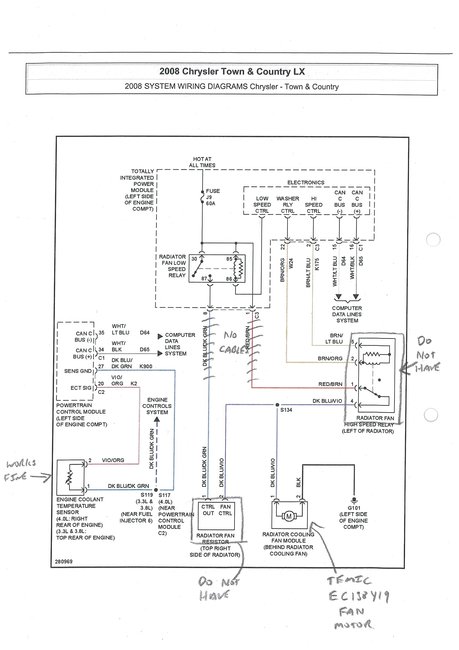
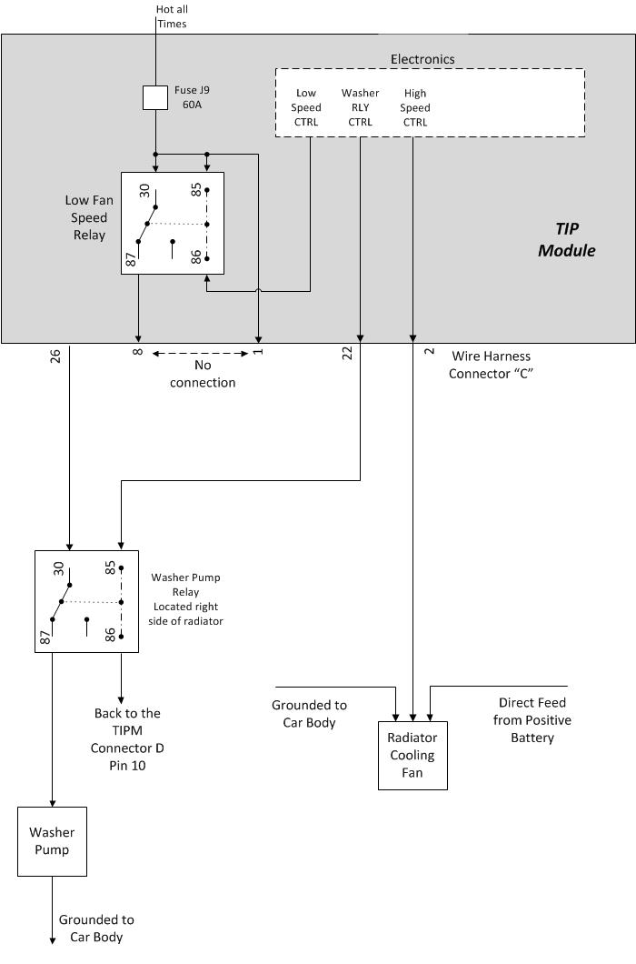
I have included a simple wiring diagram of my findings. Also the actual Schematic wiring diagram that I’ve obtained. Which if you notice is slightly different to that i have noticed on this site. IE, why is Pin 22 on connector C say - “Washer Rly Ctrl” connecting to the High Speed Fan Relay?
This is funny, because on my car, Pin 22 does actually go to a relay. The relay located on the right side of the radiator. But looking through this site, those diagrams say Pin 22 should be a feed from Fuse M34 to the High relay. Which makes more sense.
If anyone can help, Id be so grateful.
I have a real puzzle for anyone to help me with to solve. I have a Chrysler Grand Voyager. ( Town and Country) 2009. I’ve bought it second hand, and for the last 3 years of having it the air conditioning never actually worked. So I know there be a question there of why I never got it fixed over the three years of having it. Well, that’s because I never had the time to look at it or send it in for repair to a garage. But since the lock down and I’ve retired from the Theatre Business and it's now summer time, I thought I would look into this issue.
The system has two issues. First issue it definitely has a leak somewhere. I did a vacuum test. It held it okay for around an hour. Then when I come to but the R134A gas into it, it only took up to at least 9fl oz. It wouldn’t take anymore, yet the sticker on the car says it should have upto 40fl oz. Anyway, left it a couple of days, put my manifolds on the car, to find the pressure has dropped considerably. Even a week later, the system had nothing in it. So there is a leak but that’s easy to solve.
But here comes the puzzle part. When i have tried to re-gas the system (twice) as mentioned above, it only takes at least 9fl oz of the R134a when it should take more than this. I have the engine going, switch on the AC button, the compressor kick on. So I know its engaging. But the manifold gauges do not move. Just stays at constant value. Eg 50 PSI. But what I have noticed that the cooling fan does not switch on at any one time. Which made me start thinking that i have never even heard my fan while i have owned the car.
So, looking through a lot of forums, YouTubes, and even this webpage, a lot of people say to check your relays, fuses, wiring harness, resistors etc. I’ve even got the Chrysler wiring diagrams. But with all this info, what I have on my car is nothing like what’s on the wiring schematics.
So here’s my findings:
1. I have the “Low Speed Fan Relay” in the TIPM. Relay K11. But the output pin (Pin 87) from this relay is not connected to anything. According to the Wiring spec, on the wire harness socket C, Pin 1 – red/brown and Pin 8 – dark blue/dark green. But on my car, there is no physical pin contacts in the socket, and no wire from the socket.
2. According to the Wire Spec I should have a “High Speed Fan Relay” Which according to the specs should be located on the left side of the radiator. I have a relay on both sides of the radiator. On the Right this relay is connected to the Screen washer pump. On the left, i have no idea where this relay is connected to. Tracing the output from this relay, the output wire seems to go into the firewall and behind the glove compartment. At this point I gave up tracing this cable since it wasn’t going to the Cooling fan anyway.
3. So as for the cooling fan itself. Well, there is three wires on the cooling fan module. One pin is a direct feed from the positive battery. Another Pin is connected directly to ground and the third pin routes to the TIPM, Connector C, Pin 2. According to the Wire Specs, this Pin 2 is the High Fan relay control.
4. The cooling fan that I have fitted is a Temic, EC138Y19. Searching online I cannot find any literature on this motor. It has some form of electronics in the fan module itself. So is this a PWM fan? Which in my mind, the TIPM Pin 2 output is a “Ground Pull”. To activate the High Fan relay?
5. So the Cooling fan is directly connected to the TIPM pin 2. So I don’t have a High Speed Relay and I also don’t have a Fan resistor.
I hooked up my Autel scanner tool to see if I could activate the Low Speed Relay. The system did nothing. I have taken out the relay and did a direct test to the battery. Relay activates, plus the contacts make good connection. I tried the High Speed Relay test from the Autel. Considering I don’t have a relay the Fan did nothing. Which starts to make me think is part of the TIPM electronics not working?
Unfortunately I’m unable to test the fan directly, since it has already its positive and negative terminals connected. Plus I just don’t know what the third wire is for.
I live in the UK, but surely the Chryslers in the UK cannot be wired different to those from the US or anywhere else. It’s puzzling why my car is wired this way.
I’ve even did a search on Ebay for wire harnesses. Thinking that maybe my wire harness was missing the Pin 1 and 8 from factory. However, asking an ebayer who is selling a wire harness, he sent the picture of the connector. The picture shows the two wires missing. (See attached pic)
I have included a simple wiring diagram of my findings. Also the actual Schematic wiring diagram that I’ve obtained. Which if you notice is slightly different to that i have noticed on this site. IE, why is Pin 22 on connector C say - “Washer Rly Ctrl” connecting to the High Speed Fan Relay?
This is funny, because on my car, Pin 22 does actually go to a relay. The relay located on the right side of the radiator. But looking through this site, those diagrams say Pin 22 should be a feed from Fuse M34 to the High relay. Which makes more sense.
If anyone can help, Id be so grateful.
Jun 9, 2021 at 5:21 AM



