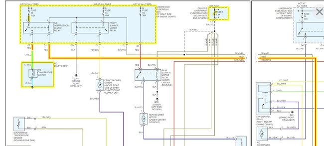
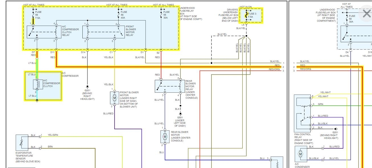
Clutch does not engage when A/C is turned on, from cockpit, no change in motor RPM's. Switched relays, same result, used a jumper and A/C clutch engaged. Pressure on low side about 50 to 70 psi. Does this situation point towards the pressure switches?
Jul 16, 2019 at 8:21 AM

