Heater blowing cold air

2001 BUICK PARK AVENUE
200,000 MILES • 3.8L • 6 CYL • 2WD • AUTOMATIC
Avatar
KREAMER8
  • MEMBER
  • 3 POSTS
Driver side blows cold air on high heat.
Jan 15, 2021 at 12:14 PM
Advertisement
Avatar
JACOBANDNICKOLAS
  • CERTIFIED EXPERT
  • 110,175 POSTS
Hi,

If it is limited to only the driver's side, chances are the blend air door actuator for that side is bad.

What I suggest is to remove the actuator and inspect it for operation. If you are hearing a clicking sound, then likely the small plastic gear in the actuator has broken the teeth on the gear.

Take a look through this link. It explains what goes wrong and how, in general, one gets replaced.

https://www.2carpros.com/articles/replace-blend-door-motor

Here are directions specific to your vehicle and the left side for removal and replacement. The attached pics correlate with the directions.

___________________________________________

2001 Buick Park Avenue V6-3.8L VIN K
Air Temperature Actuator Replacement - Left
Vehicle Heating and Air Conditioning Air Door Actuator / Motor Service and Repair Procedures HVAC System - Automatic Air Temperature Actuator Replacement - Left
AIR TEMPERATURE ACTUATOR REPLACEMENT - LEFT
REMOVAL PROCEDURE


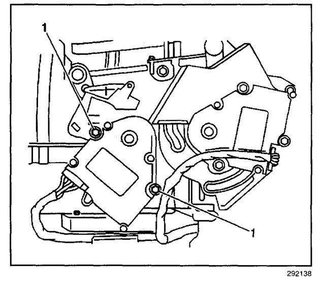
pic 1

1. Remove the left side sound insulator. Refer to Closeout/Insulator Panel Replacement - Left in Instrument Panel, Gauges and Warning Indicators.
2. Remove the aspirator muffler.
3. Remove the electrical connector from the left air temperature actuator.
4. Remove the left air temperature actuator retaining screws (1).


pic 2

5. Remove the left air temperature actuator.

INSTALLATION PROCEDURE


pic 3

1. Install the left air temperature actuator.

NOTE: Refer to Fastener Notice in Service Precautions.


pic 4

2. Install the left air temperature actuator retaining screws (1).

Tighten
Tighten the screws to 1.4 N.m (12 lb in).

3. Install the electrical connector to the left air temperature actuator.
4. Install the aspirator muffler.
5. Install the left side sound insulator. Refer to Closeout/Insulator Panel Replacement - Left in Instrument Panel, Gauges and Warning Indicators.
6. Recalibrate the actuators. Refer to Re-Calibrating Actuators.

________________________

Let me know if this helps or if you have other questions.


Take care,
Joe
Jan 16, 2021 at 3:54 PM