Air conditioning not blowing cold unless the lights come on

2000 HONDA ACCORD
201,044 MILES
Avatar
JENIQA MISZNEEK HOLMAN
  • MEMBER
  • 1 POST
Air will not blow cold unless the lights come on they come on some times, but sometimes they do not. What is the problem?
Jul 17, 2016 at 8:45 PM
Advertisement
Avatar
HMAC300
  • CERTIFIED EXPERT
  • 48,601 POSTS
This usually happens when the compressor clutch coil shorts out intermittently. Here is a guide to help you change out the compressor, but I would test the compressor relay as well.

https://www.2carpros.com/articles/replace-air-conditioner-compressor

and

https://www.2carpros.com/articles/how-to-check-an-electrical-relay-and-wiring-control-circuit

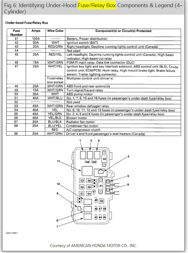
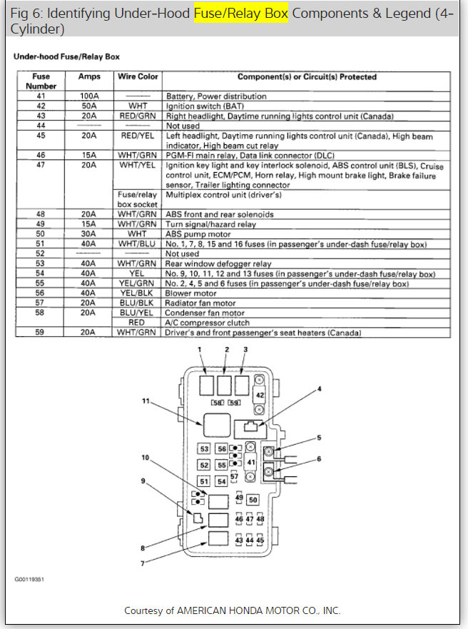
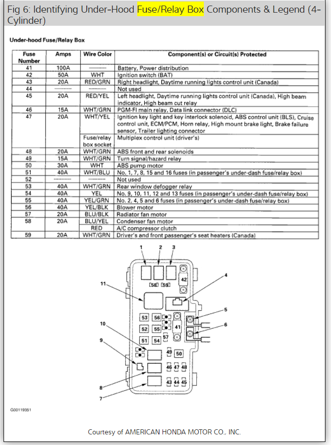
Check out the diagrams (below). Please let us know what you find.

Cheers
Jul 18, 2016 at 7:12 AM
Avatar
ZOOM-ZOOM
  • MEMBER
  • 1 POST
Thanks for the guides and diagrams I checked my car out and I think I got lucky because I changed the relay and everything worked.
Aug 3, 2018 at 7:35 PM
Advertisement