☰
Login
Join
×
Home
Answered Questions
Repair Topics
Repair & Service Guides
Popular Questions
Warning Lights
Trouble Codes
How It Works
Testing / Diagnostics
Symptoms
Videos
Login
Become a Member
Home
Buick
Lesabre
Climate Control
Air Conditioner
Blows Hot
Air conditioning blowing hot air
1999 BUICK LESABRE
11,000 MILES • 6 CYL • 2WD • AUTOMATIC
DANA_BOURDAGE
MEMBER
1 POST
FOLLOW
System has been recharged but still only blows hot air.
Aug 12, 2019 at 3:42 PM
Advertisement
ASEMASTER6371
CERTIFIED EXPERT
52,796 POSTS
Good evening,
Is the compressor engaged?
https://www.2carpros.com/articles/car-air-conditioner-not-working-or-is-weak
Can you give me the high and low side readings of the pressure?
This could be an electrical issue or it could be something with a blend door if the compressor is on.
Roy
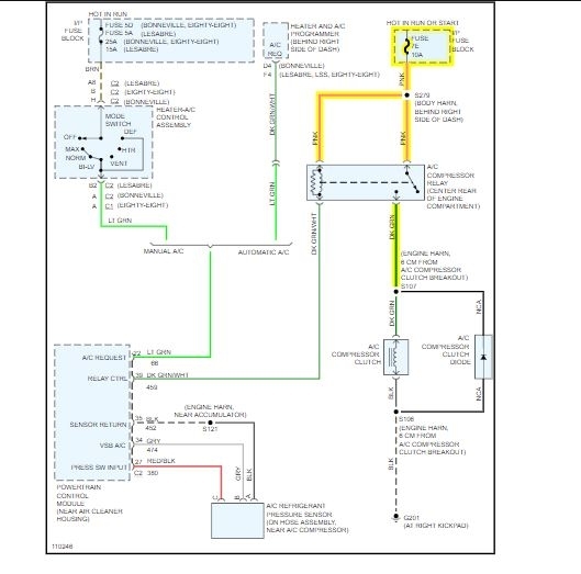
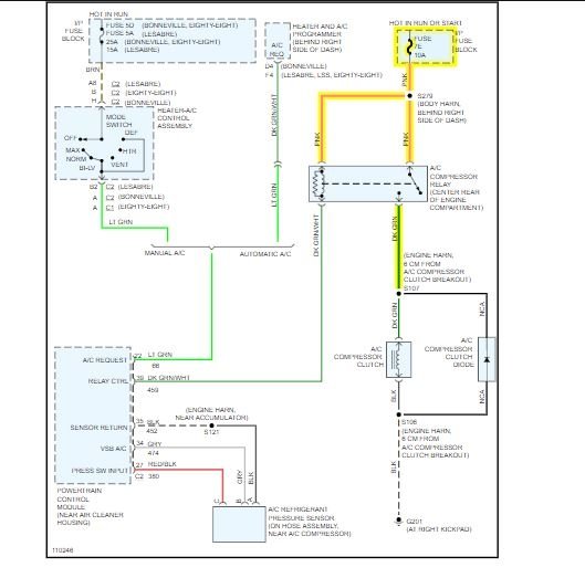
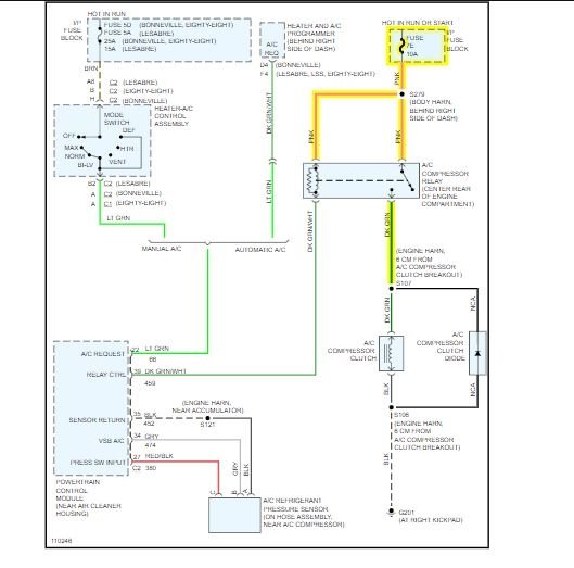
Images (Click to enlarge)
Mar 22, 2021 at 11:26 AM