☰
Login
Join
×
Home
Answered Questions
Repair Topics
Repair & Service Guides
Popular Questions
Warning Lights
Trouble Codes
How It Works
Testing / Diagnostics
Symptoms
Videos
Login
Become a Member
Home
Dodge
Truck
Climate Control
Air Conditioner
Air conditioning
2006 DODGE TRUCK
179,300 MILES • 5.7L • V8 • 2WD • AUTOMATIC
GAVIN LOWITZ
MEMBER
7 POSTS
FOLLOW
The exhilarate fan stays on without the air conditioning on.
May 24, 2018 at 11:32 AM
Advertisement
ASEMASTER6371
CERTIFIED EXPERT
52,796 POSTS
Good afternoon.
Which fan? The cooling fan or the blower fan?
Roy
May 24, 2018 at 11:59 AM
GAVIN LOWITZ
MEMBER
7 POSTS
Cooling fan.
May 24, 2018 at 12:20 PM
Advertisement
ASEMASTER6371
CERTIFIED EXPERT
52,796 POSTS
You mean the one inside the truck?
May 24, 2018 at 12:25 PM
GAVIN LOWITZ
MEMBER
7 POSTS
No, the fan under the hood even with the air conditioner off it still runs.
May 24, 2018 at 12:58 PM
GAVIN LOWITZ
MEMBER
7 POSTS
Even if I do not ever use it it still runs.
May 24, 2018 at 12:58 PM
ASEMASTER6371
CERTIFIED EXPERT
52,796 POSTS
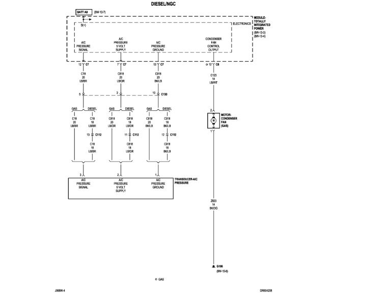
Okay, the TIPM or the fuse box under the hood is what controls the condenser fan.
I would remove the connector for the low pressure switch on the AC line and see if it shuts it off. If it does not then the TIPM is the issue.
Roy
Image (Click to enlarge)
May 24, 2018 at 1:26 PM
GAVIN LOWITZ
MEMBER
7 POSTS
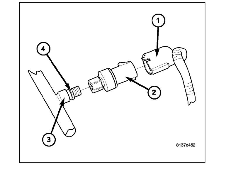
Is a little pressure switch located on top of the intake manifold.
May 24, 2018 at 1:28 PM
ASEMASTER6371
CERTIFIED EXPERT
52,796 POSTS
No, as I stated, it is on the AC lines, not the intake manifold. I attached a picture for you.
Roy
Image (Click to enlarge)
May 24, 2018 at 1:31 PM
GAVIN LOWITZ
MEMBER
7 POSTS
I have had problems with that switch before the wires on top.
May 24, 2018 at 1:41 PM
GAVIN LOWITZ
MEMBER
7 POSTS
Does that switch have a Schrader valve on it? What do you call it when you call AutoZone?
May 24, 2018 at 1:42 PM
ASEMASTER6371
CERTIFIED EXPERT
52,796 POSTS
I did not tell you to replace anything.
I just want to see if the fan turns off before we discuss possible failures.
Did you remove the wires?
Roy
May 24, 2018 at 1:45 PM