Air conditioning blowing hot air

1996 FORD THUNDERBIRD
9,433 MILES • V8 • 2WD • AUTOMATIC
Avatar
BEVERLY BEST
  • MEMBER
  • 2 POSTS
When AC is turned on it only blows hot air through the windshield vent.
Jul 9, 2019 at 4:35 PM
Advertisement
Avatar
ASEMASTER6371
  • CERTIFIED EXPERT
  • 52,796 POSTS
Good evening,

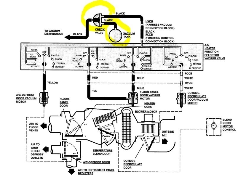
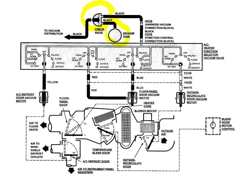
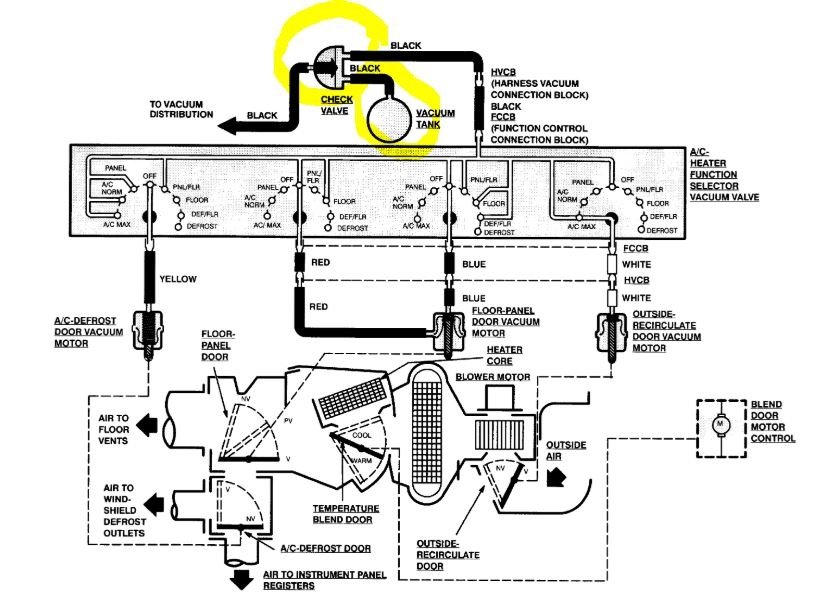
I attached a vacuum line diagram for you to view. You most likely have a vacuum line off under the hood by the tank that holds vacuum. When this happens, the system defaults to defrost and heat.

Check all the lines carefully.

Roy
Jul 9, 2019 at 4:47 PM