air conditioning stopped working; can I get a wiring schematic?

2007 HYUNDAI SONATA
115,000 MILES • 3.3L • 6 CYL • 2WD • AUTOMATIC
Avatar
LARRYPARADIS
  • MEMBER
  • 1 POST
Just in need of wiring schematic so I can trouble shoot.
Jun 17, 2022 at 6:43 AM
Advertisement
Avatar
SQM
  • CERTIFIED EXPERT
  • 6,383 POSTS
Hello,

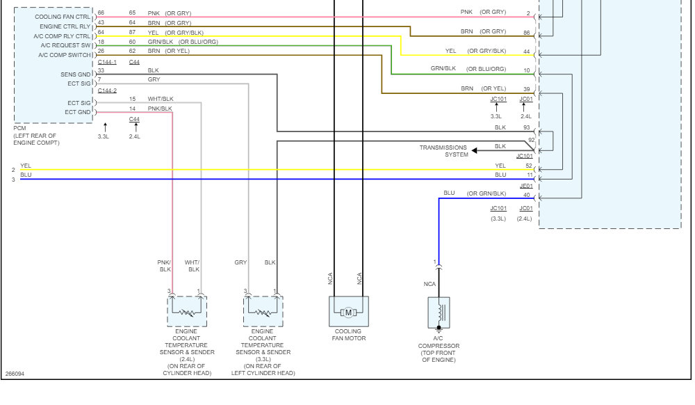
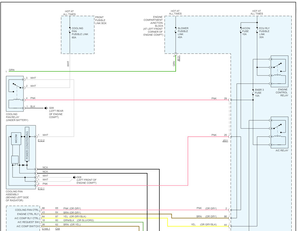
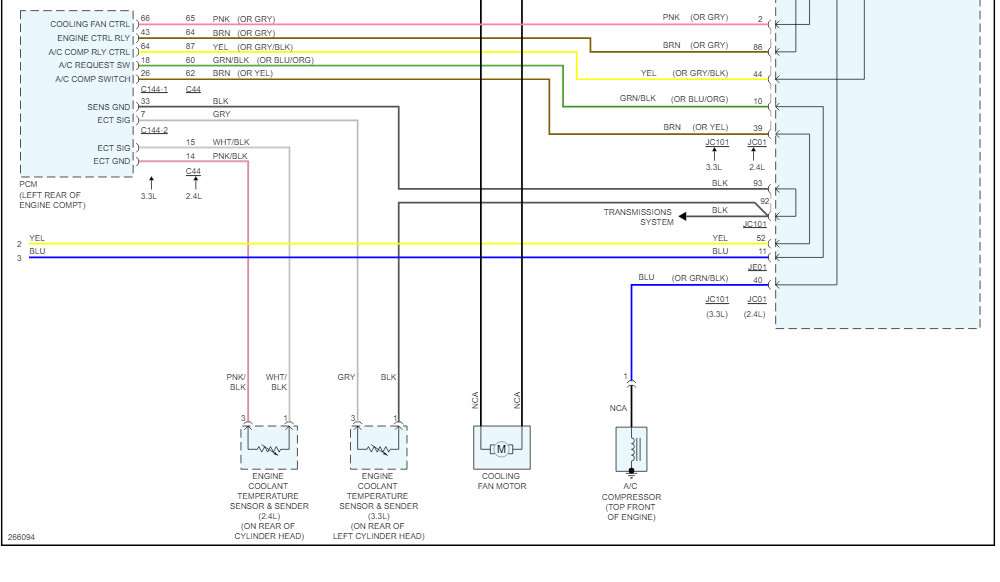
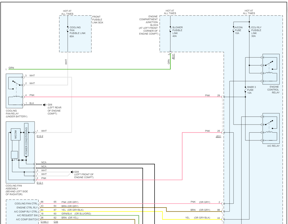
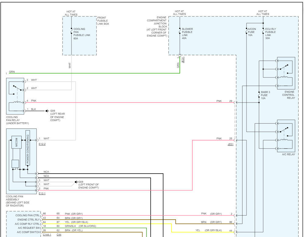
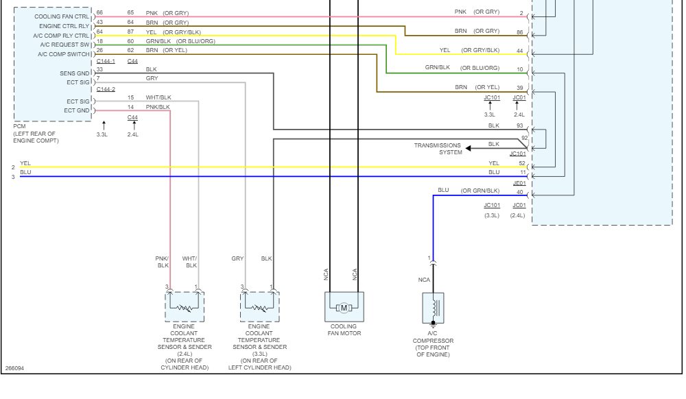
See attached for the wiring schematics for the AC system.
The first four images are for manual climate control and the last four images are for automatic climate control.

Let me know of any questions.
Thank you.

https://www.2carpros.com/articles/how-to-check-wiring
Jun 17, 2022 at 8:04 AM