AC Clutch staying engaged all the time

2004 CHEVROLET SILVERADO
230,000 MILES • 5.3L • V8 • 4WD • AUTOMATIC
Avatar
KENNY SMITH2
  • MEMBER
  • 10 POSTS
System had bad tensioner and replaced and put new belt on as belt wasn’t present when vehicle was purchased.

Noticed the AC wasn’t cold. Checked pressure and AC clutch was kicking in and out but was full of air and very little Freon. Evacuated system and installed can of oil and filled with Freon.

AC is very cold now but clutch will not disengage.

Any suggestions?
Jun 10, 2019 at 4:50 PM
Advertisement
Avatar
JACOBANDNICKOLAS
  • CERTIFIED EXPERT
  • 110,175 POSTS
Welcome to 2CarPros.

First, the power-train control module (PCM) or monitors the high side refrigerant pressure via a A/C refrigerant pressure sensor. When the pressure is high the signal voltage is high. When the pressure is low the signal voltage is low. When pressure is too high the PCM will not allow the A/C compressor clutch to engage. If pressure is too low, I believe it will allow the compressor to not cycle.

Now, you recharged the system. Can you tell me what both the high and low side pressures are? Also, please include out side temps. I feel that either you are low on Freon or the high pressure switch may be bad,

Here are directions showing AC manifold gauges. I'm adding them in case you need them. I have no idea if this is how you did it or not.

https://www.2carpros.com/articles/re-charge-an-air-conditioner-system

Let me know.

Joe
Jun 10, 2019 at 8:49 PM
Avatar
KENNY SMITH2
  • MEMBER
  • 10 POSTS
Hi Joe,

Thanks for the information. Actually I just let the air out and recharged only at the low side. That’s the way I’ve always done it and never had issue with most of the vehicles I’ve owned. Air is very cold, i put right about three smalls cans of
Freon in it as it holds I think about 34oz. I am sure it’s over charged a little right now too. I had it at a garage yesterday and they suggested it was the high pressure sensor but I’ve had people tell me it was bad compressor that would cause that too. I will try and change the high pressure sensor first and see if that solves it.

Thanks again.
Jun 11, 2019 at 4:15 AM
Advertisement
Avatar
JACOBANDNICKOLAS
  • CERTIFIED EXPERT
  • 110,175 POSTS
Welcome back:

You are very welcome. I just hope that it helps. Honestly, it sounds like the sensor is the issue and not telling the PCM when to cycle. That is my first suspect.

I don't know if you need them, but here are the directions for replacing one. The attached picture correlates with the directions.

___________________________________

AIR CONDITIONING (A/C) REFRIGERANT PRESSURE SENSOR REPLACEMENT

TOOLS REQUIRED
J 39400-A Halogen Leak Detector

REMOVAL PROCEDURE
1. Raise and support the vehicle. Refer to Vehicle Lifting.


picture 1

2. Disconnect the electrical connector from the A/C high pressure recirculation switch.
3. Remove the A/C high pressure recirculation switch from the evaporator tube.

INSTALLATION PROCEDURE

NOTE: Refer to Fastener Notice in Service Precautions.


Also Picture 1
1. Install the A/C high pressure recirculation switch.

Tighten
Tighten the switch to 6 N.m (53 lb in).

2. Connect the electrical connector to the A/C high pressure recirculation switch.
3. Leak test the fittings of the components using the J 39400-A.
4. Lower the vehicle.

I hope this helps. Let me know the results.

Take care,
Joe
Jun 11, 2019 at 8:46 PM
Avatar
KENNY SMITH2
  • MEMBER
  • 10 POSTS
Hi again, I’ve not replaced any sensors yet but I’ve took both out and cleaned and when I hook them back up, the clutch works as it should, but when the pressure rises it seems it doesn’t kick back down. Could this actually be a condenser fan/ condenser blockage ?

My father in law says my compressor is failing, he says it isn’t pumping the pressure back down. I don’t really understand all this other than what I’ve been researching.

Had someone tell me it was an ambient sensor too. I’m now having heat on driver side come out and cold come out on passenger when ac is on. Happens about a minute after it’s been on.
Jun 13, 2019 at 5:55 PM
Avatar
KENNY SMITH2
  • MEMBER
  • 10 POSTS
Also had pressures checked yesterday with manifold gauges and the low side read about 45 to 60 and the high was 225 to 250 and it was about 75 degrees.
Jun 13, 2019 at 6:01 PM
Avatar
JACOBANDNICKOLAS
  • CERTIFIED EXPERT
  • 110,175 POSTS
Welcome back:

Both sides are too high for that temperature. You have too much Freon in the system. You need to remove some. Do that first. At 75 degrees, low side should be between 35 and 40 and the high side should be 150 and 170.

Once you get the low side between 35 and 40, if the high side is still tool high based on what I mentioned above, then there is a good chance the orifice is plugged. However, the high pressure switch should be cycling the compressor off even now.

Jun 13, 2019 at 8:00 PM
Avatar
KENNY SMITH2
  • MEMBER
  • 10 POSTS
I’ve lost a lot of Freon. Due to pressure rising and blowing o rings. If I release some of the pressure it will work until it gradually builds more up. I’m stopped up somewhere just not exactly. Probably going to replace that sensor and clean the system.
Jun 14, 2019 at 2:42 AM
Avatar
JACOBANDNICKOLAS
  • CERTIFIED EXPERT
  • 110,175 POSTS
If there is a plug, my first suspect would be the orifice tube. As far as the sensor, if it isn't too much money, just replace it.
Jun 14, 2019 at 6:49 PM
Avatar
KENNY SMITH2
  • MEMBER
  • 10 POSTS
Would the A/C still be cold continuously?
Jun 16, 2019 at 10:35 AM
Avatar
JACOBANDNICKOLAS
  • CERTIFIED EXPERT
  • 110,175 POSTS
One would think it wouldn't, but that is the most common place for a blockage.
Jun 16, 2019 at 8:38 PM
Avatar
KENNY SMITH2
  • MEMBER
  • 10 POSTS
What about condenser radiator? Would it be wise to check there as well? I have a new low pressure/cycling switch and a high pressure transducer switch on the way to replace and try first. Just really odd. I’ve never see one still get cold and do that.

Can you explain to me what makes a compressor actually start the pump down cycle? Does it cycle up and then just kick off and release the low pressure on its own or what exactly?
Sorry for so many questions just trying to understand all the AC components and workings of the compressor itself.
Jun 16, 2019 at 8:46 PM
Avatar
JACOBANDNICKOLAS
  • CERTIFIED EXPERT
  • 110,175 POSTS
Welcome back:

Honestly, if you have any questions, never worry about asking. I'm glad there are people that are interested in learning. Here is what causes the system to cycle. This is a description of the high pressure switch and its purpose.

The A/C refrigerant pressure sensor is a 3-wire piezoelectric pressure transducer. A 5-volt reference, low reference, and signal circuits enable the sensor to operate. The A/C pressure signal can be between 0.5 volts. When the A/C refrigerant pressure is low, the signal value is near 0 volts. When the A/C refrigerant pressure is high, the signal value is near 5 volts. The powertrain control module (PCM) converts the voltage signal to a pressure value.

The A/C refrigerant pressure sensor protects the A/C system from operating when an excessively high pressure condition exists. The PCM disables the compressor clutch if the A/C pressure is more than 2957 kPa (429 psi). The clutch will be enabled after the pressure decreases to less than 1578 kPa (229 psi).

I hope that helps.

Take care,
Joe
Jun 16, 2019 at 8:57 PM
Avatar
KENNY SMITH2
  • MEMBER
  • 10 POSTS
How about the low pressure/cycling switch. Is that actually what signals the compressor to engage and disengage the clutch or does the compressor do that on its own ?
Jun 17, 2019 at 8:16 AM
Avatar
STRAILER
  • CERTIFIED EXPERT
  • 53,854 POSTS
Yes, that is correct. you might have too much oil in the system causing the issues. but to be sure lets unplug the pressure sensor to see if the compressor clutch disengages. Here is the location. The pressure seems okay to me so I don't think the seals are gone. Check out the diagrams (below). Please let us know what you find. We are interested to see what it is.
Jun 18, 2019 at 12:22 PM
Avatar
KENNY SMITH2
  • MEMBER
  • 10 POSTS
Sorry it has taken me so long to reply, but this is what I’ve done so far. I’ve put new Freon in it, a new high pressure sensor, cycling switch sensor the one located on the accumulator, changed orifice tube.

It still doesn't kick off. These are some other issues I’ve found, no matter what temperature i set my A/C too it doesn’t change. If I turn A/C switch off, and set temperature to 90 I have heat coming out of only front vents and bottom because If i turn defrost on it kicks my compressor in. Heat will eventually come out of passenger side vents with A/C on if it’s been set there awhile. I’m thinking this could be bad actuator switch under the dash. Could this cause evaporator to freeze and keep compressor from kicking off ?

We went on a trip for the weekend and I drove this truck and ac was real cold had no in between and sometimes it felt as is if it had moisture in it. Got to where we were going and i heard ice falling from Evaporator core. Water drips from bottom of truck at fast steady pace. If it idles more than 15 minutes starts blowing warm unless you idle it up some. The fan is working as well

Is it also possible that A/C cycle switch I put on is bad?

I’ve researched into ambient temperature switches and there is quite a few temperature switches on the truck and I don’t know what all actually sends the signals back and forth to let the compressor cycle other than that switch.
Aug 3, 2019 at 6:54 AM
Avatar
STRAILER
  • CERTIFIED EXPERT
  • 53,854 POSTS
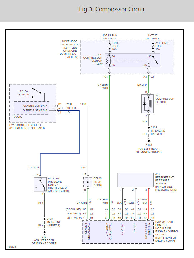
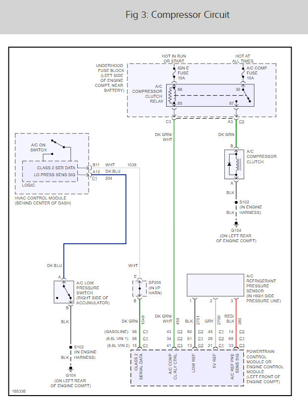
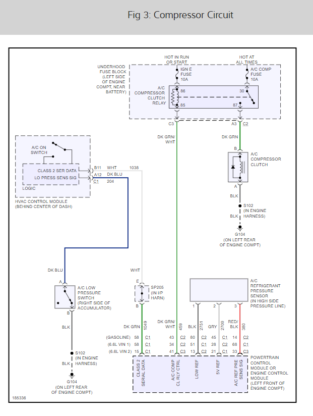
When it is hot the system will not cycle. Can you unplug the compressor to see if the clutch disengages please? Here is the air conditioner wiring diagrams so you can see how the system works. It could be the compressor relay sticking sometimes as well, the location is below.

Here is a guide for the blend doors:

https://www.2carpros.com/articles/replace-blend-door-motor

Check out the diagrams (below). Please let us know what you find.
Aug 3, 2019 at 11:03 AM
Avatar
KENNY SMITH2
  • MEMBER
  • 10 POSTS
When I unplugged the compressor it didn't come back on when I restarted it. It will turn on and off with switch and if you unplug the cycle switch it will also kick off as well but as soon as you plug it back up it never disengages no matter what temperature it is.
Aug 3, 2019 at 12:12 PM
Avatar
STRAILER
  • CERTIFIED EXPERT
  • 53,854 POSTS
Okay cool, that does sounds like a HVAC controller has gone bad. here are instructions to change it out in the diagrams below. Please let us know what you find.

Aug 5, 2019 at 9:05 AM