Air conditioner not blowing cold air

2006 HONDA PILOT
300,000 MILES • 3.6L • 6 CYL • 4WD • AUTOMATIC
Avatar
GEOFFPEARL
  • MEMBER
  • 31 POSTS
Fuses and relays seem good. Full pressure in the system. Used r-134 dye and cannot see a leak. I am stuck.
May 13, 2020 at 5:23 PM
Advertisement
Avatar
KASEKENNY
  • CERTIFIED EXPERT
  • 18,907 POSTS
We need to check a couple things. First when you say the system is full, how do you know this? Do you have the pressures for the high and low side?

https://www.2carpros.com/articles/re-charge-an-air-conditioner-system

If you do, what are they? Then did you do an evac and recharge of the system or how did you get the dye in the system?

Next we need to check for power at the compressor when the engine is running and A/C is on. Just set your meter up first and then start the engine. Then monitor the voltage.

https://www.2carpros.com/articles/car-air-conditioner-not-working-or-is-weak

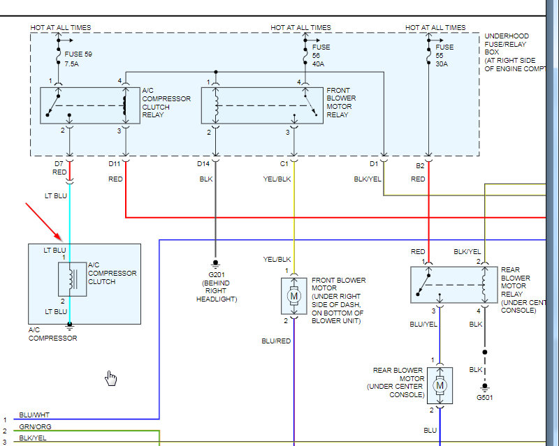
In order to have a compressor run, we need power to the compressor and proper Freon level in the system. If we have both of those and the compressor still does not run then I suspect the compressor is the issue.

Let me know what you find with this and we can go from there. Thanks
May 13, 2020 at 5:49 PM
Avatar
GEOFFPEARL
  • MEMBER
  • 31 POSTS
When I first checked the pressure with my gauge, it had a zero reading. I then started filling it with a Freon can and the compressor kicked on. I then drove to the parts store to get a can of Freon with the yellow dye in it. As i was driving, the A/C was nice and cold at the lowest setting. Then I got home and hooked up the can with the dye. After a minute or so the psi went to 90 and I couldn’t get the compressor to kick on again and the A/C was then blowing warm air.
May 13, 2020 at 7:41 PM
Advertisement
Avatar
KASEKENNY
  • CERTIFIED EXPERT
  • 18,907 POSTS
Okay. Let's start from square one. We need to get a gauge set from a parts store that rents tools. Hook them up and let me know what the PSI is for the high and low and we can go from there. We need to make sure that is correct before we go any further. Thanks
May 13, 2020 at 8:07 PM
Avatar
GEOFFPEARL
  • MEMBER
  • 31 POSTS
It is measuring 90 on the low pressure.
May 13, 2020 at 8:08 PM
Avatar
KASEKENNY
  • CERTIFIED EXPERT
  • 18,907 POSTS
Okay. That is way to high on a properly operating system. So we need the high side as well. If it is 90 PSI as well then the compressor is most likely the issue. However, if it is higher then normal also, then the system is either over full or you have a possible pressure sensor issue.

Either way, we need both the low and high side pressures with the engine running and A/C on and a static system, meaning engine off. Thanks
May 14, 2020 at 6:43 PM
Avatar
GEOFFPEARL
  • MEMBER
  • 31 POSTS
How to do I lower the PSI on the lower side? It filled much faster than I thought.
May 14, 2020 at 8:22 PM
Avatar
KASEKENNY
  • CERTIFIED EXPERT
  • 18,907 POSTS
I think we have some confusion about this. This system has a high pressure side and a low pressure side. However, it is one system. It has the two sides because there is a restriction in the line that creates the pressure difference. So we can't lower pressure on just one side. Here is a guide that covers the basics on this system:

https://www.2carpros.com/articles/how-a-car-air-conditioner-works

Your system may not be too full. The high pressure on the low side points to that because it should be around 35-40 PSI depending on the temp but we need the high side pressure to determine what to do. If the high side pressure is 90 as well then your compressor is most likely the issue. However, if the high side pressure is high then it is either overfull or the relief valve is stuck.

If the system is overfull then the only way to fix it is evacuate the system and recharge it with the proper amount of Freon.
May 15, 2020 at 6:29 PM
Avatar
GEOFFPEARL
  • MEMBER
  • 31 POSTS
Now that my A/C is back my car overheats at long idle. And engine temperature goes right back down when I accelerate or raise rpm's.
May 27, 2020 at 9:45 AM
Avatar
KASEKENNY
  • CERTIFIED EXPERT
  • 18,907 POSTS
We can definitely help with that. The unfortunate thing is we need to start a new post. We have to keep each post to one topic and while this may be related to the compressor, it doesn't directly relate to the subject. We have to keep it this way so that when others are looking for solutions to their issues they can find them easily. They won't find an overheat solution under this heading.

Thanks and sorry for the inconvenience.

https://www.2carpros.com/questions/new
May 27, 2020 at 7:32 PM