Air condition clutch sometimes does not engaged

2014 MITSUBISHI OUTLANDER SPORT
93,800 MILES • 2.0L • 4 CYL • 4WD • AUTOMATIC
Avatar
PETROYADA
  • MEMBER
  • 66 POSTS
Air condition for my car has problem, during AC on, clutch no engaged.
Could you please send to me exploded drawing for repairing it?
The VIN : 4p3xtga2wee801499.
Thanks
Sep 4, 2019 at 7:10 PM
Advertisement
Avatar
STRAILER
  • CERTIFIED EXPERT
  • 53,855 POSTS
Hello,

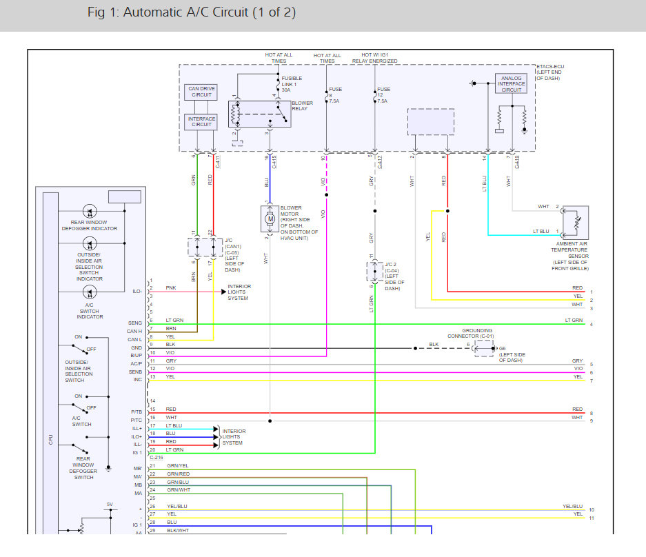
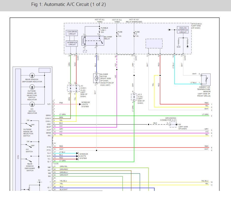
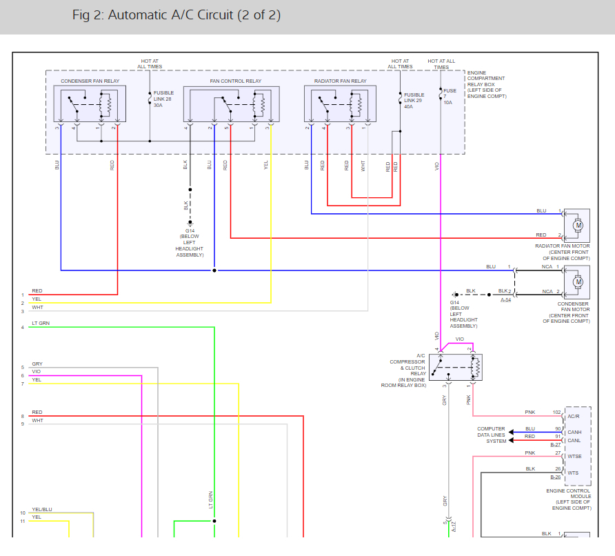
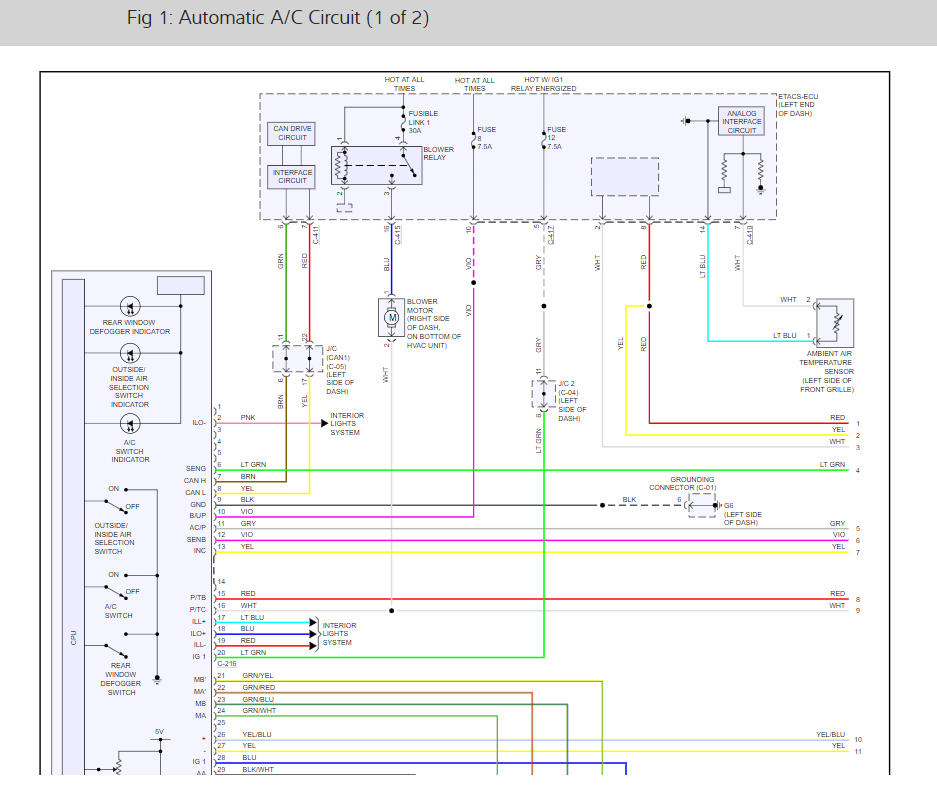
Here is a guide to help you test the wiring for the air conditioner and the fuses and relay locations as well:

https://www.2carpros.com/articles/how-to-check-wiring

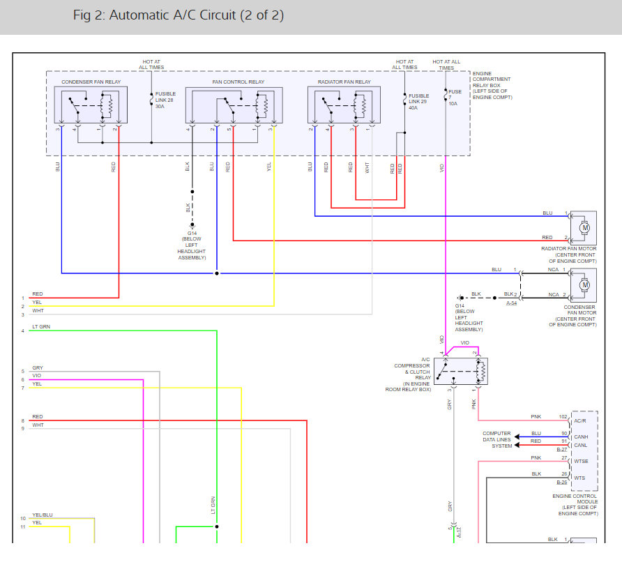
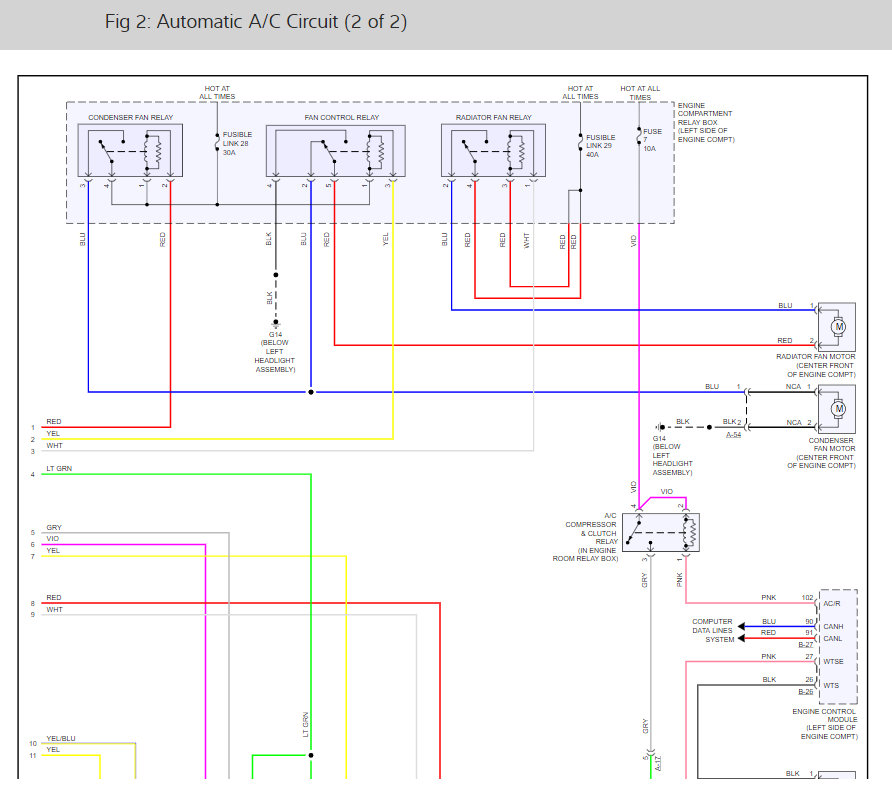
Check out the diagrams (below). Please let us know what you find. We are interested to see what it is.
Sep 7, 2019 at 1:29 PM
Avatar
PETROYADA
  • MEMBER
  • 66 POSTS
Many thanks for your advice.
Sep 15, 2019 at 7:53 PM
Advertisement
Avatar
PETROYADA
  • MEMBER
  • 66 POSTS

The compressor bearing was damaged and was replaced
After,the compressor was installed and the oil and gas were recharged.
Q:
What is the volume of refrigerant needed for this car?
I couldn't find in the user manual
Sep 15, 2019 at 7:53 PM
Avatar
STRAILER
  • CERTIFIED EXPERT
  • 53,855 POSTS
Good find on that repair here are the refrigerant type and capacity.

Fluid Types


Refrigerant Type .................... R134a (HFC-134a)
Capacities


Amount 480 - 520 g (16.9 - 18.3 oz)

Please let us know if you need anything else to get the problem fixed.
Sep 16, 2019 at 10:34 AM
Avatar
PETROYADA
  • MEMBER
  • 66 POSTS
Could you please tell me, type of the compressor oil?
Sep 16, 2019 at 1:09 PM
Avatar
PETROYADA
  • MEMBER
  • 66 POSTS
Thanks.
Sep 16, 2019 at 1:09 PM
Avatar
STRAILER
  • CERTIFIED EXPERT
  • 53,855 POSTS
You need PAG oil. Here is a link:

https://www.amazon.com/gp/product/B00CFQQSJY/ref=as_li_qf_asin_il_tl?ie=UTF8&tag=2carprcom-20&creative=9325&linkCode=as2&creativeASIN=B00CFQQSJY&linkId=8d4eab48d136c722a8b609289b5f93ba

Please let us know if you need anything else to get the problem fixed.
Sep 20, 2019 at 8:57 AM