Air condition

2009 KIA SEDONA
12,200 MILES • 0.5L • 6 CYL • FWD • AUTOMATIC
Avatar
MRBO
  • MEMBER
  • 1 POST
My air condition works in the rear but it will not blow at all in the front.
Jul 12, 2017 at 11:11 AM
Advertisement
Avatar
STRAILER
  • CERTIFIED EXPERT
  • 53,854 POSTS
Hello,

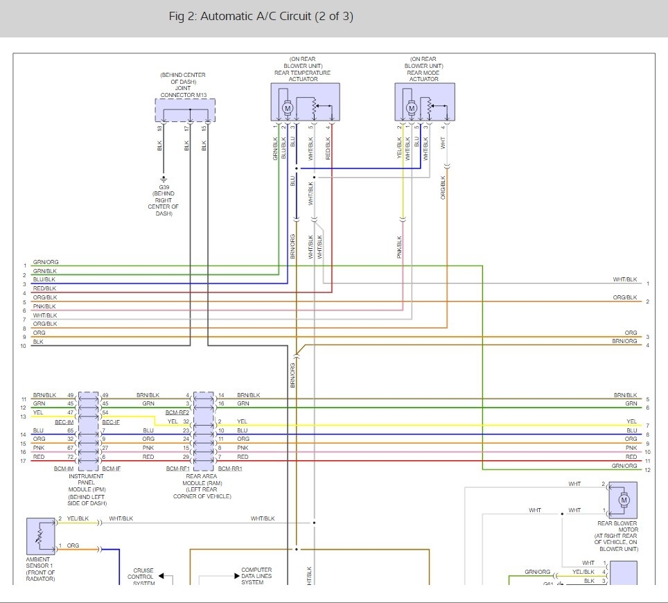
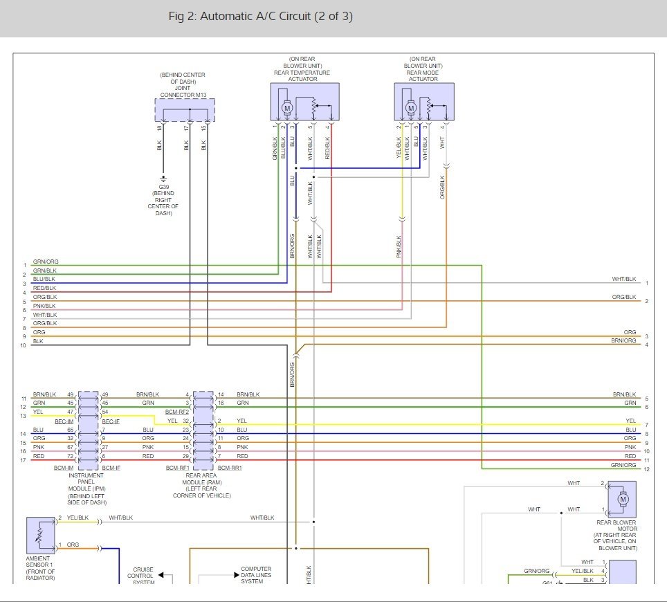
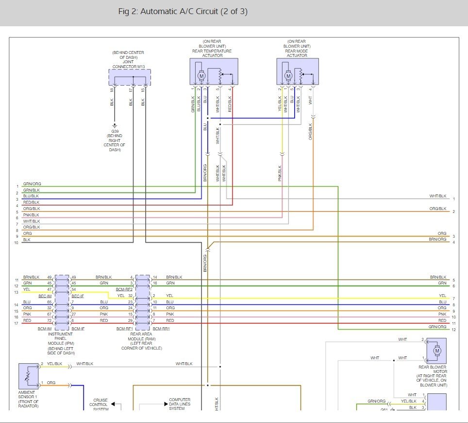
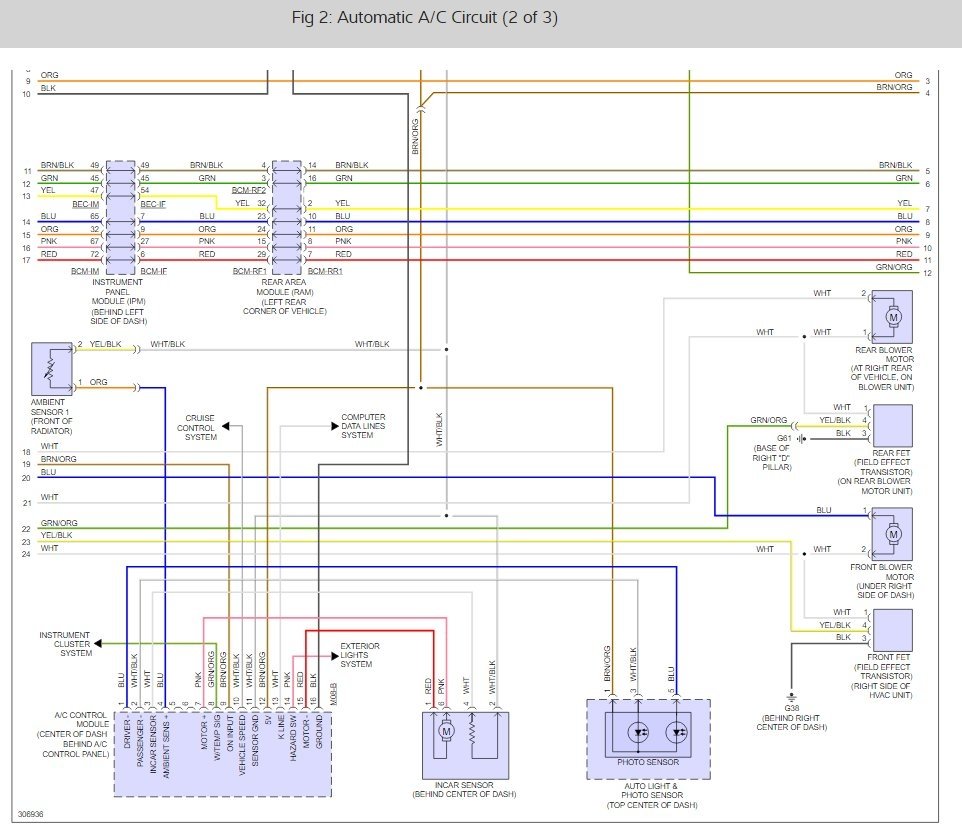
It sounds like you have a blower motor that could have failed. To be sure though lets check the easy stuff first.

Here is a guide to help check the fuses and relays:

https://www.2carpros.com/articles/how-to-check-a-car-fuse

and

https://www.2carpros.com/articles/how-to-use-a-test-light-circuit-tester

and

https://www.2carpros.com/articles/how-to-check-an-electrical-relay-and-wiring-control-circuit

and

https://www.2carpros.com/articles/blower-fan-motor-works-on-high-speed-only

Please run some tests and get back to us we are interested to see what it is.

Cheers, Ken
Jul 13, 2017 at 3:22 PM